h1_key

TI(德州仪器) BQ25121A
德州仪器 (TI) 全系列产品在线购买
  • TI(德州仪器) BQ25121A
  • TI(德州仪器) BQ25121A
  • TI(德州仪器) BQ25121A
  • TI(德州仪器) BQ25121A
  • TI(德州仪器) BQ25121A
  • TI(德州仪器) BQ25121A
立即查看
您当前的位置: 首页 > 电源管理 > 电池管理 IC > 电池充电器 IC > BQ25121A
BQ25121A

BQ25121A

正在供货

具有电源路径、集成 LDO 和降压转换器 2.5V 默认输出的 300mA 线性电池充电器

产品详情
  • 说明
  • 特性
  • 参数
  • 封装 | 引脚 | 尺寸

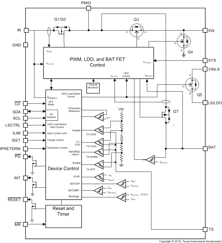
BQ25121A 是一款高度集成的电池充电管理 IC,集成了可穿戴设备的常用功能:线性充电器、稳压输出、负载开关、带计时器的手动复位以及电池电压监视器。该集成降压转换器是一款具有低 I Q 的高效率开关,采用 DCS-Control™ 技术,可进一步提高轻负载效率,负载电流可低至 10µA。运行和关断期间的低静态电流有助于延长电池寿命。该器件支持 5mA 至 300mA 的充电电流。

The battery is charged using a standard Li-Ion charge profile with three phases: precharge, constant current and constant voltage. A voltage-based JEITA compatible battery pack thermistor monitoring input (TS) is included that monitors battery temperature and automatically changes charge parameters to prevent the battery from charging outside of its safe temperature range. The charger is optimized for 5-V USB input, with 20-V tolerance to withstand line transients. The buck converter is run from the input or battery. When in battery only mode, the device can run from a battery up to 4.65 V.

A configurable load switch allows system optimization by disconnecting infrequently used devices. The manual reset with timer allows multiple different configuration options for wake are reset optimization. A simple voltage based monitor provides battery level information to the host in 2% increments from 60% to 100% of the programmed V (BATREG).

  • 可延长两次充电之间的系统运行时间
    • 可配置 300mA 降压稳压器 (默认电压 2.5V)
    • 700nA(典型值) Iq,已启用降压转换器(空载)
    • 可配置负载开关或 100mA LDO 输出( 默认启用负载开关)
    • 充电电流高达 300mA,可实现快速充电。
    • 电池稳压精度为 0.5%(可配置电压范围为 3.6V 至 4.65V,阶跃为 10mV)
    • 可配置的终端电流低至 500µA
    • 基于电压的简单电池监控器
    • 看门狗计时器已禁用
  • 高度集成的小尺寸解决方案
    • 采用 2.5mm x 2.5mm WCSP 封装和六个外部元件,可更大程度地减小解决方案尺寸
    • 通过可调节计时器实现按钮 唤醒和复位
    • 电源路径管理,用于系统供电和电池充电
    • 电源路径管理功能可实现低于 50nA 的运输模式电池静态电流,从而更大限度延长货架期
    • 电池充电器在 3.4V – 5.5V IN(5.5V OVP/20V 容差)范围内正常工作
    • 用于输入电流限制、充电电流、终止电流和状态输出的专用引脚
  • I 2C 通信控制
    • 充电电压和电流
    • 终止阈值
    • 输入电流限制
    • VINDPM 阈值
    • 计时器选项
    • 负载开关控制
    • 系统输出电压调节
    • LDO 输出电压调节
  • 安全相关认证:
    • TUV IEC 62368-1 认证
Number of series cells1
Charge current (max) (A)0.3
Vin (max) (V)5.5
Cell chemistryLi-Ion/Li-Polymer
Battery charge voltage (min) (V)3.6
Battery charge voltage (max) (V)4.65
Absolute max Vin (max) (V)20
Control topologyLinear
Control interfaceI2C
FeaturesBAT temp thermistor monitoring (JEITA profile), IC thermal regulation, Input OVP, Integrated LDO, Integrated buck converter, Power Path
Vin (min) (V)3.4
RatingCatalog
Operating temperature range (°C)-40 to 85
DSBGA (YFP)256.75999999999999792000000000000016 mm² 2.5999999999999996 x 2.5999999999999996
产品购买
  • 商品型号
  • 封装
  • 工作温度
  • 包装
  • 价格
  • 现货库存
  • 操作
10s
温馨提示:
订单商品问题请移至我的售后服务提交售后申请,其他需投诉问题可移至我的投诉提交,我们将在第一时间给您答复
返回顶部