h1_key

TI(德州仪器) TPS62822
德州仪器 (TI) 全系列产品在线购买
  • TI(德州仪器) TPS62822
  • TI(德州仪器) TPS62822
  • TI(德州仪器) TPS62822
  • TI(德州仪器) TPS62822
  • TI(德州仪器) TPS62822
  • TI(德州仪器) TPS62822
立即查看
您当前的位置: 首页 > 电源管理 > 直流/直流开关稳压器 > 降压稳压器 > TPS62822
TPS62822

TPS62822

正在供货

采用 1.5mm x 2mm VSON-HR 封装、具有 1% 精度的 2.4V 至 5.5V 输入、2A 降压转换器

产品详情
  • 说明
  • 特性
  • 参数
  • 封装 | 引脚 | 尺寸

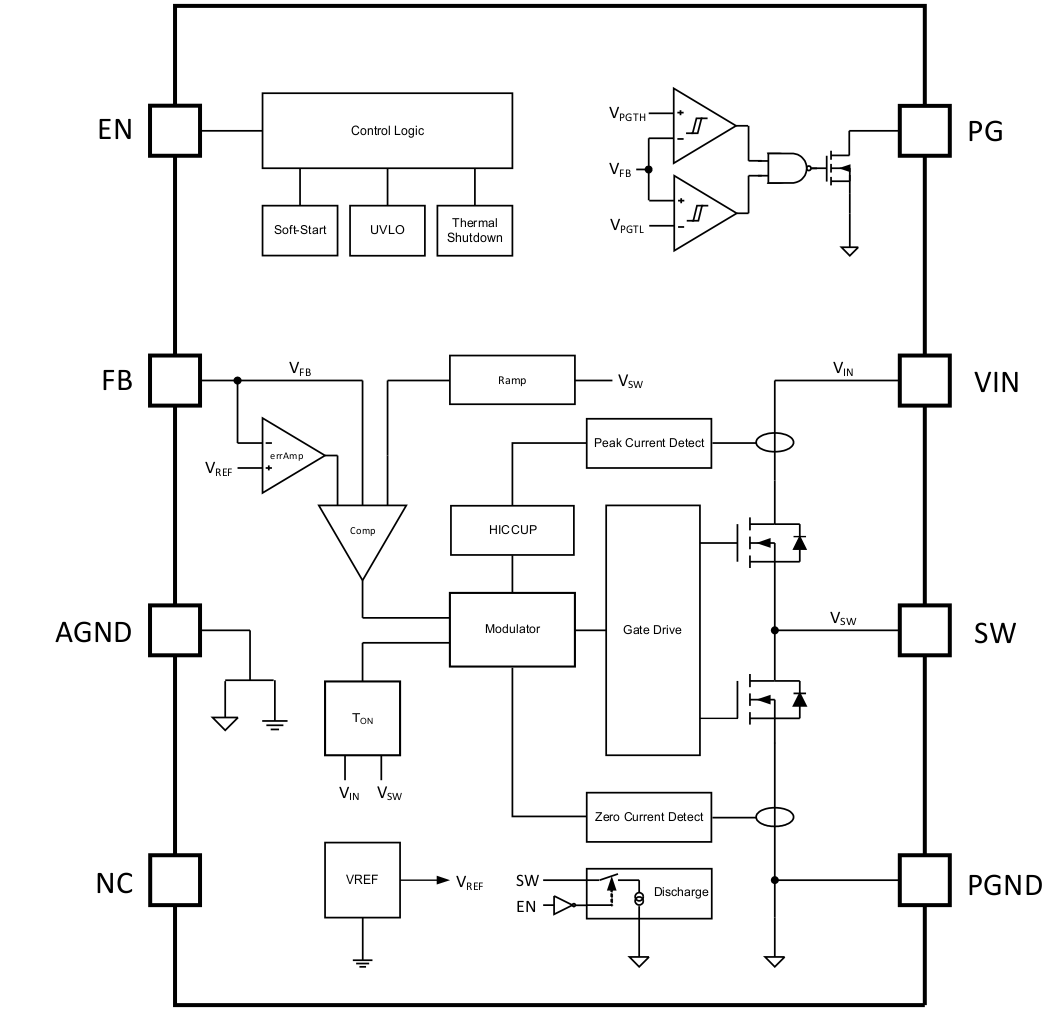
TPS6282x 是一款通用且易于使用的同步降压型直流/直流转换器,具有仅 4µA 的极低静态电流。此系列器件具有 2.4V 至 5.5V 的输入电压,可提供高达 3A 的输出电流 (TPS62823)。此产品基于 DCS-Control™拓扑,可实现快速瞬态响应。

由于具有内部基准,此产品可在 -40°C 至 125°C 的结温范围内以高达 1% 的反馈电压精度将输出电压调节到低至 0.6V。1A/2A/3A 可扩展引脚对引脚器件系列可实现 BOM 对 BOM 兼容,并可与 470nH 的小型电感器结合使用。

TPS6282x 可在超轻负载时自动进入省电模式,并能保持高效率。

该器件 具有 电源正常信号和内部软启动电路。它能够以 100% 模式运行。在故障保护方面,它加入了断续电流限制以及热关断功能。

TPS6282x 采用 2 x 1.5mm QFN-8 封装。

  • DCS-Control™拓扑
  • 26/25mΩ 内部电源开关 (TPS62823)
  • 输出电流高达 3A (TPS62823)
  • 极低的静态电流:4µA
  • 典型开关频率为 2.2MHz
  • 反馈电压精度为 1%(完整温度范围)
  • 使能 (EN) 和电源正常 (PG) 引脚
  • 可调输出电压范围为 0.6V 至 4V
  • 100% 占空比模式
  • 内部软启动电路
  • 无缝省电模式转换
  • 欠压闭锁
  • 有源输出放电
  • 逐周期电流限制
  • 断续短路保护
  • 过热保护
  • 使用 TPS62822 并借助 WEBENCH® 电源设计器创建定制设计方案
Vin (min) (V)2.4
Vin (max) (V)5.5
Vout (min) (V)0.6
Vout (max) (V)4
Iout (max) (A)2
Iq (typ) (mA)0.004
Switching frequency (min) (kHz)2200
Switching frequency (max) (kHz)2200
FeaturesEnable, Light load efficiency, Output discharge, Over Current Protection, Power good, Pre-Bias Start-Up, Soft Start Fixed, Synchronous Rectification, UVLO fixed
Operating temperature range (°C)-40 to 125
RatingCatalog
Regulated outputs (#)1
Control modeConstant on-time (COT), DCS-Control
Duty cycle (max) (%)100
TypeConverter
VSON-HR (DLC)83 mm² 2 x 1.5
产品购买
  • 商品型号
  • 封装
  • 工作温度
  • 包装
  • 价格
  • 现货库存
  • 操作
10s
温馨提示:
订单商品问题请移至我的售后服务提交售后申请,其他需投诉问题可移至我的投诉提交,我们将在第一时间给您答复
返回顶部