h1_key

TI(德州仪器) TPS62243-Q1
德州仪器 (TI) 全系列产品在线购买
  • TI(德州仪器) TPS62243-Q1
  • TI(德州仪器) TPS62243-Q1
  • TI(德州仪器) TPS62243-Q1
  • TI(德州仪器) TPS62243-Q1
  • TI(德州仪器) TPS62243-Q1
  • TI(德州仪器) TPS62243-Q1
立即查看
您当前的位置: 首页 > 电源管理 > 直流/直流开关稳压器 > 降压稳压器 > TPS62243-Q1
TPS62243-Q1

TPS62243-Q1

正在供货

DDC / 薄型小外形尺寸晶体管 (TSOT)23 封装内的 2.25MHz 300mA 降压转换器

产品详情
  • 说明
  • 特性
  • 参数
  • 封装 | 引脚 | 尺寸

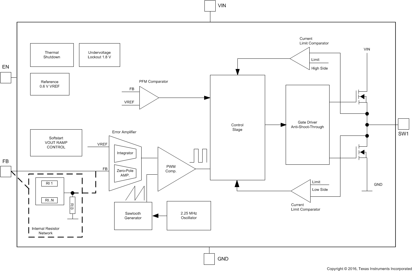
TPS6224x-Q1 系列器件是高效同步直流/直流降压转换器,提供固定输出电压和高达 300mA 的输出电流。这些器件为电池供电的/永远在线的汽车 应用 (如遥控免钥匙进入 (RKE) 或被动进入被动启动 (PEPS) 钥匙和基站)提供了低功耗优势。借助 2V-6V 的输入电压范围,这些器件支持由锂二氧化锰 (Li-MnO2) 纽扣电池、锂离子电池、两节 (2S) 和三节 (3S) 碱性电池、3.3V 和 5V 输入电压轨进行供电的 应用 。TPS6224x-Q1 在高负载电流情况下以 2.25MHz 的固定开关频率运行,在轻负载电流情况下会进入省电模式,以便在整个负载电流范围内保持高效率和低功耗。此省电模式针对低输出电压纹波进行了优化。在关断模式下,电流消耗减少至 1µA 以下。TPS6224x-Q1 允许使用小型电感器和电容器来实现较小的解决方案尺寸,并采用 5 引脚 TSOT23 封装。

  • 符合 AEC-Q100 标准,具有以下特性:
    • 器件温度 1 级:-40°C 至 125°C 的工作结温范围
  • 输出电流高达 300mA
  • VIN 范围从 2V 至 6V
  • 在 PWM 模式下以 2.25MHz 固定频率运行
  • 轻负载电流上的省电模式
  • 脉宽调制 (PWM) 模式中的输出电压精度为 ±1.5%
  • 固定输出电压
    • 1.80V TPS62243-Q1
    • 1.25V TPS62244-Q1
  • 15µA 典型静态电流
  • 可实现 100% 占空比,以确保最低压降
  • 采用 TSOT 23 (5) 2.90mm × 1.60mm 封装
Vin (min) (V)2
Vin (max) (V)6
Vout (min) (V)1.8
Vout (max) (V)1.8
Iout (max) (A)0.3
Iq (typ) (mA)0.015
Switching frequency (min) (kHz)2250
Switching frequency (max) (kHz)2250
FeaturesEnable, Forced PWM, Light load efficiency, Synchronous Rectification, UVLO fixed
Operating temperature range (°C)-40 to 125
RatingAutomotive
Regulated outputs (#)1
Control modeVoltage mode
Duty cycle (max) (%)100
TypeConverter
SOT-23-THN (DDC)58.12 mm² 2.9 x 2.8
产品购买
  • 商品型号
  • 封装
  • 工作温度
  • 包装
  • 价格
  • 现货库存
  • 操作
10s
温馨提示:
订单商品问题请移至我的售后服务提交售后申请,其他需投诉问题可移至我的投诉提交,我们将在第一时间给您答复
返回顶部