h1_key

TI(德州仪器) TPS65268-Q1
德州仪器 (TI) 全系列产品在线购买
  • TI(德州仪器) TPS65268-Q1
  • TI(德州仪器) TPS65268-Q1
  • TI(德州仪器) TPS65268-Q1
  • TI(德州仪器) TPS65268-Q1
  • TI(德州仪器) TPS65268-Q1
  • TI(德州仪器) TPS65268-Q1
立即查看
您当前的位置: 首页 > 电源管理 > 直流/直流开关稳压器 > 降压稳压器 > TPS65268-Q1
TPS65268-Q1

TPS65268-Q1

正在供货

4V 至 8V、3A、2A 三路同步降压转换器

产品详情
  • 说明
  • 特性
  • 参数
  • 封装 | 引脚 | 尺寸

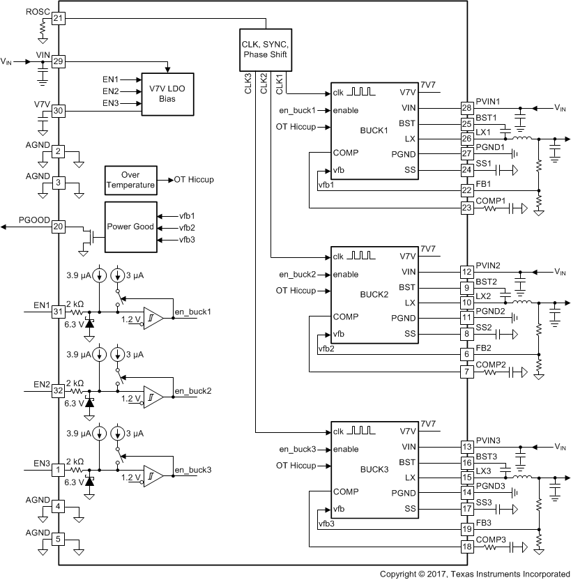
TPS65268-Q1 器件包含三路同步降压转换器,并具有 4V 至 8V 的宽输入电压范围。这款转换器具有恒定频率峰值电流模式,专用于简化应用,同时方便设计人员根据目标应用来优化系统。可通过外部电阻在 200kHz 至 2.3MHz 范围内调节转换器的开关频率。BUCK1 与 BUCK2 和 BUCK3 之间呈 180° 异相运行(BUCK2 和 BUCK3 同相位运行)最大限度地降低了输入滤波器要求。

TPS65268-Q1 器件中的每个降压转换器在轻负载条件下均以强制连续电流模式 (FCCM) 运行,以降低输出电压纹波,提高负载瞬态响应。

TPS65268-Q1 器件具有过压保护、过流保护、短路保护和过热保护功能。

  • 符合汽车应用要求
  • 具有符合 AEC-Q100 标准的下列特性:
    • 器件温度等级 1:-40°C 至 +125°C 的工作结温范围
    • 器件 HBM ESD 分类等级 2
    • 器件 CDM ESD 分类等级 C4B
  • 工作输入电压范围 4V 至 8V,最大连续输出电流 3A、2A、 2A
  • 反馈基准电压为 0.6V ±1%
  • 可调节时钟频率范围为 200kHz 至 2.3MHz
  • 强制连续电流模式 (FCCM)
  • 外部时钟同步
  • 针对每次降压的专用使能引脚和软启动引脚
  • 输出电压电源正常状态指示器
  • 热过载保护
Vin (min) (V)4
Vin (max) (V)8
Vout (min) (V)0.6
Vout (max) (V)6
Iout (max) (A)3
Iq (typ) (mA)0.6
Switching frequency (min) (kHz)200
Switching frequency (max) (kHz)2300
FeaturesEnable, Frequency synchronization, Light Load Efficiency, Over Current Protection, Phase Interleaving, Power good, Soft Start Adjustable, Synchronous Rectification, UVLO adjustable
Operating temperature range (°C)-40 to 125
RatingAutomotive
Regulated outputs (#)3
Control modecurrent mode
Duty cycle (max) (%)100
TypeConverter
VQFN (RHB)3225 mm² 5 x 5
产品购买
  • 商品型号
  • 封装
  • 工作温度
  • 包装
  • 价格
  • 现货库存
  • 操作
10s
温馨提示:
订单商品问题请移至我的售后服务提交售后申请,其他需投诉问题可移至我的投诉提交,我们将在第一时间给您答复
返回顶部