h1_key

TI(德州仪器) TPS65320D-Q1
德州仪器 (TI) 全系列产品在线购买
  • TI(德州仪器) TPS65320D-Q1
  • TI(德州仪器) TPS65320D-Q1
  • TI(德州仪器) TPS65320D-Q1
  • TI(德州仪器) TPS65320D-Q1
  • TI(德州仪器) TPS65320D-Q1
  • TI(德州仪器) TPS65320D-Q1
立即查看
您当前的位置: 首页 > 电源管理 > 多通道 IC (PMIC) > TPS65320D-Q1
TPS65320D-Q1

TPS65320D-Q1

正在供货

采用 280mA 自动拉电流 LDO 稳压器的汽车类 3.6V 至 36V、3.2A 降压转换器

产品详情
  • 说明
  • 特性
  • 参数
  • 封装 | 引脚 | 尺寸

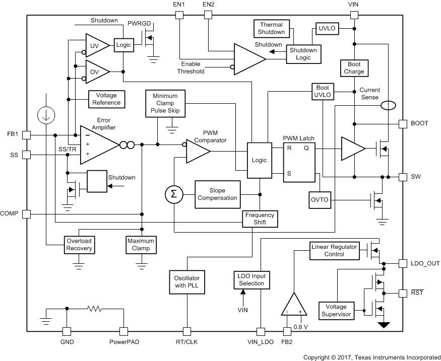
The TPS65320D-Q1 device is a combination of a high-VIN DC-DC step-down converter, referred to as the buck regulator, with an adjustable switch-mode frequency from 100-kHz to 2.5-MHz, and a high-VIN 280-mA low-dropout (LDO) regulator. The input range is 3.6 V to 36 V for the buck regulator, and 3 V to
36 V for the LDO regulator. The buck regulator has an integrated high-side MOSFET. The LDO regulator features a low-input supply current of 45-µA typical in no-load, also has an integrated MOSFET with an active-low, push-pull reset output pin. The input supply of the LDO regulator auto-source from the output of the buck regulator when it is in operation. Low-voltage tracking feature enables TPS65320D-Q1 to track the input supply during cold-crank conditions.

The buck regulator provides a flexible design to fit system needs. The external loop compensation circuit allows for optimization of the converter response for the appropriate operating conditions. A low-ripple pulse-skip mode reduces the no-load input-supply current to maximum 140 µA.

The device has built-in protection features such as soft start, current-limit, thermal sensing and shutdown due to excessive power dissipation. Furthermore, the device has an internal undervoltage-lockout (UVLO) function that turns off the device when the supply voltage is too low.

  • Qualified for Automotive Applications
  • AEC-Q100 Qualified with the Following Results:
    • Device Temperature Grade 1: –40°C to +125°C Ambient Operating Temperature
    • Device HBM ESD Classification Level 2
    • Device CDM ESD Classification Level C4B
  • One High-VIN Step-Down DC-DC Converter
    • Input Range of 3.6 V to 36 V
    • 250-mΩ High-Side MOSFET
    • Maximum Load Current 3.2 A, Output Adjustable 1.1 V to 20 V
    • Adjustable Switching Frequency 100 kHz to 2.5 MHz
    • Synchronizes to External Clock
    • High Efficiency at Light Loads With Pulse-Skipping Eco-mode™ Control Scheme
    • Maximum 140-µA Operating Quiescent Current
  • One Low-Dropout Voltage (LDO) Regulator
    • Input Range of 3 V to 20 V, With Auto-Source to Balance Efficiency and Lower Standby Current
    • 280-mA Current Capability With Typical 35-µA Quiescent Current in No-Load Condition
    • Power-Good Output (Push-Pull)
    • Low-Dropout Voltage of 300 mV at
      IO = 200 mA (Typical)
  • Overcurrent Protection for Both Regulators
  • Overtemperature Protection
  • 14-Pin HTSSOP Package With PowerPAD™ Integrated Circuit Package
Regulated outputs (#)2
ConfigurabilityHardware configurable
Vin (min) (V)3.6
Vin (max) (V)36
Iout (max) (A)3.2
FeaturesEco-mode, Enable, Overcurrent protection, Power good, Thermal shutdown, UVLO fixed
Step-up DC/DC converter0
Step-down DC/DC converter1
Step-down DC/DC controller0
Step-up DC/DC controller0
LDO1
Iq (typ) (mA)0.155
RatingAutomotive
Switching frequency (max) (kHz)2500
Operating temperature range (°C)-40 to 125
Processor supplierGeneric
Processor nameGeneric
Shutdown current (ISD) (typ) (µA)2
HTSSOP (PWP)1432 mm² 5 x 6.4
产品购买
  • 商品型号
  • 封装
  • 工作温度
  • 包装
  • 价格
  • 现货库存
  • 操作
10s
温馨提示:
订单商品问题请移至我的售后服务提交售后申请,其他需投诉问题可移至我的投诉提交,我们将在第一时间给您答复
返回顶部