h1_key

TI(德州仪器) TPS55160-Q1
德州仪器 (TI) 全系列产品在线购买
  • TI(德州仪器) TPS55160-Q1
  • TI(德州仪器) TPS55160-Q1
  • TI(德州仪器) TPS55160-Q1
  • TI(德州仪器) TPS55160-Q1
  • TI(德州仪器) TPS55160-Q1
  • TI(德州仪器) TPS55160-Q1
立即查看
您当前的位置: 首页 > 电源管理 > 直流/直流开关稳压器 > 降压/升压和反相稳压器 > TPS55160-Q1
TPS55160-Q1

TPS55160-Q1

正在供货

3.6V 至 36V、1A 输出、2MHz 同步升压和降压转换器

产品详情
  • 说明
  • 特性
  • 参数
  • 封装 | 引脚 | 尺寸

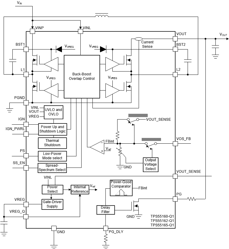
TPS5516x-Q1 系列器件是一款高电压同步降压/升压直流/直流转换器。该器件通过多种不同的输入电源(如汽车电池)提供稳定的电源输出。降压/升压重叠控制可确保以最佳的效率在降压和升压模式之间自动转换。TPS55165-Q1 输出电压可以设置为 5V 或 12V 固定电平。TPS55160-Q1 和 TPS55162-Q1 器件具有通过外部电阻分压器设置的 5.7V 至 9V 可配置输出电压。

对于常规汽车电池电压,输出电流可高至 1A,并且能够针对更低的输入电压(如用于实现常见电池启动曲线的电压)保持在 0.4A。该降压/升压转换器基于一个使用同步整流的固定频率、脉宽调制 (PWM) 控制电路来获得最高效率。开关频率设置为 2MHz(典型值),从而允许使用小型电感器(布板空间更少)。

  • 符合汽车应用要求
  • 具有符合 AEC-Q100 标准的下列特性:
    • 器件温度等级 1:–40°C 至 +125°C 的工作环境温度范围
    • 器件 HBM ESD 分类等级 2
    • 器件 CDM ESD 分类等级 C4B
  • 提供功能安全
    • 可帮助进行功能安全系统设计的文档
  • VOUT = 5V 时的输入电压范围为 2V 至 36V
  • 5V 或 12V 固定输出电压 (TPS55165-Q1)
  • 5.7V 至 9V 可调输出电压选项 (TPS55160-Q1 和 TPS55162-Q1)
  • 效率高达 85%
  • VOUT = 5V 且 VIN ≥ 5.3V 时的输出电流为 1A
  • VOUT = 5V 且 VIN ≥ 3.8V 时的输出 电流为 0.8A
  • VOUT = 5V 且 VIN ≥ 2.3V 时的输出 电流为 0.4A
  • 在降压和升压模式之间自动转换
  • 低功耗模式,可在轻负载情况下提高效率 (TPS55160-Q1/TPS55165-Q1)
  • 在低功耗模式下器件静态电流小于 15µA (TPS55160-Q1/TPS55165-Q1)
  • 器件关断电流小于 3µA
  • 2MHz 强制固定运行频率
  • 可选展频(TPS55160-Q1 和 TPS55165-Q1)
  • 通过具有电源锁存功能的 IGN 唤醒
  • 具有可配置延迟时间的智能电源正常输出
  • 过热保护和输出过压保护
  • 采用易于使用的 20 引脚 HTSSOP PowerPAD™ 封装
TopologyBuck-Boost
Vin (min) (V)3.6
Vin (max) (V)36
Vout (max) (V)9
Vout (min) (V)5.7
Duty cycle (max) (%)99
FeaturesEnable, Light Load Efficiency, Power good, Spread Spectrum, Synchronous Rectification, UVLO Fixed
Switch current limit (typ) (A)3.5
Switching frequency (min) (kHz)2000
Switching frequency (max) (kHz)2000
Iq (typ) (mA)0.015
Iout (max) (A)1
RatingAutomotive
TI functional safety categoryFunctional Safety-Capable
Operating temperature range (°C)-40 to 125
TypeConverter
HTSSOP (PWP)2041.6 mm² 6.5 x 6.4
产品购买
  • 商品型号
  • 封装
  • 工作温度
  • 包装
  • 价格
  • 现货库存
  • 操作
10s
温馨提示:
订单商品问题请移至我的售后服务提交售后申请,其他需投诉问题可移至我的投诉提交,我们将在第一时间给您答复
返回顶部