h1_key

TI(德州仪器) TPS55165-Q1
德州仪器 (TI) 全系列产品在线购买
  • TI(德州仪器) TPS55165-Q1
  • TI(德州仪器) TPS55165-Q1
  • TI(德州仪器) TPS55165-Q1
  • TI(德州仪器) TPS55165-Q1
  • TI(德州仪器) TPS55165-Q1
  • TI(德州仪器) TPS55165-Q1
立即查看
您当前的位置: 首页 > 电源管理 > 直流/直流开关稳压器 > 降压/升压和反相稳压器 > TPS55165-Q1
TPS55165-Q1

TPS55165-Q1

正在供货

2V 至 36V、1A 输出、2MHz、5V 或 12V 固定输出电压、升压和降压转换器

产品详情
  • 说明
  • 特性
  • 参数
  • 封装 | 引脚 | 尺寸

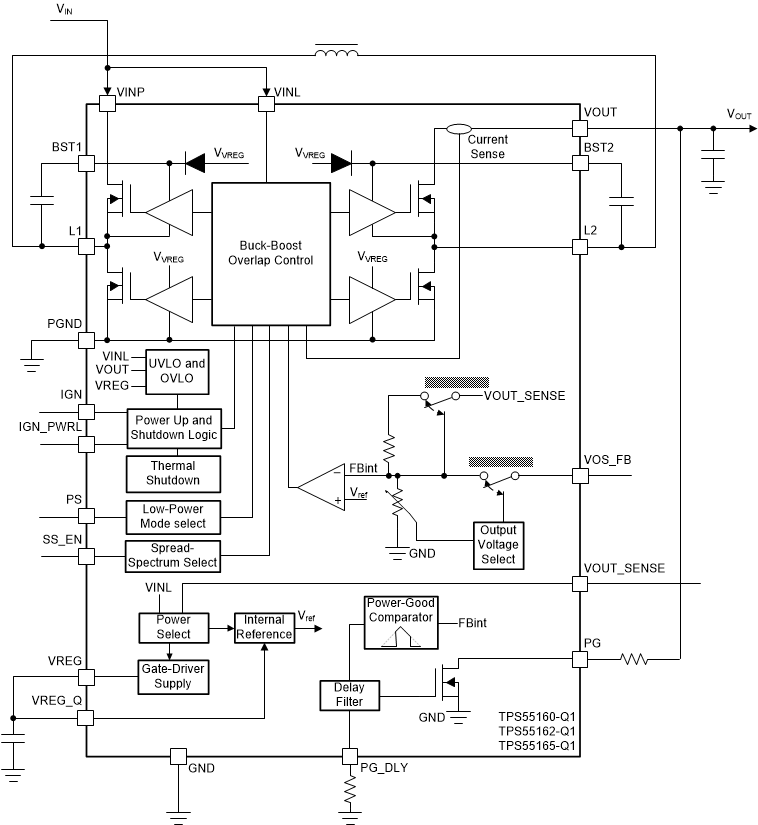
TPS5516x-Q1 系列器件是一款高电压同步降压/升压直流/直流转换器。该器件通过多种不同的输入电源(如汽车电池)提供稳定的电源输出。降压/升压重叠控制可确保以最佳的效率在降压和升压模式之间自动转换。TPS55165-Q1 输出电压可以设置为 5V 或 12V 固定电平。TPS55160-Q1 和 TPS55162-Q1 器件具有通过外部电阻分压器设置的 5.7V 至 9V 可配置输出电压。

对于常规汽车电池电压,输出电流可高至 1A,并且能够针对更低的输入电压(如用于实现常见电池启动曲线的电压)保持在 0.4A。该降压/升压转换器基于一个使用同步整流的固定频率、脉宽调制 (PWM) 控制电路来获得最高效率。开关频率设置为 2MHz(典型值),从而允许使用小型电感器(布板空间更少)。

  • 符合汽车应用要求
  • 具有符合 AEC-Q100 标准的下列特性:
    • 器件温度等级 1:–40°C 至 +125°C 的工作环境温度范围
    • 器件 HBM ESD 分类等级 2
    • 器件 CDM ESD 分类等级 C4B
  • 提供功能安全
    • 可帮助进行功能安全系统设计的文档
  • VOUT = 5V 时的输入电压范围为 2V 至 36V
  • 5V 或 12V 固定输出电压 (TPS55165-Q1)
  • 5.7V 至 9V 可调输出电压选项 (TPS55160-Q1 和 TPS55162-Q1)
  • 效率高达 85%
  • VOUT = 5V 且 VIN ≥ 5.3V 时的输出电流为 1A
  • VOUT = 5V 且 VIN ≥ 3.8V 时的输出 电流为 0.8A
  • VOUT = 5V 且 VIN ≥ 2.3V 时的输出 电流为 0.4A
  • 在降压和升压模式之间自动转换
  • 低功耗模式,可在轻负载情况下提高效率 (TPS55160-Q1/TPS55165-Q1)
  • 在低功耗模式下器件静态电流小于 15µA (TPS55160-Q1/TPS55165-Q1)
  • 器件关断电流小于 3µA
  • 2MHz 强制固定运行频率
  • 可选展频(TPS55160-Q1 和 TPS55165-Q1)
  • 通过具有电源锁存功能的 IGN 唤醒
  • 具有可配置延迟时间的智能电源正常输出
  • 过热保护和输出过压保护
  • 采用易于使用的 20 引脚 HTSSOP PowerPAD™ 封装
TopologyBuck-Boost
Vin (min) (V)2
Vin (max) (V)36
Vout (max) (V)12
Vout (min) (V)5
Duty cycle (max) (%)99
FeaturesSpread Spectrum
Switch current limit (typ) (A)3.5
Switching frequency (min) (kHz)2000
Switching frequency (max) (kHz)2000
Iq (typ) (mA)0.015
Iout (max) (A)1
RatingAutomotive
TI functional safety categoryFunctional Safety-Capable
Operating temperature range (°C)-40 to 125
TypeConverter
HTSSOP (PWP)2041.6 mm² 6.5 x 6.4
产品购买
  • 商品型号
  • 封装
  • 工作温度
  • 包装
  • 价格
  • 现货库存
  • 操作
10s
温馨提示:
订单商品问题请移至我的售后服务提交售后申请,其他需投诉问题可移至我的投诉提交,我们将在第一时间给您答复
返回顶部