h1_key

TI(德州仪器) TPS6508700
德州仪器 (TI) 全系列产品在线购买
  • TI(德州仪器) TPS6508700
  • TI(德州仪器) TPS6508700
  • TI(德州仪器) TPS6508700
  • TI(德州仪器) TPS6508700
  • TI(德州仪器) TPS6508700
  • TI(德州仪器) TPS6508700
立即查看
您当前的位置: 首页 > 电源管理 > 多通道 IC (PMIC) > TPS6508700
TPS6508700

TPS6508700

正在供货

适用于 AMD™ 系列 17h 模型 10h-1Fh 处理器的 PMIC

产品详情
  • 说明
  • 特性
  • 参数
  • 封装 | 引脚 | 尺寸

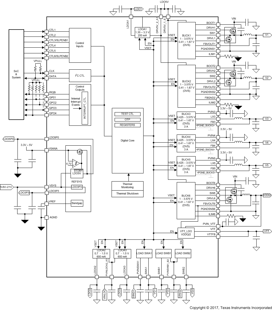
TPS6508700 器件是一款单芯片电源管理 IC (PMIC),专为笔记本电脑和一体式台式机的 AMD™系列 17h 型 10h-1Fh 处理器而设计。TPS6508700 器件可提供 5.6V 至 21V 的输入电压范围,用途 广泛。该器件非常适合使用 2S、3S 或 4S 锂离子电池组的 NVDC 和非 NVDC 电源架构。该 D-CAP2™和 DCS-Control™高频稳压器采用小型电感和电容,以减小解决方案体积。D-CAP2 和 DCS-Control 拓扑具有出色的瞬态响应性能,特别适用于具有快速负载开关的处理器内核和系统内存电压轨。I2C 接口可通过嵌入式控制器 (EC) 或片上系统 (SoC) 进行轻松控制。PMIC 采用带散热焊盘的 8mm × 8mm 单行 VQFN 封装,因此散热性能良好,电路板布线简单。

  • 5.6V 至 21V 的宽输入电压范围
  • 三个可变输出电压同步
    降压控制器,采用 DCAP2™拓扑
    • 使用外部 FET 的可扩展输出电流,支持可选电流限制
    • 针对 BUCK2 和 BUCK6 进行 I2C 动态电压调节 (DVS) 控制,针对 BUCK1 进行外部反馈
  • 三个可变输出电压同步降压转换器,采用 DCS-Control 拓扑技术并支持 I2C DVS 功能
    • 输入电压 范围为 4.5V 至 5.5V
    • 输出电压范围为 0.425V 至 3.575V
    • 输出电流高达 3A
  • 三个具有可调节输出电压的 LDO 稳压器
    • LDOA1:可通过 I2C 选择的输出电压(1.35V 至 3.3V),输出电流高达 200mA
    • LDOA2 和 LDOA3:I2C 可选输出电压为 0.7V 至 1.5V,输出电流高达 600mA
  • 带有 BUCK6 的 LDO 作为输入电压
  • 三个具有压摆率控制功能的负载开关
    • 输出电流高达 300mA,压降小于标称输入电压的 1.5%
    • 输入电压为 1.8V 时,RDSON < 96mΩ
  • 5V 固定输出电压 LDO (LDO5)
    • 用于 SMPS 的栅极驱动器和 LDOA1 的电源
    • 可自动切换至 5V 降压以实现更高效率
  • 工厂 OTP 编程提供的内置时序功能
    • 用于 G3’、G3、S5 和 S0 状态选择的 CTL1、CTL4 和 CTL5
    • 用于 PG_S0 和 PG_S5 的 GPO1 和 GPO2
    • 漏极开路中断输出引脚
  • I2C 接口支持:
    • 标准模式(100kHz)
    • 快速模式(400kHz)
    • 快速模式+(1MHz)
Regulated outputs (#)13
ConfigurabilityFactory programmable, Software configurable
Vin (min) (V)5.6
Vin (max) (V)21
Iout (max) (A)25
FeaturesComm control, Dynamic voltage scaling, Enable, Enable pin, I2C control, Overcurrent protection, Power good, Power sequencing, Synchronous rectification, Thermal shutdown, UVLO fixed
Step-up DC/DC converter0
Step-down DC/DC converter3
Step-down DC/DC controller3
Step-up DC/DC controller0
LDO4
Iq (typ) (mA)0.3
RatingCatalog
Switching frequency (max) (kHz)3100
Operating temperature range (°C)-40 to 85
Processor supplierAMD
Processor nameFamily 17h
Shutdown current (ISD) (typ) (µA)65
Switching frequency (typ) (kHz)2500
VQFN (RSK)6464 mm² 8 x 8
产品购买
  • 商品型号
  • 封装
  • 工作温度
  • 包装
  • 价格
  • 现货库存
  • 操作
10s
温馨提示:
订单商品问题请移至我的售后服务提交售后申请,其他需投诉问题可移至我的投诉提交,我们将在第一时间给您答复
返回顶部