h1_key

TI(德州仪器) TLC2274A-Q1
德州仪器 (TI) 全系列产品在线购买
  • TI(德州仪器) TLC2274A-Q1
  • TI(德州仪器) TLC2274A-Q1
  • TI(德州仪器) TLC2274A-Q1
  • TI(德州仪器) TLC2274A-Q1
  • TI(德州仪器) TLC2274A-Q1
  • TI(德州仪器) TLC2274A-Q1
立即查看
您当前的位置: 首页 > 放大器 > 运算放大器 (op amps) > 精密运算放大器 (Vos<1mV) > TLC2274A-Q1
TLC2274A-Q1

TLC2274A-Q1

正在供货

汽车类高级 LinCMOS™ 轨到轨四路精密运算放大器

产品详情
  • 说明
  • 特性
  • 参数
  • 封装 | 引脚 | 尺寸

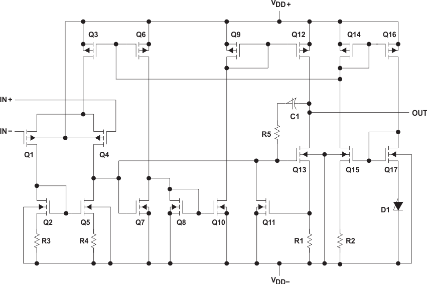
TLC227x-Q1 为双通道和四通道 LinCMOS™ 运算放大器。两款器件均在单电源或双电源应用中表现出优异的轨到轨输出性能,能够进一步扩大动态范围。TLC227x-Q1 系列器件可为更高速率的应用提供 2MHz 的带宽和 3V/µs 的压摆率。这些器件能够提供出色的交流性能,其噪声、输入失调电压和功耗均低于现有 CMOS 运算放大器。TLC227x‑Q1 的噪声电压为 9nV/√Hz,是同类解决方案的二分之一。

TLC227x-Q1 具有高输入阻抗和低噪声特性,是用于高阻抗源(如压电式传感器)小信号调节的理想选择。此外,该系列器件的单电源或双电源具有轨到轨输出特性,是与模数转换器 (ADC) 连接的理想选择。

对于精密应用,TLC227xA-Q1 系列器件的最大输入失调电压为 950µV。该器件系列的额定工作电压为 5V 或 ±5V。

这些器件可提供更大的输出动态范围,更低的噪声电压和输入失调电压。凭借这一系列增强特性,TLC227x-Q1 能够用于更广泛的应用。对于需要更高输出驱动和更宽输入电压范围的应用,请参阅 TLV2432-Q1TLV2442-Q1。TLC227x-Q1 系列器件的所有参数使这些器件能够适用于大多数汽车应用。

  • 符合面向汽车应用的 AEC-Q100 标准
    • 温度等级 1:– 40 ° C 至 125 ° C 、 T A
  • 提供功能安全
    • 可提供用于功能安全系统设计的文档 (TLC2272-Q1)
    • 可提供用于功能安全系统设计的文档 (TLC2272A-Q1)
  • 输出摆幅包括两个电源轨
  • 低噪声:在 f = 1kHz 时为 9nV/√Hz(典型值)
  • 低输入偏置电流:1pA(典型值)
  • 完全符合单电源及双电源供电的要求
  • 共模输入电压范围包括负轨
  • 高增益带宽:2.2MHz(典型值)
  • 高压摆率:3.6V/µs(典型值)
  • 低输入失调电压:TA = 25°C 时最大值为 950µA
  • 包括宏模型
Number of channels4
Total supply voltage (+5 V = 5, ±5 V = 10) (max) (V)16
Total supply voltage (+5 V = 5, ±5 V = 10) (min) (V)4.4
Vos (offset voltage at 25°C) (max) (mV)0.95
GBW (typ) (MHz)2.18
FeaturesHigh Cload Drive
Slew rate (typ) (V/µs)3.6
Rail-to-railIn to V-, Out
Offset drift (typ) (µV/°C)2
Iq per channel (typ) (mA)1.1
Vn at 1 kHz (typ) (nV√Hz)9
CMRR (typ) (dB)75
RatingAutomotive
Operating temperature range (°C)-40 to 125
Input bias current (max) (pA)60
Iout (typ) (A)0.0022
ArchitectureCMOS
Input common mode headroom (to negative supply) (typ) (V)-0.3
Input common mode headroom (to positive supply) (typ) (V)-0.8
Output swing headroom (to negative supply) (typ) (V)0.01
Output swing headroom (to positive supply) (typ) (V)-0.01
THD + N at 1 kHz (typ) (%)0.0008
SOIC (D)1451.9 mm² 8.65 x 6
TSSOP (PW)1432 mm² 5 x 6.4
产品购买
  • 商品型号
  • 封装
  • 工作温度
  • 包装
  • 价格
  • 现货库存
  • 操作
10s
温馨提示:
订单商品问题请移至我的售后服务提交售后申请,其他需投诉问题可移至我的投诉提交,我们将在第一时间给您答复
返回顶部