h1_key

TI(德州仪器) TPS2372
德州仪器 (TI) 全系列产品在线购买
  • TI(德州仪器) TPS2372
  • TI(德州仪器) TPS2372
  • TI(德州仪器) TPS2372
  • TI(德州仪器) TPS2372
  • TI(德州仪器) TPS2372
  • TI(德州仪器) TPS2372
立即查看
您当前的位置: 首页 > 电源管理 > 以太网供电 (PoE) IC > 供电设备 > TPS2372
TPS2372

TPS2372

正在供货

具有自动 MPS 和 Autoclass 的 IEEE 802.3bt PoE 高功率 PD 接口

产品详情
  • 说明
  • 特性
  • 参数
  • 封装 | 引脚 | 尺寸

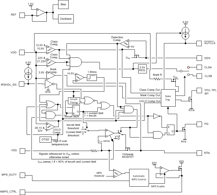
TPS2372 具有实现 IEEE802.3at 或 IEEE802.3bt(草案)(1-4 类)用电设备 (PD) 所需的所有 特性 。低内部开关电阻可让 TPS2372-4 和 TPS2372-3 分别支持高达 90W 和 60W 的高功率 应用 。使用 100 米 CAT5 线缆的情况下,这相当于 PD 输入端为 71.3W 和 51W。

TPS2372 具有高级 特性。

自动 MPS 功能支持多种需要极低功耗待机模式的 应用 。TPS2372 自动产生必要的脉冲电流来维持 PSE 电源。此器件使用外部电阻来实现该功能以及对 MPS 脉冲电流幅度进行编程。

TPS2372 还实现了延迟功能,使远程 PSE 能够在释放电源正常 (PG) 输出信号之前完成其浪涌阶段。这可确保满足 IEEE802.3bt(草案)启动要求。

Autoclass 使能输入还支持符合 IEEE802.3bt(草案)标准的高级系统电源优化模式。

  • 适用于 3 类或 4 类 PoE 的 IEEE 802.3bt(草案)PD 解决方案
  • 支持 4 类 ( TPS2372-4) 90W 和 3 类 ( TPS2372-3) 60W 工作功率
  • 可靠的 100V 热插拔 MOSFET
    • TPS2372-4(典型值):0.1Ω,2.2A 电流限制
    • TPS2372-3(典型值):0.3Ω,1.85A 电流限制
  • 分配了电源指示灯输出
  • 具有浪涌延迟功能的 PG 输出
    • 符合 PSE 浪涌要求
  • 自动维持功率特性(MPS)
    • 自动调节 1-2 类或 3-4 类 PSE 的 MPS
    • 支持超低功耗待机模式
  • 支持 Autoclass 运行
  • 支持 PoE++ PSE
  • 结温范围为 -40°C 至 125°C
  • 20 引脚 VQFN 封装
Vin (min) (V)8
Vin (max) (V)57
PoE current limit (min) (mA)1550, 1900
PoE inrush limit (mA) (typ) (A)0.2, 0.335, 200, 335
rDS(on) per FET (typ) (mΩ)100, 300
PoE standards supported802.3bt Type 3, 802.3bt Type 4
PD power level13W, 25W, 51W, 71W
DC/DC controlPD Only
Fault responseAuto Retry
FeaturesAutoclass, Automatic MPS, Inrush delay, Non-standard POE++ compatible, PG, Thermal shutdown
Operating temperature range (°C)-40 to 125
RatingCatalog
VQFN (RGW)2025 mm² 5 x 5
产品购买
  • 商品型号
  • 封装
  • 工作温度
  • 包装
  • 价格
  • 现货库存
  • 操作
10s
温馨提示:
订单商品问题请移至我的售后服务提交售后申请,其他需投诉问题可移至我的投诉提交,我们将在第一时间给您答复
返回顶部