h1_key

TI(德州仪器) LM5150-Q1
德州仪器 (TI) 全系列产品在线购买
  • TI(德州仪器) LM5150-Q1
  • TI(德州仪器) LM5150-Q1
  • TI(德州仪器) LM5150-Q1
  • TI(德州仪器) LM5150-Q1
  • TI(德州仪器) LM5150-Q1
  • TI(德州仪器) LM5150-Q1
立即查看
您当前的位置: 首页 > 电源管理 > 直流/直流开关稳压器 > 升压稳压器 > LM5150-Q1
LM5150-Q1

LM5150-Q1

正在供货

具有 6.8V、7.5V、8.5V、10.5V 输出选项的汽车类 1.5V 至 42V 输入电压、低 IQ 升压控制器

产品详情
  • 说明
  • 特性
  • 参数
  • 封装 | 引脚 | 尺寸

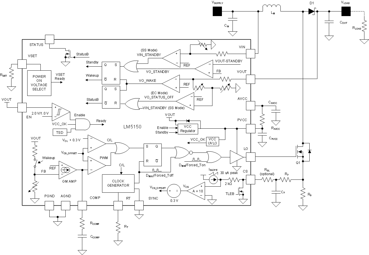
LM5150-Q1 器件是宽输入范围自动升压控制器。该器件适合用作预升压转换器,在汽车启动期间维持汽车电池的输出电压,或在缺少汽车电池期间维持备用电池的输出电压。

可以通过一个电阻器在 220kHz 与 2.3MHz 之间对 LM5150-Q1 开关频率进行编程。快速开关频率 (≥ 2.2MHz) 可更大限度地降低调幅频带干扰,并支持实现小解决方案尺寸和快速瞬态响应。

LM5150-Q1 在输入或输出电压高于预设待机阈值时以低 IQ 待机模式运行,并且在输出电压降至预设唤醒阈值以下时自动唤醒。

处于或未处于低 IQ 待机模式的器件瞬态,可在轻负载下延长电池寿命。单个电阻器对目标输出稳定电压以及配置进行编程。其他特性包括低关断电流、升压状态指示器、可调逐周期电流限制和热关断。

  • 符合 AEC-Q100 标准:
    • 器件温度等级 1:–40°C 至 +125°C 环境工作温度范围
    • 器件 HBM ESD 分类等级 2
    • 器件 CDM ESD 分类等级 C4B
  • 提供功能安全
    • 可帮助进行功能安全系统设计的文档
  • 输出电压 ≥ 5V(绝对最大值为 65V)时具有 1.5V 至 42V 的宽输入电压范围
  • 低关断电流 (IQ ≤ 5µA)
  • 低待机电流 (IQ ≤ 15µA)
  • 四种可编程输出电压选项和两种可选配置
    • 6.8V、7.5V、8.5V 或 10.5V
    • 启停或紧急呼叫配置
  • 可调节开关频率范围:220 kHz 至 2.3 MHz
  • 自动唤醒和待机模式转换
  • 可选的时钟同步
  • 升压状态指示器
  • 1.5A 峰值 MOSFET 栅极驱动器
  • 可调逐周期电流限制
  • 热关断保护
  • 16 引脚 WQFN,具有可湿性侧面和非可湿性侧面选项
  • 使用 LM5150-Q1 并借助 WEBENCH Power Designer 创建定制设计方案
TopologyBoost
Vin (min) (V)1.5
Vin (max) (V)42
Vout (min) (V)6.8
Vout (max) (V)10.5
Regulated outputs (#)1
Switching frequency (min) (kHz)220
Switching frequency (max) (kHz)2300
Iq (typ) (mA)0.015
FeaturesAdjustable current limit, Enable, Frequency synchronization, Light Load Efficiency, Nonsynchronous rectification, Spread Spectrum
Duty cycle (max) (%)87
TI functional safety categoryFunctional Safety-Capable
RatingAutomotive
Operating temperature range (°C)-40 to 150
TypeController
WQFN (RUM)1616 mm² 4 x 4
产品购买
  • 商品型号
  • 封装
  • 工作温度
  • 包装
  • 价格
  • 现货库存
  • 操作
10s
温馨提示:
订单商品问题请移至我的售后服务提交售后申请,其他需投诉问题可移至我的投诉提交,我们将在第一时间给您答复
返回顶部