h1_key

TI(德州仪器) BQ25600C
德州仪器 (TI) 全系列产品在线购买
  • TI(德州仪器) BQ25600C
  • TI(德州仪器) BQ25600C
  • TI(德州仪器) BQ25600C
  • TI(德州仪器) BQ25600C
  • TI(德州仪器) BQ25600C
  • TI(德州仪器) BQ25600C
立即查看
您当前的位置: 首页 > 电源管理 > 电池管理 IC > 电池充电器 IC > BQ25600C
BQ25600C

BQ25600C

正在供货

用于并联充电应用的 I2C 单节 3A 降压电池充电器

产品详情
  • 说明
  • 特性
  • 参数
  • 封装 | 引脚 | 尺寸

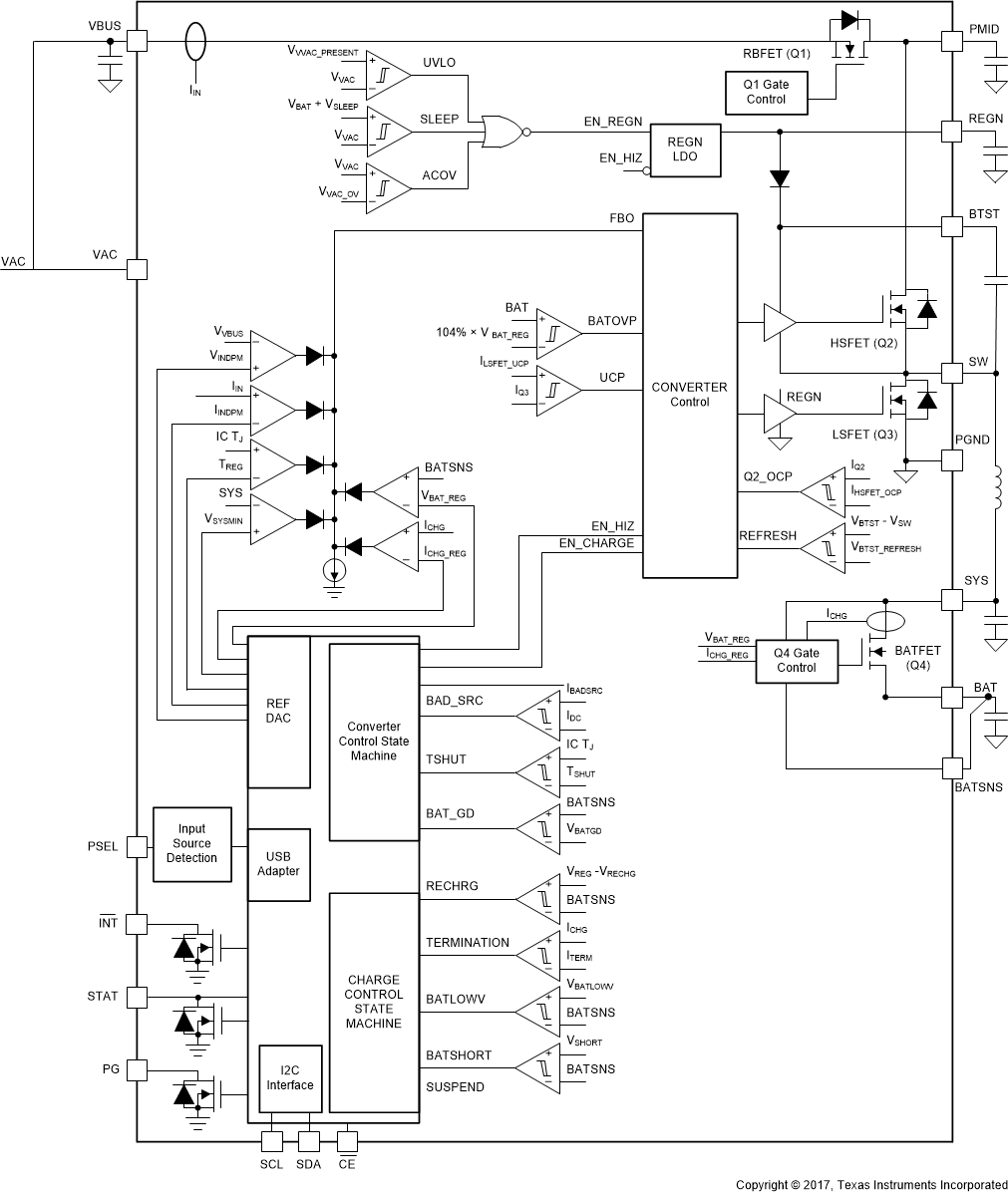
bq25600C 器件是高度集成的 3.0A 开关模式电池充电管理和系统电源路径管理器件,适用于单节锂离子和锂聚合物电池。低阻抗电源路径可优化开关模式运行效率并缩短电池充电时间。具有充电和系统设置的 I2C 串行接口使得此器件成为一个真正的灵活解决方案。

bq25600C 是高度集成的 3.0A 开关模式电池充电管理和系统电源路径管理器件,适用于单节锂离子和锂聚合物电池。该器件 通过 高输入电压和高效率实现快速充电, 支持 用于各种智能手机、平板电脑和便携式设备的并联充电应用。bq25600C 具有与 bq25600 不同的 I2C 地址,因此在选择 bq25600 作为主充电器并选择 bq25600C 作为并联充电器时,仅需要单个 I2C 总线。其低阻抗电源路径可优化开关模式运行效率并缩短电池充电时间。其输入电压和电流调节以及电池远程感应可以为电池提供最大的充电功率。该解决方案在系统和电池之间高度集成输入反向阻断 FET(RBFET,Q1)、高侧开关 FET(HSFET,Q2)、低侧开关 FET(LSFET,Q3)以及电池 FET(BATFET、Q4)。它还集成了自举二极管以进行高侧栅极驱动,从而简化系统设计。具有充电和系统设置的 I2C 串行接口使得此器件成为一个真正的灵活解决方案。

该器件支持多种输入源,包括标准 USB 主机端口、USB 充电端口以及兼容 USB 的高电压适配器。该器件根据内置 USB 接口设置默认输入电流限值。为了设置默认输入电流限值,器件使用内置 USB 接口或者从系统检测电路(如 USB PHY 器件)中获取结果。该器件符合 USB 2.0 和 USB 3.0 电源规范,具有输入电流和电压调节功能。

此器件在无需软件控制情况下启动并完成一个充电周期。它感应电池电压并通过三个阶段为电池充电:预充电、恒定电流和恒定电压。在充电周期的末尾,当充电电流低于预设限值并且电池电压高于再充电阈值时,充电器自动终止。如果已完全充电的电池降至再充电阈值以下,则充电器自动启动另一个充电周期。

此充电器提供针对电池充电和系统运行的多种安全 特性, 其中包括充电安全计时器以及过压和过流保护。当结温超过 110°C(可编程)时,热调节会减小充电电流。STAT 输出报告充电状态和任何故障状况。其他安全 特性 包括热调节和热关断以及输入 UVLO 和过压保护。VBUS_GD 位指示电源是否正常。当发生故障时,INT 输出会立即通知主机。

这些器件采用 30 个焊球、2.0mm × 2.4mm WCSP 封装。

  • 在双充电器操作下,并联充电器提供快速充电
  • 高效 1.5MHz 同步开关模式降压充电器
    • 在 2A 电流(5V 输入)下具有 92% 的充电效率
    • 针对 USB 电压输入 (5V) 进行了优化
    • 用于轻负载运行的低功耗脉冲频率调制 (PFM) 模式
  • 单个输入,支持 USB 输入和高压适配器
    • 支持 3.9V 至 13.5V 输入电压范围,绝对最大输入电压额定值为 22V
    • 可编程输入电流限制(100mA 至 3.2A,分辨率为 100mA),支持 USB2.0、USB3.0 标准和高压适配器 (IINDPM)
    • 通过高达 5.4V 的输入电压限制 (VINDPM) 进行最大功率跟踪
    • VINDPM 阈值自动跟踪电池电压
  • 采用 19.5mΩ 充电电流感应 MOSFET 实现高充电效率
  • 窄 VDC (NVDC) 电源路径管理
    • 无需电池或深度放电的电池即可瞬时启动
    • 电池充电模式下的理想二极管运行
  • 灵活的自主和 I2C 模式,可实现最优系统性能
  • 高集成度,包括所有 MOSFET、电流感应和环路补偿
  • 17µA 低电池泄漏电流
  • 高精度
    • ±0.5% 充电电压调节
    • ±5% 1.5A 充电电流调节
    • ±6% 1.38A 充电电流调节
    • ±10% 0.9A 输入电流调节
    • 用于快速充电的远程电池感应
Number of series cells1
Charge current (max) (A)3
Vin (max) (V)13.5
Cell chemistryLi-Ion/Li-Polymer
Battery charge voltage (min) (V)3.856
Battery charge voltage (max) (V)4.624
Absolute max Vin (max) (V)22
Control topologySwitch-Mode Buck
Control interfaceI2C
FeaturesIC thermal regulation, IINDPM (Input current limit), Input OVP, Power Path, VINDPM (Input voltage threshold to maximize adaptor power)
Vin (min) (V)3.9
RatingCatalog
Operating temperature range (°C)-40 to 85
DSBGA (YFF)305.71999999999999912 mm² 2.2 x 2.5999999999999996
产品购买
  • 商品型号
  • 封装
  • 工作温度
  • 包装
  • 价格
  • 现货库存
  • 操作
10s
温馨提示:
订单商品问题请移至我的售后服务提交售后申请,其他需投诉问题可移至我的投诉提交,我们将在第一时间给您答复
返回顶部