h1_key

TI(德州仪器) LP5569
德州仪器 (TI) 全系列产品在线购买
  • TI(德州仪器) LP5569
  • TI(德州仪器) LP5569
  • TI(德州仪器) LP5569
  • TI(德州仪器) LP5569
  • TI(德州仪器) LP5569
  • TI(德州仪器) LP5569
立即查看
您当前的位置: 首页 > 电源管理 > LED 驱动器 > RGB LED 驱动器 > LP5569
LP5569

LP5569

正在供货

带引擎控制和电荷泵的九通道 I2C RGB LED 驱动器

产品详情
  • 说明
  • 特性
  • 参数
  • 封装 | 引脚 | 尺寸

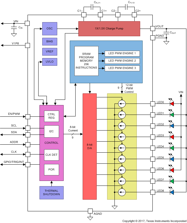
LP5569 器件是一款可编程、易于使用的 9 通道 I2C LED 驱动器,用于为各种 应用制造灯光效果。LED 驱动器配备了一个用于存储用户编程的序列的内部 SRAM 存储器,以及三个允许在无处理器控制的情况下运行的可编程 LED Engines。将处理器置于睡眠模式时,自主运行可以降低系统功耗。

高效电荷泵支持通过高 VF(甚至通过 2.5V 输入电压)驱动 LED。LP5569 LED 驱动器可以根据 LED 正向电压要求自主选择最佳的电荷泵增益,从而在宽工作电压范围内保持高效率。

当 LED 未激活时,LP5569 器件进入省电模式,从而显著降低空闲电流消耗。灵活的数字接口允许连接多达八个 LP5569 器件,每个器件在同一系统中具有唯一的 I2C 从器件地址,从而支持所有器件之间的灯光效果同步。

  • 电源电压范围:2.5V–5.5V
  • 九个高精度电流源
    • 每个通道最大 25.5mA
    • 8 位独立的电流控制
    • 12 位 20kHz 内部单独 PWM 控制(无音频噪声)
  • 三个可编程 LED Engines
    • 独立照明控制(无有源微控制器控制)
    • 在多个器件之间实现同步
    • SRAM 存储器中具有多达 256 条指令,用于存储照明图案序列
    • 与 LP5523 和 LP55231 器件兼容的命令集
  • 灵活的调光控制
    • I2C 调光控制
    • PWM 直接输入调光
    • PWM 输入频率:100Hz 至 20kHz
  • 用于通过低电池电压驱动高 VF LED 的自适应高效电荷泵控制
  • 主增益调节器控制通过仅对一个寄存器进行写入来对多个 LED 进行调光,从而降低 I2C 总线流量
  • 2µA 低待机电流,在自动省电模式下为 10µA(当 LED 不活动时)
  • POR、UVLO 和 TSD 保护
Number of channels9
LED current per channel (mA)22.5
LED configurationParallel
Program memoryYes
TopologyCharge pump, Current Sink
Programmable ramp controlYes
Vin (min) (V)2.5
Vin (max) (V)5.5
Iout (max) (A)0.23
FeaturesAnalog/PWM mixed dimming, Constant current, Current control, Direct PWM dimming, I2C control, Power-save mode, Programmable lighting engines
Iq (typ) (mA)0.002
Shutdown current (ISD) (typ) (µA)0.2
Operating temperature range (°C)-40 to 85
RatingCatalog
WQFN (RTW)2416 mm² 4 x 4
产品购买
  • 商品型号
  • 封装
  • 工作温度
  • 包装
  • 价格
  • 现货库存
  • 操作
10s
温馨提示:
订单商品问题请移至我的售后服务提交售后申请,其他需投诉问题可移至我的投诉提交,我们将在第一时间给您答复
返回顶部