h1_key

TI(德州仪器) LM36010
德州仪器 (TI) 全系列产品在线购买
  • TI(德州仪器) LM36010
  • TI(德州仪器) LM36010
  • TI(德州仪器) LM36010
  • TI(德州仪器) LM36010
  • TI(德州仪器) LM36010
  • TI(德州仪器) LM36010
立即查看
您当前的位置: 首页 > 电源管理 > LED 驱动器 > 照明 LED 驱动器 > LM36010
LM36010

LM36010

正在供货

LM36010 同步升压 LED 闪光灯驱动器

产品详情
  • 说明
  • 特性
  • 参数
  • 封装 | 引脚 | 尺寸

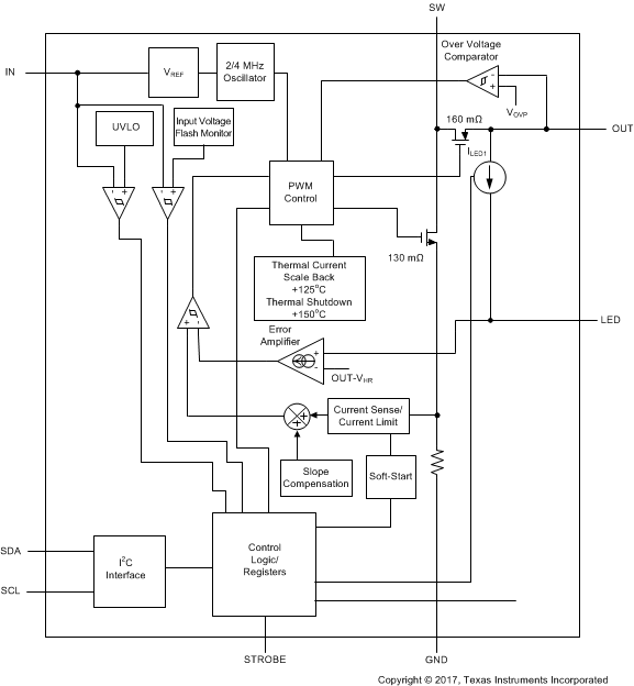
LM36010 是一款超小型 LED 闪光灯驱动器,具有高度可调节性。总解决方案尺寸为 7mm2,可提供高达 1.5A 的 LED 闪光灯电流或高达 376mA 的手电筒电流。

该器件采用 2MHz 或 4MHz 固定频率的同步升压转换器为 1.5A 恒定电流 LED 源供电。自适应调节方法可在闪光灯模式下将电流控制在 11mA 至 1.5A 的范围内,或在手电筒模式下将电流控制在 2.4mA 至 376mA 的范围内,因此可确保电流源保持可调节状态,并可最大限度地提高效率。

LM36010 的特性由与 I2C 兼容的接口控制。这些 特性 包括:硬件闪光灯 (STROBE) 以及适用于闪光灯和影片模式(手电筒)的 128 级可编程电流。该器件的开关频率为 2MHz 或 4MHz,具备过压保护 (OVP) 和可调节限流功能,因此可使用微型超薄电感器和陶瓷电容器。该器件可在 -40°C 至 +85°C 的环境温度范围下工作。

  • 精确且可编程 LED 电流
    • 闪光灯/IR 电流范围:11mA 至 1.5A(128 个级别)
    • 手电筒电流范围:2.4mA 至 376mA(128 个级别)
  • 闪光灯超时时间长达 1.6 秒
  • 优化了低电池电量条件下的闪光灯 LED 电流 (IVFM)
  • LED 阴极对地短路运行以提高热管理
  • 较小的总体解决方案尺寸:< 7mm2
  • 硬件闪光灯使能 (STROBE)
  • 输入电压范围:2.5V 至 5.5V
  • 400kHz I2C 兼容接口
    • I2C 地址 = 0x64
Input voltage typeDC/DC
TopologyBoost, current mode
Vin (min) (V)2.5
Vin (max) (V)5.5
Vout (max) (V)5.5
Vout (min) (V)2.5
Iout (max) (A)1.5
Iq (typ) (mA)0.3
FeaturesI2C control, IR Mode, OVP, Synchronous Rectification
Operating temperature range (°C)-40 to 85
Dimming methodAnalog, PWM
Number of channels1
RatingCatalog
DSBGA (YKB)81.251775 mm² 1.555 x 0.805
产品购买
  • 商品型号
  • 封装
  • 工作温度
  • 包装
  • 价格
  • 现货库存
  • 操作
10s
温馨提示:
订单商品问题请移至我的售后服务提交售后申请,其他需投诉问题可移至我的投诉提交,我们将在第一时间给您答复
返回顶部