h1_key

TI(德州仪器) LM25145
德州仪器 (TI) 全系列产品在线购买
  • TI(德州仪器) LM25145
  • TI(德州仪器) LM25145
  • TI(德州仪器) LM25145
  • TI(德州仪器) LM25145
  • TI(德州仪器) LM25145
  • TI(德州仪器) LM25145
立即查看
您当前的位置: 首页 > 电源管理 > 直流/直流开关稳压器 > 降压稳压器 > LM25145
LM25145

LM25145

正在供货

具有宽占空比范围的 6V 至 42V 同步降压直流/直流控制器

产品详情
  • 说明
  • 特性
  • 参数
  • 封装 | 引脚 | 尺寸

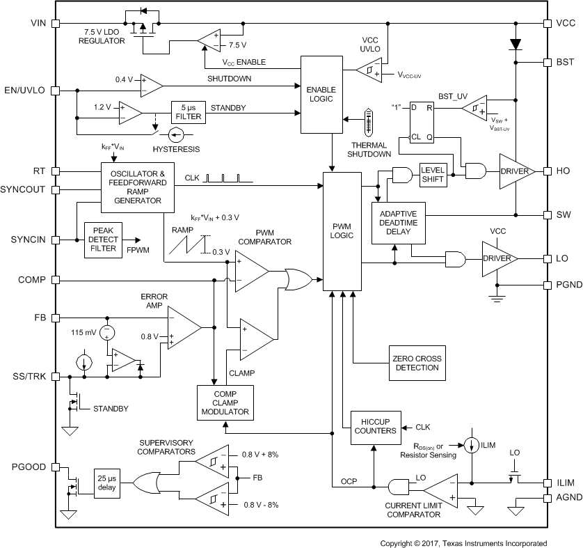
LM25145 42V 同步降压控制器旨在对会发生高压瞬变的高输入电压源或输入电源轨的电压进行调节,从而最大限度地减少对外部浪涌抑制组件的需求。40ns 的高侧开关最短导通时间有助于获得较大的降压比,支持从 24V 标称输入到低电压轨的直接降压转换,从而降低系统的复杂性并减少解决方案成本。LM25145 在输入电压突降至 6V 时,仍能根据需要以接近 100% 的占空比继续工作,因此非常适用于高性能工业控制、机器人、数据通信和射频功率放大器 应用。

强制 PWM (FPWM) 模式运行可以消除频率变化以最大程度地降低 EMI,而用户可选的二极管仿真功能则可以降低轻负载条件下的电流消耗。逐周期过流保护可通过测量低侧 MOSFET 上的压降或使用可选电流感应电阻器来实现。高达 1MHz 的可调开关频率可同步至外部时钟源,以消除噪声敏感应用中的 拍频。

LM25145 电压模式控制器使用适用于标准阈值 MOSFET 的可靠的 7.5V 栅极驱动器驱动外部高侧和低侧 N 通道电源开关。具有 2.3A 拉电流和 3.5A 灌电流能力的自适应定时栅极驱动器可在开关切换期间最大限度地减少体二极管导通,从而降低在以高输入电压和高频率驱动 MOSFET 时的开关损耗并提高热性能。LM25145 可从开关稳压器的输出或其他可用的源供电,从而进一步提高效率。

180° 异相时钟输出(相对于内部振荡器的同步输出)非常适用于级联或多通道电源,可降低输入电容器纹波电流和 EMI 滤波器尺寸。其他 的 LM25145 功能还包括可配置软启动、用于故障报告和输出监控的漏极开路电源正常监控、单调启动至预偏置负载、集成 VCC 偏置电源稳压器和自举二极管、外部电源跟踪、针对可调线路欠压锁定 (UVLO) 且具有迟滞的精密使能端输入、间断模式过载保护和带自动恢复的热关断保护。

LM25145 控制器采用 3.5mm × 4.5mm 热增强型 20 引脚 VQFN 封装,并为高电压引脚和可湿性侧面留出额外间距,以便对焊锡接点填角焊缝进行光学检测。

  • 多功能同步降压直流/直流控制器
    • 宽输入电压范围为 6V 至 42V
    • 可调节输出电压范围为 0.8V 至 40V
  • 符合 EN55022/CISPR 22 EMI 标准
  • 无损 RDS(on) 或分流电流感应
  • 开关频率范围为 100kHz 至 1MHz
    • 同步输入和同步输出能力
  • 40ns 最短导通时间,可实现高 VIN/VOUT 比率
  • 140ns 最短关闭时间,以实现低压差
  • 具有 ±1% 反馈精度的 0.8V 基准
  • 适用于标准 VTH MOSFET 的 7.5V 栅极驱动器
    • 14ns 自适应死区时间控制
    • 2.3A 拉电流和 3.5A 灌电流能力
    • 针对预偏置启动的低侧软启动
  • 可调软启动或可选电压跟踪
  • 快速线路和负载瞬态响应
    • 具有线路前馈的电压模式控制
    • 高增益带宽误差放大器
  • 精密使能端输入和漏极开路电源正常指示器(用于排序和控制)
  • 固有保护 特性 可实现稳健设计
    • 间断模式过流保护
    • 具有迟滞的输入 UVLO
    • VCC 和栅极驱动 UVLO 保护
    • 具有迟滞的热关断保护
  • 具有可湿性侧面的 VQFN-20 封装
  • 使用 LM25145 并借助 WEBENCH® 电源设计器创建定制设计
Vin (min) (V)6
Vin (max) (V)42
Vout (min) (V)0.8
Vout (max) (V)40
Iout (max) (A)30
Iq (typ) (mA)1.8
Switching frequency (min) (kHz)100
Switching frequency (max) (kHz)1000
FeaturesAdjustable current limit, Enable, Frequency synchronization, Light Load Efficiency, Power good, Pre-Bias Start-Up, Synchronous Rectification, Tracking, UVLO adjustable
Operating temperature range (°C)-40 to 125
Regulated outputs (#)1
Number of phases1
RatingCatalog
Control modeVoltage mode
TypeController
VQFN (RGY)2015.75 mm² 4.5 x 3.5
产品购买
  • 商品型号
  • 封装
  • 工作温度
  • 包装
  • 价格
  • 现货库存
  • 操作
10s
温馨提示:
订单商品问题请移至我的售后服务提交售后申请,其他需投诉问题可移至我的投诉提交,我们将在第一时间给您答复
返回顶部