h1_key

TI(德州仪器) TPS2373
德州仪器 (TI) 全系列产品在线购买
  • TI(德州仪器) TPS2373
  • TI(德州仪器) TPS2373
  • TI(德州仪器) TPS2373
  • TI(德州仪器) TPS2373
  • TI(德州仪器) TPS2373
  • TI(德州仪器) TPS2373
立即查看
您当前的位置: 首页 > 电源管理 > 以太网供电 (PoE) IC > 供电设备 > TPS2373
TPS2373

TPS2373

正在供货

具有高级启动功能的 IEEE 802.3bt PoE 高功率 PD 接口

产品详情
  • 说明
  • 特性
  • 参数
  • 封装 | 引脚 | 尺寸

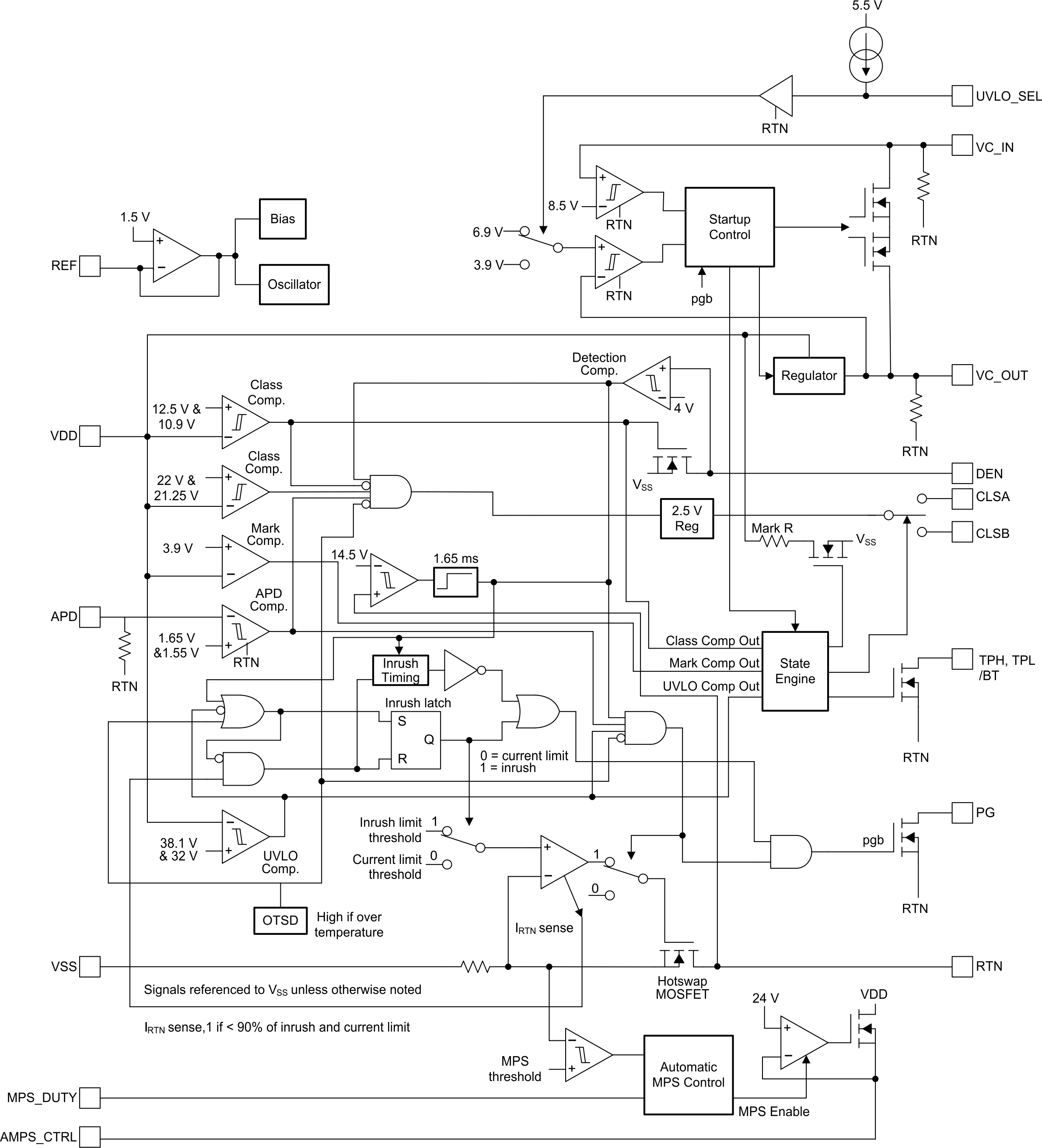
TPS2373 具有实现 IEEE802.3at 或 IEEE802.3bt(草案)(1-4 类)用电设备 (PD) 所需的所有 特性 。低内部开关电阻可让 TPS2373-4 和 TPS2373-3 分别支持高达 90W 和 60W 的高功率 应用 。使用 100 米 CAT5 线缆的情况下,这相当于 PD 输入端为 71.3W 和 51W。

TPS2373 具有高级 特性。

直流/直流转换器的高级启动功能可带来简单、灵活和最小系统成本的解决方案,同时确保符合 IEEE802.3bt(草案)启动要求。这有助于大大减小低压偏置电容器的尺寸。此外还能让直流/直流转换器具有较长的软启动周期,并支持使用低压 PWM 控制器。

自动 MPS 功能支持多种需要极低功耗待机模式的 应用 。TPS2373 自动产生必要的脉冲电流来维持 PSE 电源。此器件使用外部电阻来实现该功能以及对 MPS 脉冲电流幅度进行编程。

  • 适用于 3 类或 4 类 PoE 的 IEEE 802.3bt(草案)PD 解决方案
  • 支持 4 类 ( TPS2373-4) 90W 和 3 类 ( TPS2373-3) 60W 工作功率
  • 可靠的 100V 热插拔 MOSFET
    • TPS2373-4(典型值):0.1Ω,2.2A 电流限制
    • TPS2373-3(典型值):0.3Ω,1.85A 电流限制
  • 分配了电源指示灯输出
  • 直流/直流转换器高级启动功能
    • 简化下游直流/直流转换器设计
    • 符合 PSE 浪涌要求
  • 自动维持功率特性(MPS)
    • 自动调节 1-2 类或 3-4 类 PSE 的 MPS
    • 支持超低功耗待机模式
  • 主适配器优先级输入
  • 支持 PoE++ PSE
  • 结温范围为 -40°C 至 125°C
  • 20 引脚 VQFN 封装
Vin (min) (V)8
Vin (max) (V)57
PoE current limit (min) (mA)1550, 1900
PoE inrush limit (mA) (typ) (A)0.2, 0.335, 200, 335
rDS(on) per FET (typ) (mΩ)100, 300
PoE standards supported802.3bt Type 3, 802.3bt Type 4
PD power level13W, 25W, 51W, 71W
DC/DC controlPD Only
Fault responseAuto Retry
FeaturesAdapter priority, Advanced startup, Automatic MPS, Non-standard POE++ compatible, PG, Primary Side Adapter Priority, Primary-side adapter priority, Programmable UVLO, Thermal shutdown
Operating temperature range (°C)-40 to 125
RatingCatalog
VQFN (RGW)2025 mm² 5 x 5
产品购买
  • 商品型号
  • 封装
  • 工作温度
  • 包装
  • 价格
  • 现货库存
  • 操作
10s
温馨提示:
订单商品问题请移至我的售后服务提交售后申请,其他需投诉问题可移至我的投诉提交,我们将在第一时间给您答复
返回顶部