h1_key

TI(德州仪器) BQ40Z50-R2
德州仪器 (TI) 全系列产品在线购买
  • TI(德州仪器) BQ40Z50-R2
  • TI(德州仪器) BQ40Z50-R2
  • TI(德州仪器) BQ40Z50-R2
  • TI(德州仪器) BQ40Z50-R2
  • TI(德州仪器) BQ40Z50-R2
  • TI(德州仪器) BQ40Z50-R2
立即查看
您当前的位置: 首页 > 电源管理 > 电池管理 IC > 电池电量监测 > BQ40Z50-R2
BQ40Z50-R2

BQ40Z50-R2

正在供货

支持涡轮模式 2.0 的 1 至 4 节串联锂离子电池包管理器

产品详情
  • 说明
  • 特性
  • 参数
  • 封装 | 引脚 | 尺寸

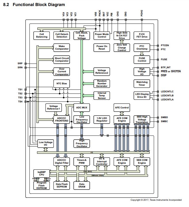
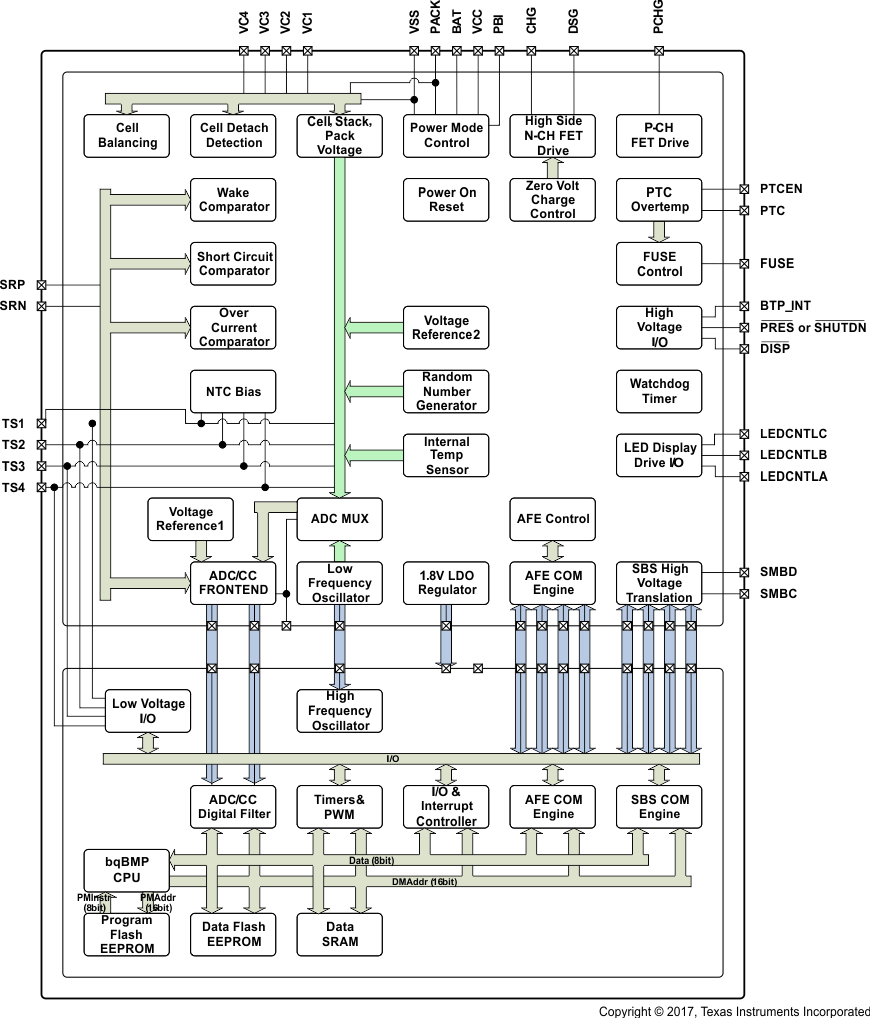
BQ40Z50-R2 器件采用已获专利的 Impedance Track™ 技术,是一个全集成、单芯片、基于电池组的解决方案,可为 1 节、2 节、3 节和 4 节串联锂离子和锂聚合物电池组提供电量监测、保护和认证等各种特性。

BQ40Z50-R2 器件利用其集成的高性能模拟外设,测量锂离子或锂聚合物电池的可用容量、电压、电流、温度和其他关键参数,保留准确的数据记录,并通过 SMBus v1.1 兼容接口将这些信息报告给系统主机控制器。

  • 完全集成的 1 节、2 节、3 节和 4 节串联锂离子或锂聚合物电池组管理器和保护
  • 获得专利的新一代 Impedance Track™ 技术可准确测量锂离子和锂聚合物电池中的可用电量
  • 高侧 N 沟道保护 FET 驱动器
  • 充电或者静止状态时具有集成的电池平衡功能
  • 适合于 100mAh 和 29Ah 之间的电池
  • 全面的可编程保护功能
    • 电压
    • 电流
    • 温度
    • 充电终止时间
    • CHG/DSG FET
    • 模拟前端 (AFE)
  • 精密的充电算法
    • JEITA
    • 增强型充电
    • 自适应充电
    • 电池均衡
  • 支持涡轮模式 2.0
  • 支持电池跳闸点 (BTP)
  • 诊断使用寿命数据监控器和黑盒记录器
  • LED 显示屏
  • 支持双线制 SMBus v1.1 接口
  • 安全散列算法 (SHA-1) 认证
  • IATA 支持
  • 紧凑型封装:32 引线 QFN (RSM)
Cell chemistryLi-Ion/Li-Polymer, LiFePO4
Number of series cells2-4 Cells, Single Cell
Communication interfaceSMBus
Battery capacity (min) (mAh)100
Battery capacity (max) (mAh)65000
ImplementationPack
External capacity indicationLED
FeaturesCell balancing, Impedance Track™ algorithm, Integrated Protector, SHA-1 Authentication, Turbo Mode
Operating temperature range (°C)-40 to 85
Cell balancingExternal, Internal
RatingCatalog
VQFN (RSM)3216 mm² 4 x 4
产品购买
  • 商品型号
  • 封装
  • 工作温度
  • 包装
  • 价格
  • 现货库存
  • 操作
10s
温馨提示:
订单商品问题请移至我的售后服务提交售后申请,其他需投诉问题可移至我的投诉提交,我们将在第一时间给您答复
返回顶部