h1_key

TI(德州仪器) TPS7A85A
德州仪器 (TI) 全系列产品在线购买
  • TI(德州仪器) TPS7A85A
  • TI(德州仪器) TPS7A85A
  • TI(德州仪器) TPS7A85A
  • TI(德州仪器) TPS7A85A
  • TI(德州仪器) TPS7A85A
  • TI(德州仪器) TPS7A85A
立即查看
您当前的位置: 首页 > 电源管理 > 线性和低压降 (LDO) 稳压器 > TPS7A85A
TPS7A85A

TPS7A85A

正在供货

具有电源正常指示功能的 4A、低输入电压 (1.1V)、低噪声、高精度、超低压降稳压器

产品详情
  • 说明
  • 特性
  • 参数
  • 封装 | 引脚 | 尺寸

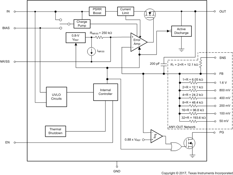
The TPS7A85A is a low-noise (4.4 µVRMS), low dropout linear regulator (LDO) capable of sourcing 4 A with only 240 mV of maximum dropout. The device output voltage is pin-programmable from 0.8 V to 3.95 V and adjustable from 0.8 V to 5.1 V using an external resistor divider.

The combination of low-noise (4.4 µVRMS), high- PSRR, and high output current capability makes the TPS7A85A ideal to power noise-sensitive components such as those found in high-speed communications, video, medical, or test and measurement applications. The high performance of the TPS7A85A limits power-supply-generated phase noise and clock jitter, making this device ideal for powering high-performance serializer and deserializer (SerDes), analog-to-digital converters (ADCs), digital-to-analog converters (DACs), and RF components. Specifically, RF amplifiers benefit from the high-performance and 5.1-V output capability of the device.

For digital loads (such as application-specific integrated circuits (ASICs), field-programmable gate arrays (FPGAs), and digital signal processors (DSPs)) requiring low-input voltage, low-output (LILO) voltage operation, the exceptional accuracy (0.75% over load and temperature), remote sensing, excellent transient performance, and soft-start capabilities of the TPS7A85A ensure optimal system performance.

The versatility of the TPS7A8500A makes the device a component of choice for many demanding applications.

  • Low Dropout: 150 mV (Typical) at 4 A
  • 0.75% (Maximum) Accuracy Over Line, Load, and Temperature With BIAS
  • Output Voltage Noise:
    • 4.4 µVRMS at 0.8-V Output
    • 7.7 µVRMS at 5.1-V Output
  • Input Voltage Range:
    • Without BIAS: 1.4 V to 6.5 V
    • With BIAS: 1.1 V to 6.5 V
  • ANY-OUT™ Operation:
    • Output Voltage Range: 0.8 V to 3.95 V
  • Adjustable Operation:
    • Output Voltage Range: 0.8 V to 5.1 V
  • Power-Supply Ripple Rejection:
    • 40 dB at 500 kHz
  • Excellent Load Transient Response
  • Adjustable Soft-Start In-Rush Control
  • Open-Drain Power-Good (PG) Output
  • Stable with a 47-µF or Larger Ceramic Output Capacitor
  • θJC = 3.4°C/W
  • 3.5-mm × 3.5-mm, 20-Pin VQFN
Output optionsAdjustable Output, Fixed Output
Iout (max) (A)4
Vin (max) (V)6.5
Vin (min) (V)1.1
Vout (max) (V)5.1
Vout (min) (V)0.8
Noise (µVrms)4.4
Iq (typ) (mA)2.8
Thermal resistance θJA (°C/W)43
RatingCatalog
Load capacitance (min) (µF)47
Regulated outputs (#)1
FeaturesEnable, Foldback Overcurrent protection, Output discharge, Power good, Soft start
Accuracy (%)0.75
PSRR at 100 KHz (dB)25
Dropout voltage (Vdo) (typ) (mV)150
Operating temperature range (°C)-40 to 125
VQFN (RGR)2012.25 mm² 3.5 x 3.5
产品购买
  • 商品型号
  • 封装
  • 工作温度
  • 包装
  • 价格
  • 现货库存
  • 操作
10s
温馨提示:
订单商品问题请移至我的售后服务提交售后申请,其他需投诉问题可移至我的投诉提交,我们将在第一时间给您答复
返回顶部