h1_key

TI(德州仪器) BQ25703A
德州仪器 (TI) 全系列产品在线购买
  • TI(德州仪器) BQ25703A
  • TI(德州仪器) BQ25703A
  • TI(德州仪器) BQ25703A
  • TI(德州仪器) BQ25703A
  • TI(德州仪器) BQ25703A
  • TI(德州仪器) BQ25703A
立即查看
您当前的位置: 首页 > 电源管理 > 电池管理 IC > 电池充电器 IC > BQ25703A
BQ25703A

BQ25703A

正在供货

具有系统功率监控器和处理器的 I2C 1 至 4 节 NVDC 降压/升压电池充电控制器

产品详情
  • 说明
  • 特性
  • 参数
  • 封装 | 引脚 | 尺寸

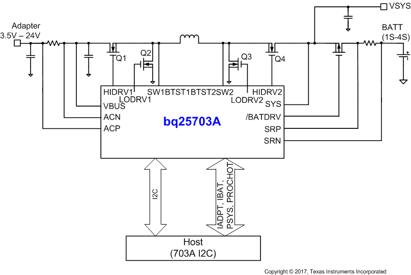
bq25703A 是一种同步 NVDC 电池降压/升压充电控制器,为空间受限的多化合物电池充电应用提供了组件数量少的高效 解决方案。

NVDC-1 配置可将系统电压稳定在电池电压范围内,但不会低于系统最小电压。即便在电池完全放电或被取出时,系统也仍会继续工作。当负载功率超过输入源额定值时,电池会进入补电模式并防止系统崩溃。

The bq25703A 从 USB 适配器、高电压 USB PD 源和传统适配器等各种输入源为电池充电。

在加电期间,充电器基于输入源和电池状况,将转换器设置为降压、升压或降压/升压配置。充电器自动在降压、升压、降压/升压配置间转换,无需主机控制。

在无输入源的情况下,bq25703A 可通过 1 到 4 节电池支持 On-the-Go (OTG) 功能,从而在 VBUS 上生成 4.48V 至 20.8V 电压。在 OTG 模式下,充电器调节输出电压和输出电流。

bq25703A 可监控适配器电流、电池电流和系统功率。灵活编程的 PROCHOT 输出直达 CPU,可根据需要降低其频率。

  • 从各种输入源为 1 至 4 节电池充电
    • 3.5V 至 24V 输入工作电压
    • 支持 USB 2.0、USB 3.0、USB 3.1 (Type-C) 和 USB_PD 输入电流设置
    • 在降压和升压操作之间进行无缝转换
    • 提供输入电流和电压调节(IDPM 和 VDPM)以防电源过载
  • 用于 CPU 节流的功率/电流监控器
    • 综合 PROCHOT 设置,符合 IMVP8
    • 输入和电池电流监控器
    • 系统功率监控器,符合 IMVP8
  • 窄 VDC (NVDC) 电源路径管理
    • 无需电池或使用深度放电的电池亦可瞬时启动
    • 适配器满载时,电池可为系统补充电量
  • 从电池给 USB 端口加电 (USB OTG)
    • 输出 4.48V 至 20.8V 与 USB PD 兼容
    • 输出电流限制高达 6.35A
  • 用于 1µH 至 3.3µH 电感器的 800kHz 或 1.2MHz 可编程开关频率
  • 可通过主机控制接口实现灵活系统配置
    • I2C (bq25703A) 端口用于优化系统性能和状态报告
    • 硬件引脚可用于设置输入电流限制,无需 EC 控制
  • 集成型 ADC 可监控电压、电流和功率
  • 高精度调节和监控
    • ±0.5% 充电电压调节
    • ±2% 输入/充电电流调节
    • ±2% 输入/充电电流监控
    • ±5% 功率监控器
  • 安全性
    • 热关断
    • 输入、系统、电池过电压保护
    • MOSFET 电感过流保护
  • 低电池静态电流
  • 输入电流优化器 (ICO) 可获取最大输入功率
  • 为任意化学电池充电:Li+、LiFePO4、镍镉、镍氢、铅酸
  • 封装:32 引脚 4 x 4 WQFN
Number of series cells1, 2, 3, 4
Charge current (max) (A)8.128
Vin (max) (V)24
Cell chemistryLead Acid, Li-Ion/Li-Polymer, Lithium Phosphate/LiFePO4, NiCd, NiMH, SuperCap
Battery charge voltage (min) (V)1.024
Battery charge voltage (max) (V)19.2
Absolute max Vin (max) (V)30
Control topologySwitch-Mode Buck-boost
Control interfaceI2C
FeaturesIC thermal regulation, ICO (Input Current Optimization), IINDPM (Input current limit), Input OVP, Integrated ADC, Power Path, Solar input/MPPT, USB C/PD compatible, USB OTG integrated, VINDPM (Input voltage threshold to maximize adaptor power)
Vin (min) (V)3.5
RatingCatalog
Operating temperature range (°C)-40 to 85
WQFN (RSN)3216 mm² 4 x 4
产品购买
  • 商品型号
  • 封装
  • 工作温度
  • 包装
  • 价格
  • 现货库存
  • 操作
10s
温馨提示:
订单商品问题请移至我的售后服务提交售后申请,其他需投诉问题可移至我的投诉提交,我们将在第一时间给您答复
返回顶部