h1_key

TI(德州仪器) TPS3851-Q1
德州仪器 (TI) 全系列产品在线购买
  • TI(德州仪器) TPS3851-Q1
  • TI(德州仪器) TPS3851-Q1
  • TI(德州仪器) TPS3851-Q1
  • TI(德州仪器) TPS3851-Q1
  • TI(德州仪器) TPS3851-Q1
  • TI(德州仪器) TPS3851-Q1
立即查看
您当前的位置: 首页 > 电源管理 > 监控器和复位 IC > TPS3851-Q1
TPS3851-Q1

TPS3851-Q1

正在供货

具有集成看门狗计时器的汽车类高精度电压监控器

产品详情
  • 说明
  • 特性
  • 参数
  • 封装 | 引脚 | 尺寸

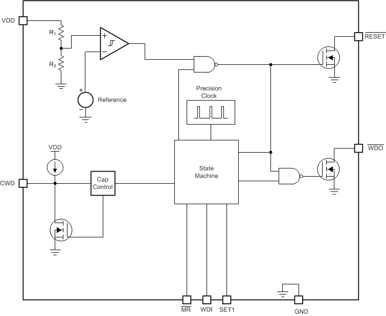
TPS3851-Q1 器件结合了精密电压监控器和可编程看门狗计时器。TPS3851-Q1 比较器在 VDD 引脚上可针对欠压 (VITN) 阈值实现 0.8% 的精度(–40°C 至 +125°C)。TPS3851-Q1 还包含与欠压阈值相关的高精度迟滞,因此成为小容差系统的理想之选。该监控器的 RESET 延迟具备 15% 精度、高精密延迟时间。

TPS3851-Q1 包含可编程窗口看门狗计时器,广泛适用于各种应用。专用看门狗输出 (WDO) 有助于提高分辨率,从而帮助确定出现故障情况的根本原因。看门狗超时可通过外部电容编程,也可以采用工厂编程的默认延迟设置。可通过逻辑引脚禁用看门狗,避免在开发过程中出现意外的看门狗超时。

TPS3851-Q1 采用小型 3.00mm × 3.00mm、8 引脚 VSON 封装。TPS3851-Q1 具有可湿性侧面,可轻松进行光学检查。

  • 具有符合 AEC-Q100 标准的下列特性:
    • 器件温度等级 1:-40°C 至 125°C 环境工作温度范围
    • 器件 HBM ESD 分类等级 2
    • 器件 CDM ESD 分类等级 C4B
  • 提供功能安全
    • 可帮助进行功能安全系统设计的文档
  • 输入电压范围:VDD = 1.6 V 至 6.5 V
  • 0.8% 电压阈值精度
  • 低电源电流:IDD = 10µA(典型值)
  • 用户可编程看门狗超时
  • 出厂编程的精密看门狗和复位计时器:
  • 手动复位输入 (MR)
  • 开漏输出
  • 高精度欠压监控:
    • 支持 1.8 V 到 5.0V 常见电压轨
    • 支持 4% 和 7% 欠压阈值
    • 0.5% 迟滞
  • 看门狗禁用功能
  • 采用小型 3mm × 3mm 8 引脚 VSON 封装
Number of supplies monitored1
Threshold voltage 1 (typ) (V)1.8, 2.5, 3, 3.3, 5
FeaturesManual reset capable, Timeout watchdog, Undervoltage monitor only, Watchdog disable, Watchdog timer
Reset threshold accuracy (%)0.8
Iq (typ) (mA)0.01
Output driver type/reset outputActive-low, Open-drain
Time delay (ms)200
Supply voltage (min) (V)1.6
Supply voltage (max) (V)6.5
TI functional safety categoryFunctional Safety-Capable
RatingAutomotive
Watchdog timer WDI (s)Programmable
Operating temperature range (°C)-40 to 125
VSON (DRB)89 mm² 3 x 3
产品购买
  • 商品型号
  • 封装
  • 工作温度
  • 包装
  • 价格
  • 现货库存
  • 操作
10s
温馨提示:
订单商品问题请移至我的售后服务提交售后申请,其他需投诉问题可移至我的投诉提交,我们将在第一时间给您答复
返回顶部