h1_key

TI(德州仪器) LM5141
德州仪器 (TI) 全系列产品在线购买
  • TI(德州仪器) LM5141
  • TI(德州仪器) LM5141
  • TI(德州仪器) LM5141
  • TI(德州仪器) LM5141
  • TI(德州仪器) LM5141
  • TI(德州仪器) LM5141
立即查看
您当前的位置: 首页 > 电源管理 > 直流/直流开关稳压器 > 降压稳压器 > LM5141
LM5141

LM5141

正在供货

低 Iq、宽输入范围同步降压控制器

产品详情
  • 说明
  • 特性
  • 参数
  • 封装 | 引脚 | 尺寸

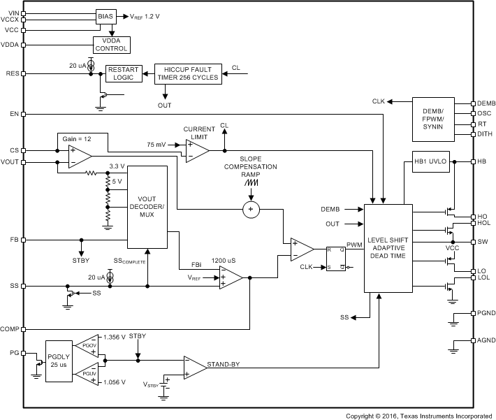
LM5141 是一款同步降压转换器,适用于高电压宽输入电压的降压转换器 。此控制方法基于峰值电流模式控制。电流模式控制可提供内部线路前馈、逐周期电流限制和简化的环路补偿。LM5141 具有 压摆率控制功能,能够轻松满足 EMI 要求。

LM5141 有两种开关频率可选:2.2MHz 和 440kHz。栅极驱动器具有压摆率控制功能,可通过调整来降低 EMI。

在轻负载或无负载条件下,LM5141 通过在跳周期模式下运行来提升轻载效率。LM5141 具备能够自动切换至外部偏置电源的高电压偏置稳压器,可以降低来自 VIN 的 IQ 电流。其他特性 包括频率同步、逐周期电流限制、针对持续过载条件的断续模式故障保护以及电源正常输出。

  • –40ºC 至 +125ºC 的环境工作温度范围
  • AEC-Q100 合格器件
  • VIN:3.8V 到 65V(70V 最大绝对值)
  • 输出:3.3V 或 5V 的固定电压;
    1.5V - 15V 的可调电压(精度为 ±0.8%)
  • 2.2MHz 或 440kHz 固定开关频率,精度为 ±5%
  • 具有压摆率控制的高侧和低侧栅极驱动器
  • 通过改变模拟电压或 RT 电阻实现可选频移
  • 可选择与外部时钟保持同步
  • 可选扩展频谱
  • 关断模式 IQ:10µA(典型值)
  • 低功耗待机模式 IQ:35µA(典型值)
  • 限流阈值为 75mV,精度为 ±0.9%
  • 外部电阻或 DCR 电流感测
  • 输出使能逻辑输入
  • 针对持续过载条件的断续模式
  • 电源正常指示输出
  • 可选二极管仿真或强制脉冲宽度调制
  • 具有可湿性侧面的薄型四方扁平无引线 (QFN)-24 封装
  • 结合使用 LM5141 和 WEBENCH® 电源设计器创建定制设计
Vin (min) (V)3.8
Vin (max) (V)65
Vout (min) (V)1.5
Vout (max) (V)15
Iout (max) (A)30
Iq (typ) (mA)0.035
Switching frequency (min) (kHz)350
Switching frequency (max) (kHz)2600
EMI featuresSpread Spectrum
FeaturesAdjustable current limit, Enable, Frequency synchronization, Light Load Efficiency, Power good, Pre-Bias Start-Up, Spread Spectrum, Synchronous Rectification, UVLO Fixed
Operating temperature range (°C)-40 to 125
Regulated outputs (#)1
Number of phases1
RatingCatalog
Control modecurrent mode
TypeController
VQFN (RGE)2416 mm² 4 x 4
产品购买
  • 商品型号
  • 封装
  • 工作温度
  • 包装
  • 价格
  • 现货库存
  • 操作
10s
温馨提示:
订单商品问题请移至我的售后服务提交售后申请,其他需投诉问题可移至我的投诉提交,我们将在第一时间给您答复
返回顶部