h1_key

TI(德州仪器) CSD95482RWJ
德州仪器 (TI) 全系列产品在线购买
  • TI(德州仪器) CSD95482RWJ
  • TI(德州仪器) CSD95482RWJ
  • TI(德州仪器) CSD95482RWJ
  • TI(德州仪器) CSD95482RWJ
  • TI(德州仪器) CSD95482RWJ
  • TI(德州仪器) CSD95482RWJ
立即查看
您当前的位置: 首页 > 电源管理 > MOSFET > 功率级 > CSD95482RWJ
CSD95482RWJ

CSD95482RWJ

正在供货

采用行业标准封装的 40A 同步降压 NexFET™ 智能功率级

产品详情
  • 说明
  • 特性
  • 参数
  • 封装 | 引脚 | 尺寸

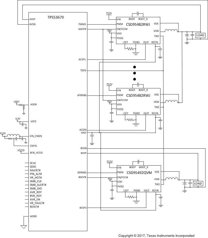
The CSD95482RWJ NexFET™ power stage is a highly optimized design for use in a high-power, high-density synchronous buck converter. This product integrates the driver IC and power MOSFETs to complete the power stage switching function. This combination produces high-current, high-efficiency, and high-speed switching capability in a small 5-mm × 6-mm outline package. It also integrates the accurate current sensing and temperature sensing functionality to simplify system design and improve accuracy. In addition, the PCB footprint has been optimized to help reduce design time and simplify the completion of the overall system design.

  • 40-A Continuous Operating Current Capability
  • Over 93.5% System Efficiency at 20 A
  • High-Frequency Operation (up to 1.25 MHz)
  • Diode Emulation Function
  • Temperature Compensated Bi-Directional Current Sense
  • Analog Temperature Output
  • Fault Monitoring
  • 3.3-V and 5-V PWM Signal Compatible
  • Tri-State PWM Input
  • Integrated Bootstrap Switch
  • Optimized Dead Time for Shoot-Through Protection
  • High-Density QFN 5-mm × 6-mm Footprint
  • Ultra-Low Inductance Package
  • System Optimized PCB Footprint
  • Thermally Enhanced Topside Cooling
  • RoHS Compliant – Lead-Free Terminal Plating
  • Halogen Free
VDS (V)20
Power loss (W)1.6
Ploss current (A)20
ConfigurationPowerStage
ID - continuous drain current at TA=25°C (A)40
Operating temperature range (°C)-55 to 150
FeaturesAnalog temperature output, Diode emulation mode with FCCM, Industry common footprint, Integrated current sense, Ultra-low inductance package
RatingCatalog
VQFN-CLIP (RWJ)4130 mm² 6 x 5
产品购买
  • 商品型号
  • 封装
  • 工作温度
  • 包装
  • 价格
  • 现货库存
  • 操作
10s
温馨提示:
订单商品问题请移至我的售后服务提交售后申请,其他需投诉问题可移至我的投诉提交,我们将在第一时间给您答复
返回顶部