h1_key

TI(德州仪器) TPS650864
德州仪器 (TI) 全系列产品在线购买
  • TI(德州仪器) TPS650864
  • TI(德州仪器) TPS650864
  • TI(德州仪器) TPS650864
  • TI(德州仪器) TPS650864
  • TI(德州仪器) TPS650864
  • TI(德州仪器) TPS650864
立即查看
您当前的位置: 首页 > 电源管理 > 多通道 IC (PMIC) > TPS650864
TPS650864

TPS650864

正在供货

用于 Xilinx MPSoC 和 FPGA 的可配置多轨 PMIC

产品详情
  • 说明
  • 特性
  • 参数
  • 封装 | 引脚 | 尺寸

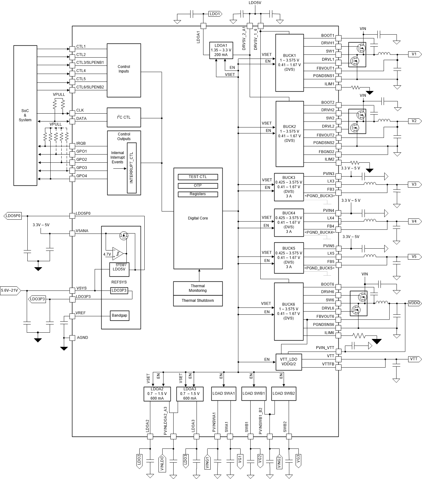
TPS650864 器件系列是一款单芯片电源管理 IC (PMIC),专为 Xilinx Zynq 多处理器片上系统 (MPSoC) 和现场可编程门阵列 (FPGA) 系列而设计。TPS650864 器件的输入电压范围为 5.6V 至 21V,支持广泛的应用(请参阅器件比较表)。该器件适用于壁式供电应用或 2、3、4 节串联锂离子电池包(NVDC 或非 NVDC 电源架构)。有关 5V 输入电源的信息,请参阅典型应用 部分。D-CAP2 和 DCS-Control 高频稳压器采用小型无源器件,用于减小解决方案尺寸。D-CAP2 和 DCS-Control 拓扑具有出色的瞬态响应性能,非常适用于具有快速负载开关的处理器内核和系统内存电压轨。I2C 接口可通过嵌入式控制器 (EC) 或 SoC 进行轻松控制。PMIC 的尺寸为 8mm × 8mm,采用单行 VQFN 封装,所带的散热垫可改善散热功能。

  • 5.6V 至 21V 的宽 VIN 范围
  • 三个采用 D-CAP2™ 拓扑的 可变输出电压同步降压控制器
    • 使用外部 FET 的可扩展输出电流,支持可选电流限制
    • 在 0.41V 至 1.67V 之间以 10mV 为步长或 在 1V 至 3.575V 之间以 25mV 为步长的 I2C DVS 控制
  • 三个采用 DCS-Control 拓扑的可变输出电压同步降压转换器
    • 输入电压范围为 3V 至 5.5 V
    • 输出电流高达 3A
    • 在 0.41V 至 1.67V 之间以 10mV 为步长或 在 0.425V 至 3.575V 之间以 25mV 为步长的 I2C DVS 控制
  • 三个具有可调节输出电压的 LDO 稳压器
    • LDOA1:I2C 可选电压的范围为 1.35V 至 3.3V,输出电流可高达 200mA
    • LDOA2 和 LDOA3:I2C 可选电压的范围为 0.7V 至 1.5V,每个的输出电流可高达 600mA
  • 用于 DDR 存储器终端的 VTT LDO
  • 三个具有压摆率控制功能的负载开关
    • 输出电流高达 300mA,压降小于标称输入电压的 1.5%
    • 输入电压为 1.8V 时,RDSON < 96mΩ
  • 5V 固定输出电压 LDO (LDO5)
    • 用于 SMPS 的栅极驱动器和 LDOA1 的电源
    • 可自动切换至外部 5V 降压以实现更高效率
  • 内置可通过 工厂 OTP 编程功能实现的灵活性和可配置性
    • 六个 GPI 引脚均可配置为启用(CTL1 至 CTL6)任意所选电压轨或使其进入睡眠模式(CTL3 和 CTL6)
    • 四个 GPO 引脚均可配置为指示任意所选轨道的电源正常
    • 漏极开路中断输出引脚
  • I2C 接口支持标准模式 (100kHz)、快速模式 (400kHz) 和超快速模式 (1MHz)
Regulated outputs (#)12, 13
ConfigurabilityFactory programmable, Software configurable
Vin (min) (V)5.6
Vin (max) (V)21
Iout (max) (A)25
FeaturesComm control, Dynamic voltage scaling, Enable, Enable pin, I2C control, Overcurrent protection, Power good, Power sequencing, Synchronous rectification, Thermal shutdown, UVLO fixed
Step-up DC/DC converter0
Step-down DC/DC converter3
Step-down DC/DC controller3
Step-up DC/DC controller0
LDO4
Iq (typ) (mA)0.3
RatingCatalog
Switching frequency (max) (kHz)3100
Operating temperature range (°C)-40 to 85
Processor supplierXilinx
Processor nameArtix-7, Zynq Ultrascale+
Shutdown current (ISD) (typ) (µA)65
Switching frequency (typ) (kHz)2500
VQFN (RSK)6464 mm² 8 x 8
产品购买
  • 商品型号
  • 封装
  • 工作温度
  • 包装
  • 价格
  • 现货库存
  • 操作
10s
温馨提示:
订单商品问题请移至我的售后服务提交售后申请,其他需投诉问题可移至我的投诉提交,我们将在第一时间给您答复
返回顶部