h1_key

TI(德州仪器) TPS62672
德州仪器 (TI) 全系列产品在线购买
  • TI(德州仪器) TPS62672
  • TI(德州仪器) TPS62672
  • TI(德州仪器) TPS62672
  • TI(德州仪器) TPS62672
  • TI(德州仪器) TPS62672
  • TI(德州仪器) TPS62672
立即查看
您当前的位置: 首页 > 电源管理 > 直流/直流开关稳压器 > 降压稳压器 > TPS62672
TPS62672

TPS62672

正在供货

500mA、6MHz 高效降压转换器,Vout=1.5V

产品详情
  • 说明
  • 特性
  • 参数
  • 封装 | 引脚 | 尺寸

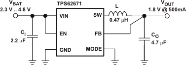
The TPS6267x devices are high-frequency synchronous step-down dc-dc converters optimized for small battery-powered applications. Intended for low-power applications, the TPS6267x supports up to 650-mA load current and allows the use of low cost chip inductor and capacitors.

With a wide input voltage range of 2.3V to 4.8V, the device supports applications powered by Li-Ion batteries with extended voltage range. Different fixed voltage output versions are available from 1.05V to 2.1V. The TPS6267x operates at a regulated 6-MHz switching frequency and enters the power-save mode operation at light load currents to maintain high efficiency over the entire load current range.

The PFM mode extends the battery life by reducing the quiescent current to 17µA (typ) during light load operation. For noise-sensitive applications, the device has PWM spread spectrum capability providing a lower noise regulated output, as well as low noise at the input. These features, combined with high PSRR and AC load regulation performance, make this device suitable to replace a linear regulator to obtain better power conversion efficiency.

  • 92% Efficiency at 6MHz Operation
  • 17µA Quiescent Current
  • Wide VIN Range From 2.3V to 4.8V
  • 6MHz Regulated Frequency Operation
  • Spread Spectrum, PWM Frequency Dithering
  • Best in Class Load and Line Transient
  • ±2% Total DC Voltage Accuracy
  • Low Ripple Light-Load PFM Mode
  • ≥35dB VIN PSRR (1kHz to 10kHz)
  • Simple Logic Enable Inputs
  • Supports External Clock Presence Detect Enable Input
  • Three Surface-Mount External Components Required (One 0603 MLCC Inductor, Two 0402 Ceramic Capacitors)
  • Complete Sub 0.33-mm Component Profile Solution
  • Total Solution Size <10 mm2
  • Available in a 6-Pin NanoFree™ (CSP) Ultra-Thin Packaging, 0.4 mm Max. Height
Vin (min) (V)2.3
Vin (max) (V)4.8
Vout (min) (V)1.5
Vout (max) (V)1.5
Iout (max) (A)0.5
Iq (typ) (mA)0.017
Switching frequency (min) (kHz)5400
Switching frequency (max) (kHz)6600
EMI featuresSpread Spectrum
FeaturesEnable, Forced PWM, Light load efficiency, Spread Spectrum, Synchronous Rectification
Operating temperature range (°C)-40 to 85
RatingCatalog
Regulated outputs (#)1
Control modeVoltage mode
Duty cycle (max) (%)100
TypeConverter
DSBGA (YFD)61.4000000000000001 mm² 1.4000000000000001 x 1
产品购买
  • 商品型号
  • 封装
  • 工作温度
  • 包装
  • 价格
  • 现货库存
  • 操作
10s
温馨提示:
订单商品问题请移至我的售后服务提交售后申请,其他需投诉问题可移至我的投诉提交,我们将在第一时间给您答复
返回顶部