h1_key

TI(德州仪器) LMR23625-Q1
德州仪器 (TI) 全系列产品在线购买
  • TI(德州仪器) LMR23625-Q1
  • TI(德州仪器) LMR23625-Q1
  • TI(德州仪器) LMR23625-Q1
  • TI(德州仪器) LMR23625-Q1
  • TI(德州仪器) LMR23625-Q1
  • TI(德州仪器) LMR23625-Q1
立即查看
您当前的位置: 首页 > 电源管理 > 直流/直流开关稳压器 > 降压稳压器 > LMR23625-Q1
LMR23625-Q1

LMR23625-Q1

正在供货

通过汽车认证的 SIMPLE SWITCHER® 4V 至 36V、2.5A 同步降压转换器

产品详情
  • 说明
  • 特性
  • 参数
  • 封装 | 引脚 | 尺寸

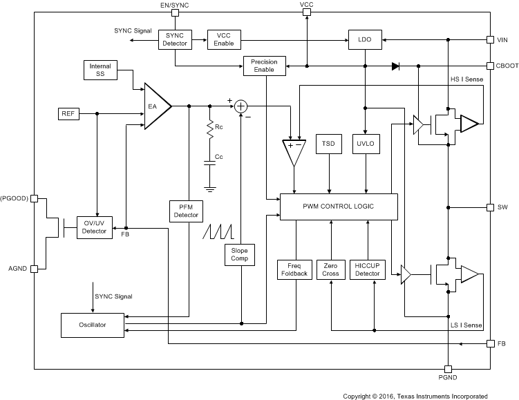
LMR23625-Q1 SIMPLE SWITCHER®是一款简便易用的 36V、2.5A 同步降压稳压器。该器件具有 4V 至 36V 的宽输入范围, 适用于 从工业到汽车各类应用中非稳压电源的电压调节。采用峰值电流模式控制来实现简单控制环路补偿和逐周期电流限制。其静态电流低至 75µA,因此适用于电池供电类系统。内部环路补偿意味着用户不用承担设计环路补偿组件的枯燥工作。这样还能够最大限度地减少外部元件数。该器件还具有固定频率强制脉冲宽度调制模式 (FPWM) 模式选项,可在轻载时实现较小的输出电压纹波。该器件的扩展系列产品能够以引脚到引脚兼容的封装提供 1A (LMR23610-Q1)、1.5A (LMR23615-Q1) 和 3A (LMR23630-Q1) 负载电流选项,从而可以实现简单且最佳的 PCB 布局。利用精密使能端输入可以简化稳压器控制和系统电源定序。保护 特性 包括逐周期电流限制、间断模式短路保护和过多功率耗散而引起的热关断。

  • 符合汽车应用 标准
  • 具有符合 AEC-Q100 标准的下列特性:
    • 器件温度 1 级:-40℃ 至 +125℃ 的环境运行温度范围
    • 器件 HBM ESD 分类等级 H1C
    • 器件 CDM ESD 分类等级 C4A
  • 4V 至 36V 的输入范围
  • 2.5A 持续输出电流
  • 集成同步整流
  • 最短导通时间:60ns
  • 内置补偿功能,便于使用
  • 2.1MHz 固定开关频率
  • 在轻负载条件下,有脉频调制 (PFM) 和强制脉宽调制 (PWM) 两种模式可供选项
  • 与外部时钟频率同步
  • 对于 PFM 选项,无负载条件下的静态电流为 75µA
  • 电源正常选项
  • 软启动至预偏置负载
  • 支持高占空比运行模式
  • 具有间断模式的输出短路保护
  • 8 引脚 HSOIC 和 12 引脚 WSON 可湿侧面,具有 PowerPAD™封装选项
  • 使用 LMR23625-Q1 并借助 WEBENCH® 电源设计器创建定制设计
Vin (min) (V)4
Vin (max) (V)36
Vout (min) (V)1
Vout (max) (V)34
Iout (max) (A)2.5
Iq (typ) (mA)0.075
Switching frequency (min) (kHz)200
Switching frequency (max) (kHz)2200
FeaturesEnable, Forced PWM, Frequency synchronization, Light Load Efficiency, Over Current Protection, Power good, Soft Start Fixed, Synchronous Rectification, Wettable flanks package
Operating temperature range (°C)-40 to 125
RatingAutomotive
Regulated outputs (#)1
Control modecurrent mode
Duty cycle (max) (%)99
TypeConverter
HSOIC (DDA)829.4 mm² 4.9 x 6
WSON (DRR)129 mm² 3 x 3
产品购买
  • 商品型号
  • 封装
  • 工作温度
  • 包装
  • 价格
  • 现货库存
  • 操作
10s
温馨提示:
订单商品问题请移至我的售后服务提交售后申请,其他需投诉问题可移至我的投诉提交,我们将在第一时间给您答复
返回顶部