h1_key

TI(德州仪器) CSD18514Q5A
德州仪器 (TI) 全系列产品在线购买
  • TI(德州仪器) CSD18514Q5A
  • TI(德州仪器) CSD18514Q5A
  • TI(德州仪器) CSD18514Q5A
  • TI(德州仪器) CSD18514Q5A
  • TI(德州仪器) CSD18514Q5A
  • TI(德州仪器) CSD18514Q5A
立即查看
您当前的位置: 首页 > 电源管理 > MOSFET > N 沟道 MOSFET > CSD18514Q5A
CSD18514Q5A

CSD18514Q5A

正在供货

采用 5mm x 6mm SON 封装的单路、4.9mΩ、40V、N 沟道 NexFET™ 功率 MOSFET

产品详情
  • 说明
  • 特性
  • 参数
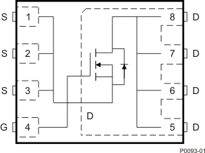
  • 封装 | 引脚 | 尺寸

这款采用 5mm × 6mm SON 封装的 40V、4.1mΩ、 NexFET™功率 MOSFET 被设计成在功率转换应用中大大降低 损耗。

  • 低 RDS(ON)
  • 低热阻
  • 雪崩额定值
  • 逻辑电平
  • 无铅引脚镀层
  • 符合 RoHS 环保标准
  • 无卤素
  • 小外形尺寸无引线 (SON) 5mm x 6mm 塑料封装
VDS (V)40
ConfigurationSingle
Rds(on) at VGS=4.5 V (max) (mΩ)7.9
Rds(on) at VGS=10 V (max) (mΩ)4.9
IDM - pulsed drain current (max) (A)237
QG (typ) (nC)29
QGD (typ) (nC)5
QGS (typ) (nC)6
VGS (V)20
VGSTH typ (typ) (V)1.8
ID - silicon limited at TC=25°C (A)89
ID - package limited (A)50
Logic levelYes
Operating temperature range (°C)-55 to 150
RatingCatalog
VSONP (DQJ)829.4 mm² 4.9 x 6
产品购买
  • 商品型号
  • 封装
  • 工作温度
  • 包装
  • 价格
  • 现货库存
  • 操作
10s
温馨提示:
订单商品问题请移至我的售后服务提交售后申请,其他需投诉问题可移至我的投诉提交,我们将在第一时间给您答复
返回顶部