h1_key

TI(德州仪器) TPS3850
德州仪器 (TI) 全系列产品在线购买
  • TI(德州仪器) TPS3850
  • TI(德州仪器) TPS3850
  • TI(德州仪器) TPS3850
  • TI(德州仪器) TPS3850
  • TI(德州仪器) TPS3850
  • TI(德州仪器) TPS3850
立即查看
您当前的位置: 首页 > 电源管理 > 监控器和复位 IC > TPS3850
TPS3850

TPS3850

正在供货

用于进行 OV 和 UV 监控的精密窗口监控器,具有窗口看门狗计时器和可编程延迟

产品详情
  • 说明
  • 特性
  • 参数
  • 封装 | 引脚 | 尺寸

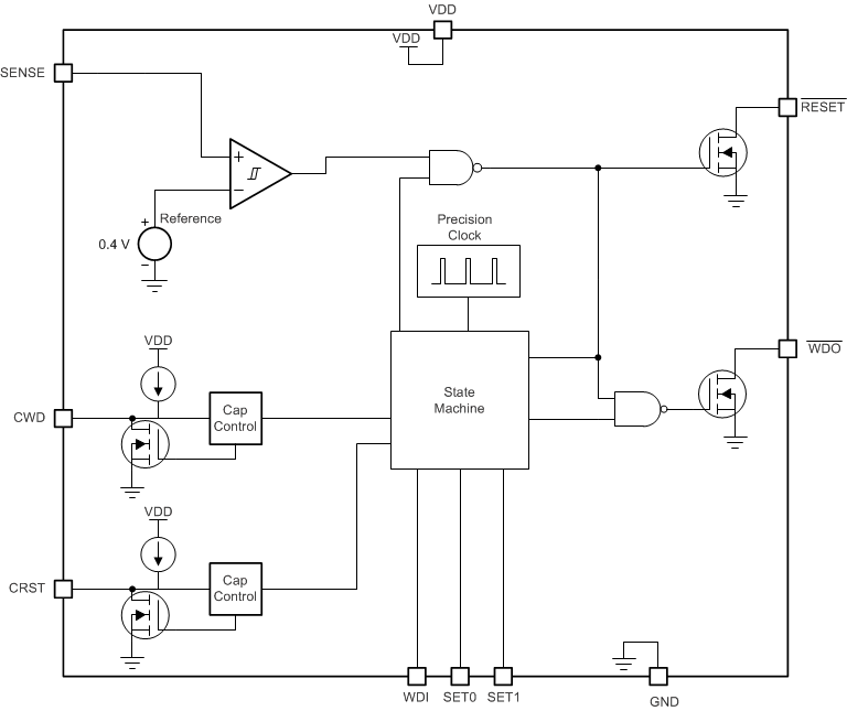
TPS3850 将精密监控器与一个可编程窗口看门狗定时器相结合。TPS3850 窗口比较器在 SENSE 引脚上可针对过压 (VIT+(OV)) 和欠压 (VIT–(UV)) 阈值实现 0.8% 的精度(–40°C 至 +125°C)。此外,TPS3850 针对两阈值施加精确迟滞,使得该器件非常适用于容差要求严格的系统。该监控器的 RESET 延迟可通过经出厂编程的默认延迟设置进行设定,也可以通过外部电容以编程方式设定。出厂编程的 RESET 延迟具备 9.5% 精度、高精密延迟时间。

TPS3850 具备适用于多种应用的可编程窗口看门狗计时器。专用看门狗输出 (WDO) 有助于提高分辨率,从而帮助确定出现故障情况的根本原因。窗口看门狗超时可通过经出厂编程的默认延迟设置进行设定,也可以通过外部电容以编程方式设定。可通过逻辑引脚禁用看门狗,避免在开发过程中出现意外的看门狗超时。

TPS3850 采用小型 3.00mm × 3.00mm 10 引脚 VSON 封装。

  • 输入电压范围:VDD = 1.6V 至 6.5V
  • 0.8% 电压阈值精度
  • 低电源电流:IDD = 10µA(典型值)
  • 用户可编程看门狗超时
  • 用户可编程复位延迟
  • 出厂编程的精密看门狗和复位计时器
  • 开漏输出
  • 精密过压和欠压监测:
    • 支持 0.9V 到 5.0V 常见电压轨
    • 提供 ±4% 和 ±7% 故障窗口
    • 0.5% 迟滞
  • 看门狗禁用功能
  • 采用小型 3mm × 3mm 10 引脚 VSON 封装
  • 结工作温度范围: –40°C 至 +125°C
Number of supplies monitored1
Threshold voltage 1 (typ) (V)0.372, 0.428, 1.116, 1.152, 1.248, 1.284, 1.674, 1.728, 1.872, 1.926, 2.79, 2.88, 3.069, 3.12, 3.168, 3.21, 3.432, 3.531, 4.65, 4.8, 5.2
FeaturesReset time delay, Separate VDD & sense, Timeout watchdog, Undervoltage and overvoltage monitor, Watchdog disable, Watchdog timer, Window watchdog
Reset threshold accuracy (%)0.8
Iq (typ) (mA)0.01
Output driver type/reset outputActive-low, Open-drain
Time delay (ms)10, 200
Supply voltage (min) (V)1.6
Supply voltage (max) (V)6.5
RatingCatalog
Watchdog timer WDI (s)Programmable
Operating temperature range (°C)-40 to 125
VSON (DRC)109 mm² 3 x 3
产品购买
  • 商品型号
  • 封装
  • 工作温度
  • 包装
  • 价格
  • 现货库存
  • 操作
10s
温馨提示:
订单商品问题请移至我的售后服务提交售后申请,其他需投诉问题可移至我的投诉提交,我们将在第一时间给您答复
返回顶部