h1_key

TI(德州仪器) LMR23610
德州仪器 (TI) 全系列产品在线购买
  • TI(德州仪器) LMR23610
  • TI(德州仪器) LMR23610
  • TI(德州仪器) LMR23610
  • TI(德州仪器) LMR23610
  • TI(德州仪器) LMR23610
  • TI(德州仪器) LMR23610
立即查看
您当前的位置: 首页 > 电源管理 > 直流/直流开关稳压器 > 降压稳压器 > LMR23610
LMR23610

LMR23610

正在供货

SIMPLE SWITCHER 36V、1A 同步降压转换器

产品详情
  • 说明
  • 特性
  • 参数
  • 封装 | 引脚 | 尺寸

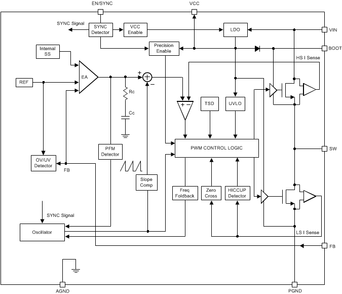
LMR23610 SIMPLE SWITCHER®器件是一款简便易用的 36V、1A 同步降压稳压器。该器件具有 4V 到 36V 的宽输入电压范围, 适用于 从工业到汽车各类应用中非稳压电源的电压调节。该器件采用峰值电流模式控制来实现简单控制环路补偿和逐周期电流限制。它具有 75µA 的静态电流,因此适用于电池供电型系统。该器件具有 2µA 的超低关断电流,可进一步延长电池使用寿命。内部环路补偿意味着用户不用承担设计环路补偿组件的枯燥工作。这样还能够最大限度地减少外部元件数。该器件的扩展系列产品能够以引脚对引脚兼容的封装(可用于实现简单且优化的 PCB 布局)提供负载电流为 2.5A (LMR23625) 和 3A (LMR23630) 的选件。精密使能输入简化了稳压器控制和系统电源排序。保护功能 特性 包括逐周期电流限制、间断模式短路保护和过多功率耗散而引起的热关断。

  • 4V 至 36V 输入范围
  • 1A 持续输出电流
  • 集成同步整流
  • 电流模式控制
  • 最短导通时间:60ns
  • 400kHz 开关频率,支持 PFM 模式
  • 与外部时钟频率同步
  • 方便易用的内部补偿
  • 75µA 无负载静态电流
  • 软启动至预偏置负载
  • 支持高占空比运行模式
  • 精密使能输入
  • 具有间断模式的输出短路保护
  • 过热保护
  • 8 引脚 HSOIC PowerPAD™封装
  • 使用 LMR23610 并借助 WEBENCH® 电源设计器创建定制设计方案
Vin (min) (V)4.5
Vin (max) (V)36
Vout (min) (V)1
Vout (max) (V)30
Iout (max) (A)1
Iq (typ) (mA)0.075
Switching frequency (min) (kHz)200
Switching frequency (max) (kHz)2200
FeaturesEnable, Frequency synchronization, Light Load Efficiency, Over Current Protection, Pre-Bias Start-Up, Synchronous Rectification, UVLO adjustable
Operating temperature range (°C)-40 to 125
RatingCatalog
Regulated outputs (#)1
Control modecurrent mode
Duty cycle (max) (%)97
TypeConverter
HSOIC (DDA)829.4 mm² 4.9 x 6
产品购买
  • 商品型号
  • 封装
  • 工作温度
  • 包装
  • 价格
  • 现货库存
  • 操作
10s
温馨提示:
订单商品问题请移至我的售后服务提交售后申请,其他需投诉问题可移至我的投诉提交,我们将在第一时间给您答复
返回顶部