h1_key

TI(德州仪器) TPS560200-Q1
德州仪器 (TI) 全系列产品在线购买
  • TI(德州仪器) TPS560200-Q1
  • TI(德州仪器) TPS560200-Q1
  • TI(德州仪器) TPS560200-Q1
  • TI(德州仪器) TPS560200-Q1
  • TI(德州仪器) TPS560200-Q1
  • TI(德州仪器) TPS560200-Q1
立即查看
您当前的位置: 首页 > 电源管理 > 直流/直流开关稳压器 > 降压稳压器 > TPS560200-Q1
TPS560200-Q1

TPS560200-Q1

正在供货

具有高级 Eco-Mode™ 的 4.5V 至 17V 输入、500mA 同步降压转换器

产品详情
  • 说明
  • 特性
  • 参数
  • 封装 | 引脚 | 尺寸

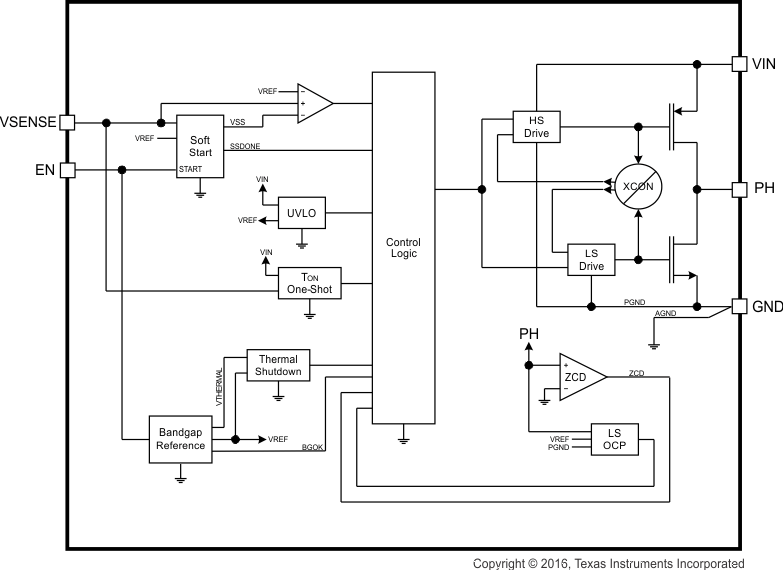
TPS560200-Q1 是一款集成 MOSFET 的 17V、500mA、低 Iq 自适应导通时间 D-CAP2 模式同步单片降压转换器,采用简单易用的 8 引脚 MSOP 封装。

TPS560200-Q1 有助于系统设计人员通过具备成本效益、所用组件较少并且待机电流较低的解决方案完成各种终端设备的电源总线调节器集。器件主控制回路采用 D-CAP2 模式控制,无需外部补偿元件即可实现快速瞬态响应。自适应导通时间控制支持器件在高负载条件下的 PWM 模式与轻负载条件下的高级 Eco-mode 工作模式之间实现无缝切换。

TPS560200-Q1 的专有电路还可使其适应低等效串联电阻 (ESR) 输出电容(如导电性聚合物钽固体电解电容 (POSCAP) 和导电性聚合物铝电解电容 (SP-CAP))以及超低 ESR 陶瓷电容。该器件由 4.5V 至 17V 范围内的输入电压供电。输出电压可在 0.8 V 至 6.5V 范围内进行编程。该器件还 具有 2ms 固定软启动时间。该器件采用 8 引脚 MSOP 封装。

  • 符合面向汽车应用的 AEC-Q100 标准
    • 温度范围:等级 1,-40°C 至 125°C
    • 人体模型 (HBM) 静电放电 (ESD) 分类等级:H2
    • 带电器件模型 (CDM) 静电放电 (ESD) 分类等级:C4B
  • 集成单片 0.95Ω 高侧和 0.33Ω 低侧 MOSFET
  • 500mA 持续输出电流
  • 输出电压范围:0.8V 至 6.5V
  • 0.8V 基准电压,温度范围内的精度为 ±1.3%
  • 高级自动跳跃 Eco-mode™用于在轻负载时实现高效率
  • D-CAP2™模式启用快速瞬态响应
  • 无需外部补偿
  • 600kHz 开关频率
  • 2ms 内部软启动
  • 安全启动至预偏置 VOUT
  • 热关断
  • -40°C 至 125°C 的工作结温范围
  • 采用 8 引脚微型小外形尺寸封装 (MSOP)
Vin (min) (V)4.5
Vin (max) (V)17
Vout (min) (V)0.8
Vout (max) (V)6.5
Iout (max) (A)0.5
Iq (typ) (mA)0.06
Switching frequency (min) (kHz)600
Switching frequency (max) (kHz)600
FeaturesEnable, Light Load Efficiency, Soft Start Fixed, Synchronous Rectification
Operating temperature range (°C)-40 to 125
RatingAutomotive
Regulated outputs (#)1
Control modeD-CAP2
Duty cycle (max) (%)65
TypeConverter
VSSOP (DGK)814.7 mm² 3 x 4.9
产品购买
  • 商品型号
  • 封装
  • 工作温度
  • 包装
  • 价格
  • 现货库存
  • 操作
10s
温馨提示:
订单商品问题请移至我的售后服务提交售后申请,其他需投诉问题可移至我的投诉提交,我们将在第一时间给您答复
返回顶部