h1_key

TI(德州仪器) TLC6C598
德州仪器 (TI) 全系列产品在线购买
  • TI(德州仪器) TLC6C598
  • TI(德州仪器) TLC6C598
  • TI(德州仪器) TLC6C598
  • TI(德州仪器) TLC6C598
  • TI(德州仪器) TLC6C598
  • TI(德州仪器) TLC6C598
立即查看
您当前的位置: 首页 > 电源管理 > LED 驱动器 > RGB LED 驱动器 > TLC6C598
TLC6C598

TLC6C598

正在供货

TLC6C598 8 位移位寄存器 LED 驱动器

产品详情
  • 说明
  • 特性
  • 参数
  • 封装 | 引脚 | 尺寸

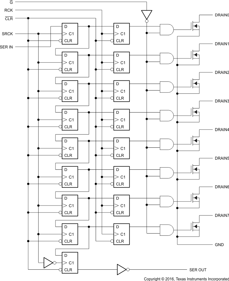
TLC6C598 器件是一款单片、中等电压、低电流功率 8 位移位寄存器,专为负载功率要求相对适中的系统(例如,LED)而设计。

此器件包含一个 8 位串入、并出移位寄存器,此寄存器为一个 8 位 D 类存储寄存器提供数据。移位寄存器和存储寄存器分别有单独的时钟。输出为低侧、漏极开路 DMOS 晶体管输出:输出额定值为 40V 及 50mA 持续灌电流或者 200mA PWM 电流(VCC = 5V 时,单脉冲持续时间短于 1ms 且平均电流低于 50mA)。该器件内置热关断保护,在人体模型和 200V 机器模型测试下可提供高达 2000V 的静电放电 (ESD) 保护。

TLC6C598 的额定工作环境温度范围为 -40°C 至 105°C。

  • 3V 至 5.5V 的宽 VCC范围
  • 40V 的最大输出额定值
  • 8 路功率双扩散金属氧化物半导体 (DMOS) 晶体管输出:50mA 持续电流 (VCC = 5V) 或者 200mA 脉宽调制 (PWM) 电流(单脉冲持续时间短于 1ms 且平均电流低于 50mA)
  • 热关断保护
  • 针对多级的增强型级联
  • 所有寄存器由单一输入清零
  • 低功耗
  • 缓开关时间(tr和 tf),这十分有助于减少电磁干扰 (EMI)
  • 16 引脚薄型小外形尺寸 (TSSOP)-PW 封装

应用

  • 电器显示面板
  • 电梯显示面板
  • PLC 功能指示器
  • 七段显示器

All trademarks are the property of their respective owners.

Number of channels8
LED current per channel (mA)50
LED configurationParallel
Program memoryNo
TopologyLinear
Programmable ramp controlNo
Vin (min) (V)3
Vin (max) (V)5.5
Iout (max) (A)0.4
FeaturesSerial interface
Iq (typ) (mA)0.13
Shutdown current (ISD) (typ) (µA)0.15
Operating temperature range (°C)-40 to 105
RatingCatalog
TSSOP (PW)1632 mm² 5 x 6.4
产品购买
  • 商品型号
  • 封装
  • 工作温度
  • 包装
  • 价格
  • 现货库存
  • 操作
10s
温馨提示:
订单商品问题请移至我的售后服务提交售后申请,其他需投诉问题可移至我的投诉提交,我们将在第一时间给您答复
返回顶部