h1_key

TI(德州仪器) BQ25071-Q1
德州仪器 (TI) 全系列产品在线购买
  • TI(德州仪器) BQ25071-Q1
  • TI(德州仪器) BQ25071-Q1
  • TI(德州仪器) BQ25071-Q1
  • TI(德州仪器) BQ25071-Q1
  • TI(德州仪器) BQ25071-Q1
  • TI(德州仪器) BQ25071-Q1
立即查看
您当前的位置: 首页 > 电源管理 > 电池管理 IC > 电池充电器 IC > BQ25071-Q1
BQ25071-Q1

BQ25071-Q1

正在供货

汽车类单节电池、1A、磷酸铁锂电池线性充电器

产品详情
  • 说明
  • 特性
  • 参数
  • 封装 | 引脚 | 尺寸

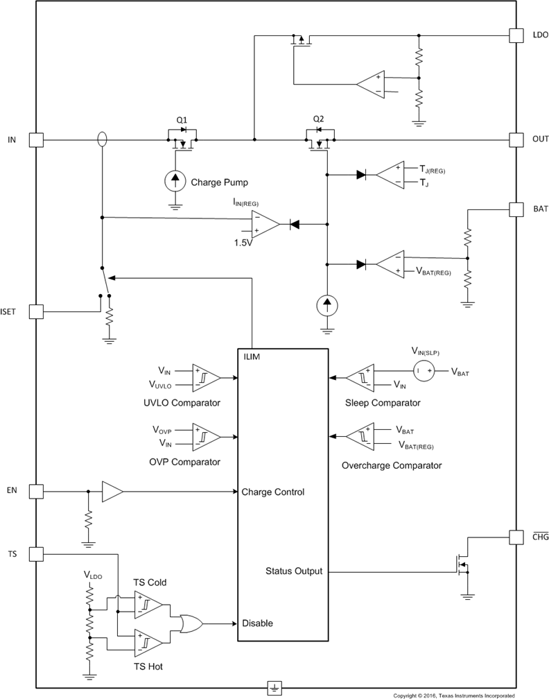
bq25071-Q1 是一款高度集成的 LiFePO4 线性电池充电器,面向空间受限的汽车 应用。该器件由 USB 端口或交流适配器供电,并为单节 LiFePO4 电池提供高达 1A 的充电电流。30V 的额定输入电压支持未经稳压的低成本适配器。

bq25071-Q1 具有一个电源输出,可在对电池充电的同时为系统供电。输入电流既可通过 ISET 输入编程设定在 100mA 至 1A 范围内,也可以在 USB500 模式下配置。另外,IC 中还集成了一个 4.9V ±10% 50mA LDO,用于为低功耗外部电路供电。

LiFePO4 充电算法可消除锂电池充电周期中所用的恒压模式控制下常见的电流逐渐减小过程,可大幅缩短充电时间。在这种情况下,电池将快速充电至过充电压,然后降至较低的浮充电压阈值。该充电器集成了具有充电电流和电压感应功能的功率级,可在电流和电压调节环路中获得高级别的精度。内部控制环路可在整个充电周期内监视 IC 结温,并在温度超过内部温度阈值时减小充电电流。

  • 适用于汽车电子 应用
  • 具有符合 AEC-Q100 标准的下列结果:
    • 器件温度 1 级:-40°C 至 125°C 的环境运行温度范围
    • 器件人体放电模式 (HBM) 静电放电 (ESD) 分类等级 H2
    • 器件组件充电模式 (CDM) ESD 分类等级 C5
  • 单节 LiFePO4 充电算法
  • 30V 额定输入电压,具有 10.5V 过压保护 (OVP)
  • 50mA 集成低压降线性稳压器 (LDO)
  • 可编程充电电流(通过 ISET 和 EN 端子编程)
  • 热调节和保护
  • 软启动特性可降低浪涌电流
  • 电池负温度系数 (NTC) 监视
  • 充电状态指示
  • 具有可湿性侧面的 10 引脚小外形尺寸无引线 (SON) (2mm × 3mm) 封装

应用

  • 汽车用紧急呼叫
  • 汽车远程信息处理
  • 车辆全球定位系统 (GPS) 跟踪
  • 车载网络视频摄像机
  • 智能钥匙
  • 汽车娱乐备用电池

All trademarks are the property of their respective owners.

Number of series cells1
Charge current (max) (A)1
Vin (max) (V)8
Cell chemistryLithium Phosphate/LiFePO4
Battery charge voltage (min) (V)3.5
Battery charge voltage (max) (V)3.5
Absolute max Vin (max) (V)30
Control topologyLinear
Control interfaceStandalone (RC-Settable)
FeaturesIC thermal regulation, Input OVP
Vin (min) (V)3.75
RatingAutomotive
Operating temperature range (°C)-40 to 125
WSON (DQC)106 mm² 3 x 2
产品购买
  • 商品型号
  • 封装
  • 工作温度
  • 包装
  • 价格
  • 现货库存
  • 操作
10s
温馨提示:
订单商品问题请移至我的售后服务提交售后申请,其他需投诉问题可移至我的投诉提交,我们将在第一时间给您答复
返回顶部