h1_key

TI(德州仪器) LMH6723
德州仪器 (TI) 全系列产品在线购买
  • TI(德州仪器) LMH6723
  • TI(德州仪器) LMH6723
  • TI(德州仪器) LMH6723
  • TI(德州仪器) LMH6723
  • TI(德州仪器) LMH6723
  • TI(德州仪器) LMH6723
立即查看
您当前的位置: 首页 > 放大器 > 运算放大器 (op amps) > 高速运算放大器 (GBW ≥ 50MHz) > LMH6723
LMH6723

LMH6723

正在供货

单通道 370MHz 1mA 电流反馈放大器

产品详情
  • 说明
  • 特性
  • 参数
  • 封装 | 引脚 | 尺寸

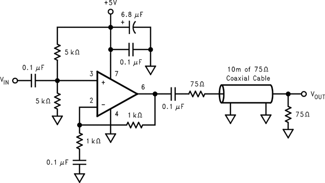
The LMH6723/LMH6724 provides a 260 MHz small signal bandwidth at a gain of +2 V/V and a 600 V/µs slew rate while consuming only 1 mA from ±5V supplies.

The LMH6723/LMH6724 supports video applications with its 0.03% and 0.11° differential gain and phase for NTSC and PAL video signals, while also offering a flat gain response of 0.1 dB to 100 MHz. Additionally, the LMH6723/LMH6724 can deliver 110 mA of linear output current. This level of performance, as well as a wide supply range of 4.5 to 12V, makes the LMH6723/LMH6724 an ideal op amp for a variety of portable applications. With small packages (SOIC and SOT-23), low power requirement, and high performance, the LMH6723/LMH6724 serves a wide variety of portable applications.

The LMH6723/LMH6724 is manufactured in Texas Instruments’ VIP10 complimentary bipolar process.

  • Large Signal Bandwidth and Slew Rate 100% Tested
  • 370 MHz Bandwidth (AV = 1, VOUT = 0.5 VPP)
    −3 dB BW
  • 260 MHz (AV = +2 V/V, VOUT = 0.5 VPP)
    −3 dB BW
  • 1 mA Supply Current
  • 110 mA Linear Output Current
  • 0.03%, 0.11° Differential Gain, Phase
  • 0.1 dB Gain Flatness to 100 MHz
  • Fast Slew Rate: 600 V/µs
  • Unity Gain Stable
  • Single Supply Range of 4.5 to 12V
  • Improved Replacement for CLC450, CLC452, (LMH6723)
ArchitectureCurrent FB
Number of channels1
Total supply voltage (+5 V = 5, ±5 V = 10) (min) (V)5
Total supply voltage (+5 V = 5, ±5 V = 10) (max) (V)12
GBW (typ) (MHz)370
BW at Acl (MHz)370
Acl, min spec gain (V/V)1
Slew rate (typ) (V/µs)600
Vn at flatband (typ) (nV√Hz)4.3
Vn at 1 kHz (typ) (nV√Hz)4.3
Iq per channel (typ) (mA)1
Vos (offset voltage at 25°C) (max) (mV)3
Rail-to-railNo
RatingCatalog
Operating temperature range (°C)-40 to 85
CMRR (typ) (dB)60
Input bias current (max) (pA)4000000
Offset drift (typ) (µV/°C)0
Iout (typ) (mA)110
2nd harmonic (dBc)65
3rd harmonic (dBc)63
Frequency of harmonic distortion measurement (MHz)5
SOIC (D)829.4 mm² 4.9 x 6
SOT-23 (DBV)58.12 mm² 2.9 x 2.8
WAFERSALE (YS)See data sheet
产品购买
  • 商品型号
  • 封装
  • 工作温度
  • 包装
  • 价格
  • 现货库存
  • 操作
10s
温馨提示:
订单商品问题请移至我的售后服务提交售后申请,其他需投诉问题可移至我的投诉提交,我们将在第一时间给您答复
返回顶部