h1_key

TI(德州仪器) LM36923H
德州仪器 (TI) 全系列产品在线购买
  • TI(德州仪器) LM36923H
  • TI(德州仪器) LM36923H
  • TI(德州仪器) LM36923H
  • TI(德州仪器) LM36923H
  • TI(德州仪器) LM36923H
  • TI(德州仪器) LM36923H
立即查看
您当前的位置: 首页 > 电源管理 > LED 驱动器 > 背光 LED 驱动器 > LM36923H
LM36923H

LM36923H

正在供货

高效三灯串白光 LED 驱动器

产品详情
  • 说明
  • 特性
  • 参数
  • 封装 | 引脚 | 尺寸

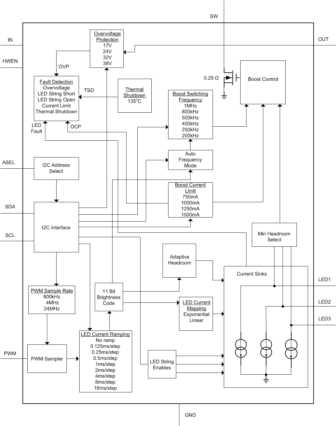
LM36923H 是一款专为 LCD 显示屏背光照明而设计的超紧凑型、高效三串白色 LED 驱动器。该器件最多可为 12 个串联 LED 供电,每条灯串的电流高达 25mA。该器件采用自适应电流调节方法,可在保持电流稳定的同时为每个灯串提供不同的 LED 电压。

LED 电流通过 I2C 接口或逻辑电平 PWM 输入进行调节。PWM 占空比在内部进行感测并映射到一个 11 位电流,从而提供宽 PWM 频率范围并在 50µA 至 25mA 范围内实现无噪声运行。

其他 特性 包括可根据负载电流自动更改频率的自动频率模式,其作用是提升效率。

该器件可在 2.5V 至 5.5V 输入电压范围内运行,其运行温度范围为 -40°C 至 +85°C。

  • 整个过程、电压、温度范围内的灌电流匹配度为 1%
  • 整个过程、电压、温度范围内的灌电流精度为 3%
  • 11 位调光分辨率
  • 解决方案效率最高可达 90%
  • 在电压高达 38V、每条灯串的电流为 25mA 的条件下,可驱动一至三条并行发光二极管 (LED) 灯串
  • 脉宽调制 (PWM) 调光输入
  • I2C 可编程
  • 500kHz 和 1MHz 可选开关频率,可选频移为 -12%
  • 自动切换频率模式(250kHz、500kHz 和 1MHz)
  • 四个可配置过压保护阈值(17V、24V、31V 和 38V)
  • 四个可配置过流保护阈值(750mA、1000mA、1250mA 和
    1500mA)
  • 热关断保护
  • 通过 ASEL 输入在外部选择 I2C 地址选项

应用

  • 针对智能手机和平板电脑背光照明的电源
  • LED 最多可达 24 个的液晶显示屏 (LCD) 面板

All trademarks are the property of their respective owners.

Number of channels3
Vin (min) (V)2.5
Vin (max) (V)5.5
Vout (min) (V)0
Vout (max) (V)37
TypeInductive
Switching frequency (max) (kHz)1050
Duty cycle (max) (%)92
LED current per channel (mA)30
Peak efficiency (%)92
TopologyBoost, Current Sink, Multi-Channel
FeaturesAdjustable Switch Frequency, CABC, Direct PWM Dimming, Enable/Shutdown, I2C control, OVP, Thermal shutdown
Operating temperature range (°C)-40 to 85
RatingCatalog
DSBGA (YFF)122.52000000000000018 mm² 1.4000000000000001 x 1.8
产品购买
  • 商品型号
  • 封装
  • 工作温度
  • 包装
  • 价格
  • 现货库存
  • 操作
10s
温馨提示:
订单商品问题请移至我的售后服务提交售后申请,其他需投诉问题可移至我的投诉提交,我们将在第一时间给您答复
返回顶部