h1_key

TI(德州仪器) LM27761
德州仪器 (TI) 全系列产品在线购买
  • TI(德州仪器) LM27761
  • TI(德州仪器) LM27761
  • TI(德州仪器) LM27761
  • TI(德州仪器) LM27761
  • TI(德州仪器) LM27761
  • TI(德州仪器) LM27761
立即查看
您当前的位置: 首页 > 电源管理 > 直流/直流开关稳压器 > 电荷泵(无电感器) > LM27761
LM27761

LM27761

正在供货

具有集成 LDO 的低噪声稳压反相器

产品详情
  • 说明
  • 特性
  • 参数
  • 封装 | 引脚 | 尺寸

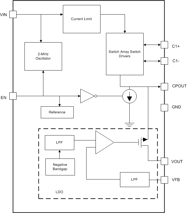
LM27761 低噪声稳压开关电容器电压逆变器可针对 2.7V 到 5.5V 范围内的输入电压,提供可调节的超低噪声输出。在应用解决方案中使用四个低成本电容器,可以提供高达 250mA 的输出电流。该器件的稳压输出可在 −5V 到 −1.5V 范围内进行调节。LM27761 以 2MHz(典型值)开关频率运行,以减小输出电阻和电压波纹。LM27761 的工作电流仅为 370µA(对于大多数负载,电荷泵功率效率均高于 80%)并且关断电流典型值为 7µA,因此在驱动功率放大器、DAC 偏置电源轨以及其他大电流、低噪声电压应用时, 可提供理想的性能。

  • 对输入电源电压进行反相和稳压
  • 低输出波纹
  • 关断时可使静态电流降至 7µA(典型值)
  • 输出电流高达 250mA
  • 2.5Ω 逆变器输出阻抗,VIN = 5V
  • 峰值负载时的稳定度为 ±4%
  • 370µA 静态电流
  • 2MHz(典型值)固定频率、低噪声运行
  • 2MHz 频率时的低压降稳压器 (LDO) 电源抑制比 (PSRR) 为 35dB(典型值),
    负载电流为 80mA
  • 100mA 电流时的 LDO 压降电压为 30mV,
    VOUT = –5V
  • 限流和热保护
  • 使用 LM27761 并借助 WEBENCH® 电源设计器创建定制设计
Vin (min) (V)2.7
Vin (max) (V)5.5
Vout (min) (V)-5.2
Vout (max) (V)-1.5
Iout (max) (A)0.25
Regulated outputs (#)1
Switching frequency (min) (kHz)1700
Switching frequency (max) (kHz)2300
Iq (typ) (mA)0.37
FeaturesEnable, Integrated LDO, Light Load Efficiency Mode, Output discharge, Synchronous Rectification, UVLO Fixed
Operating temperature range (°C)-40 to 85
RatingCatalog
TypeCharge pump
WSON (DSG)84 mm² 2 x 2
产品购买
  • 商品型号
  • 封装
  • 工作温度
  • 包装
  • 价格
  • 现货库存
  • 操作
10s
温馨提示:
订单商品问题请移至我的售后服务提交售后申请,其他需投诉问题可移至我的投诉提交,我们将在第一时间给您答复
返回顶部