h1_key

TI(德州仪器) LM5140-Q1
德州仪器 (TI) 全系列产品在线购买
  • TI(德州仪器) LM5140-Q1
  • TI(德州仪器) LM5140-Q1
  • TI(德州仪器) LM5140-Q1
  • TI(德州仪器) LM5140-Q1
  • TI(德州仪器) LM5140-Q1
  • TI(德州仪器) LM5140-Q1
立即查看
您当前的位置: 首页 > 电源管理 > 直流/直流开关稳压器 > 降压稳压器 > LM5140-Q1
LM5140-Q1

LM5140-Q1

正在供货

宽输入电压、双路 2.2MHz 低 Iq 同步降压控制器

产品详情
  • 说明
  • 特性
  • 参数
  • 封装 | 引脚 | 尺寸

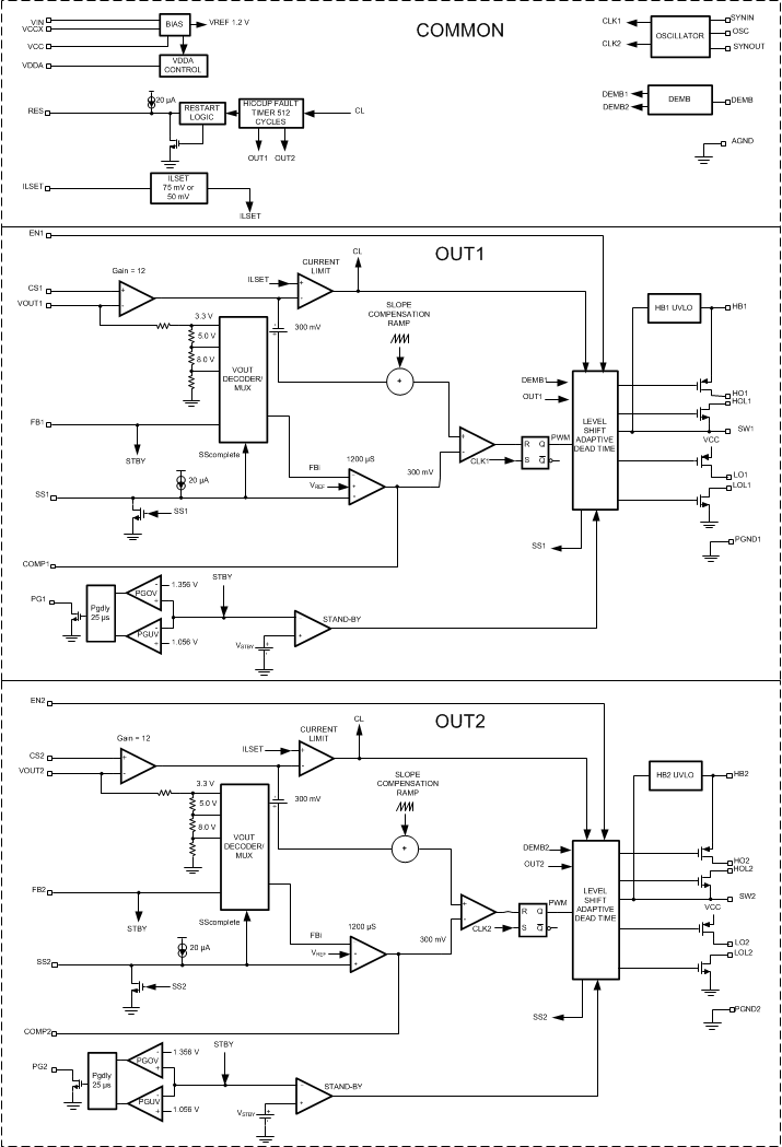
LM5140-Q1 是一款双路同步降压控制器,用于高电压、宽 VIN 降压转换器 应用. 此控制方法基于电流模式控制。电流模式控制可提供固有线路前馈、逐周期电流限制和简化的环路补偿。

LM5140-Q1 具有 可调节转换率控制功能,能够简化 CISPR 和汽车级电磁干扰 (EMI) 要求的合规性。LM5140-Q1 可在 2.2MHz 或 440kHz 的可选开关频率下运行,两条控制器通道发生 180º 出相。在轻负载或无负载条件下,LM5140-Q1 通过在跳周期模式下运行来提升低功耗效率。LM5140-Q1 具备一个自动切换至外部偏置电源的高电压偏置稳压器,能够提升效率并降低输入电流。其他 功能 包括频率同步、逐周期电流限制、针对持续过载条件的断续模式保护、独立的电源正常输出以及独立的使能输入。

  • 符合 AEC-Q100 1 级标准
    (TA = -40ºC 至 125ºC)
  • 输入工作电压范围为 3.8V 至 65V(最高绝对电压为 70V)
  • 两个具有以下电压特性的交错式降压控制器:
    • VOUT1:3.3V、5V 固定电压或 1.5V 至 15V
      可调节电压,精度为 ±1%
    • VOUT2:5V、8V 固定电压或 1.5V 至 15V
      可调节电压,精度为 ±1%
  • 2.2MHz 或 440kHz 固定开关频率,精度为 ±7%
  • 可选择与外部时钟保持同步
  • 用于附加转换器的 SYNC 输出时钟
  • 关断模式电流:9µA(典型值)
  • 无负载待机电流:35µA(典型值)(单通道运行)
  • 电流限值阈值可编程为 50mV 或 75mV,精度为 ±10%
  • 用于 VOUT1 和 VOUT2 的独立使能输入
  • 针对持续过载条件的断续模式保护
  • 独立的电源正常输出
  • 具有可调节转换率控制的高侧和低侧栅极驱动器
  • 在轻负载条件下可选择二极管仿真或连续导通
  • 具有可湿性侧面的超薄型四方扁平无引线 (VQFN)-40 封装

应用

  • 汽车电子产品
  • 信息娱乐系统
  • 仪表板
  • 高级驾驶员辅助系统 (ADAS)

All trademarks are the property of their respective owners.

Vin (min) (V)3.8
Vin (max) (V)65
Vout (min) (V)1.5
Vout (max) (V)15
Iout (max) (A)40
Iq (typ) (mA)0.035
Switching frequency (min) (kHz)350
Switching frequency (max) (kHz)2600
EMI featuresSpread Spectrum
FeaturesAdjustable current limit, Enable, Frequency synchronization, Light Load Efficiency, Multiple Outputs, Phase Interleaving, Power good, Pre-Bias Start-Up, Spread Spectrum, Synchronous Rectification, Tracking, UVLO Fixed
Operating temperature range (°C)-40 to 150
Regulated outputs (#)2
Number of phases2
RatingAutomotive
Control modecurrent mode
TypeController
VQFNP (RWG)4036 mm² 6 x 6
产品购买
  • 商品型号
  • 封装
  • 工作温度
  • 包装
  • 价格
  • 现货库存
  • 操作
10s
温馨提示:
订单商品问题请移至我的售后服务提交售后申请,其他需投诉问题可移至我的投诉提交,我们将在第一时间给您答复
返回顶部