h1_key

TI(德州仪器) TPS563208
德州仪器 (TI) 全系列产品在线购买
  • TI(德州仪器) TPS563208
  • TI(德州仪器) TPS563208
  • TI(德州仪器) TPS563208
  • TI(德州仪器) TPS563208
  • TI(德州仪器) TPS563208
  • TI(德州仪器) TPS563208
立即查看
您当前的位置: 首页 > 电源管理 > 直流/直流开关稳压器 > 降压稳压器 > TPS563208
TPS563208

TPS563208

正在供货

采用 FCCM 模式的 4.5V 至 17V 输入电压、3A 输出电流、同步降压转换器

产品详情
  • 说明
  • 特性
  • 参数
  • 封装 | 引脚 | 尺寸

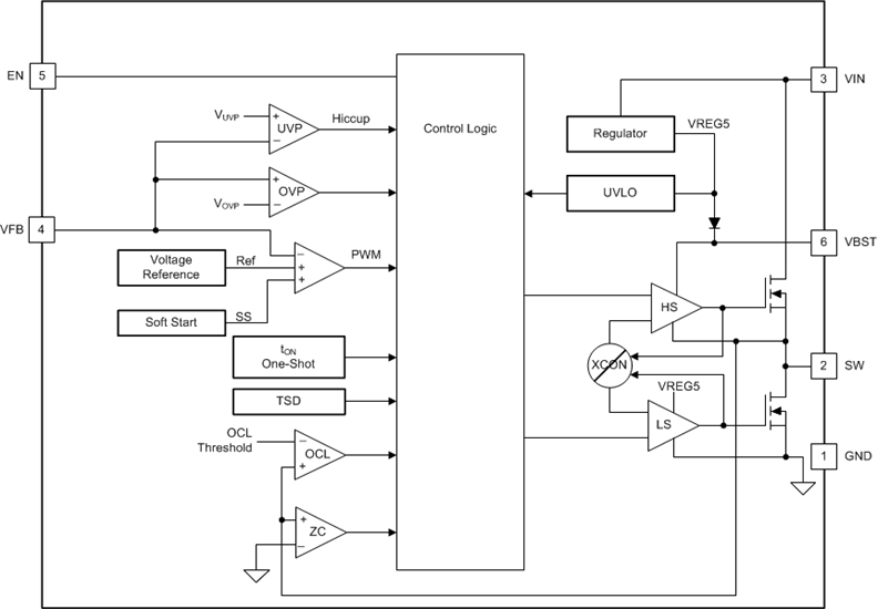
TPS563201 和 TPS563208 是采用小外形尺寸晶体管 (SOT)-23 封装的简单易用型 3A 同步降压转换器。

两款器件均经过优化,最大限度地减少了运行所需的外部组件并且可以实现低待机电流。

这些开关模式电源 (SMPS) 器件采用 D-CAP2 模式控制,能够提供快速瞬态响应,并且在无需外部补偿组件的情况下支持诸如高分子聚合物等低等效串联电阻 (ESR) 输出电容以及超低 ESR 陶瓷电容器。

TPS563201 可在脉冲跳跃模式下运行,从而能在轻载运行期间保持高效率。TPS563201 和 TPS563208 采用 6 引脚 1.6mm × 2.9mm SOT (DDC) 封装,额定结温范围为 –40°C 至 125°C。

  • TPS563201 和 TPS563208 3A 转换器集成了 95mΩ 和 57mΩ 场效应晶体管 (FET)
  • D-CAP2模式控制,用于快速瞬态响应
  • 输入电压范围:4.5V 至 17V
  • 输出电压范围:0.76V 至 7V
  • 脉冲跳跃模式 (TPS563201) 或持续电流模式 (TPS563208)
  • 580kHz 开关频率
  • 低关断电流(小于 10µA)
  • 2% 反馈电压精度 (25°C)
  • 从预偏置输出电压中启动
  • 逐周期过流限制
  • 断续模式过流保护
  • 非锁存欠压保护 (UVP) 和热关断 (TSD) 保护
  • 固定软启动时间:1.0ms

应用

  • 数字电视电源
  • 高清 蓝光光盘播放器
  • 网络家庭终端设备
  • 数字机顶盒(STB)
  • 安全监控

All trademarks are the property of their respective owners.

Vin (min) (V)4.5
Vin (max) (V)17
Vout (min) (V)0.76
Vout (max) (V)7
Iout (max) (A)3
Iq (typ) (mA)0.4
Switching frequency (min) (kHz)580
Switching frequency (max) (kHz)580
FeaturesEnable, Forced PWM, Soft Start Fixed, Synchronous Rectification
Operating temperature range (°C)-40 to 125
RatingCatalog
Regulated outputs (#)1
Control modeD-CAP2
Duty cycle (max) (%)80
TypeConverter
SOT-23-THN (DDC)68.12 mm² 2.9 x 2.8
产品购买
  • 商品型号
  • 封装
  • 工作温度
  • 包装
  • 价格
  • 现货库存
  • 操作
10s
温馨提示:
订单商品问题请移至我的售后服务提交售后申请,其他需投诉问题可移至我的投诉提交,我们将在第一时间给您答复
返回顶部