h1_key

TI(德州仪器) TLC59582
德州仪器 (TI) 全系列产品在线购买
  • TI(德州仪器) TLC59582
  • TI(德州仪器) TLC59582
  • TI(德州仪器) TLC59582
  • TI(德州仪器) TLC59582
  • TI(德州仪器) TLC59582
  • TI(德州仪器) TLC59582
立即查看
您当前的位置: 首页 > 电源管理 > LED 驱动器 > LED 显示驱动器 > TLC59582
TLC59582

TLC59582

正在供货

具有预充电 FET、LOD Caterpillar 且支持 16 路多路复用的 48 通道 16 位 ESPWM LED 驱动器

产品详情
  • 说明
  • 特性
  • 参数
  • 封装 | 引脚 | 尺寸

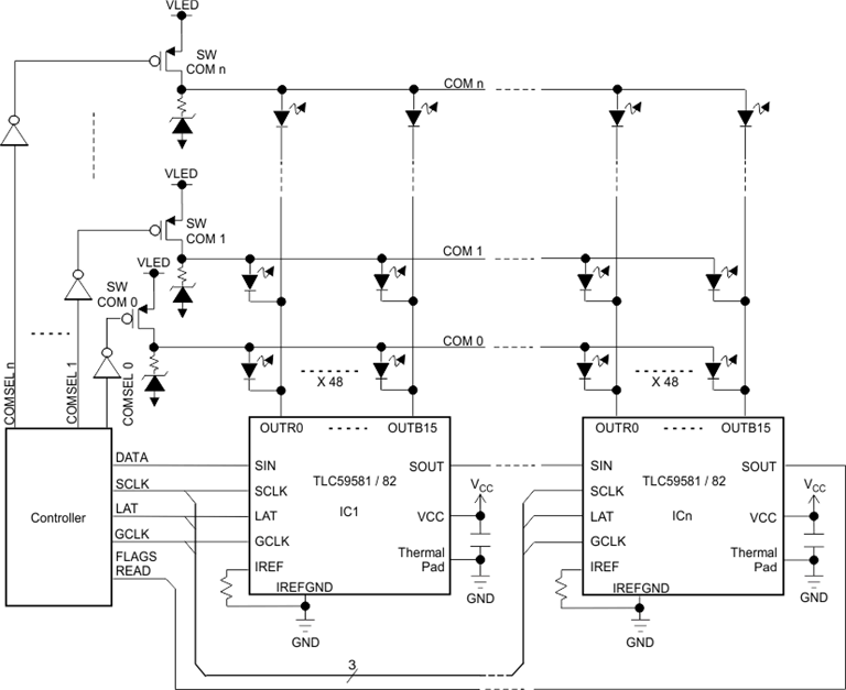
The TLC59581/82are 48-channel constant-current sink drivers. Each channel has an individually-adjustable, 65536-step, pulse width modulation (PWM) grayscale (GS) brightness control.

The TLC59581 can support 32-multiplexing while TLC59582 can support 16-multiplexing.

The output channels are divided into three groups. Each group has a 512-step color brightness control (CC). CC adjusts brightness control between colors. The maximum current value of all 48 channels can be set by 8-step global brightness control (BC). BC adjusts brightness deviation between LED drivers. GS, CC and BC data are accessible through a serial interface port.

See application note Build High Density, High Refresh Rate, Multiplexing LED Panel with TLC59581, SLVA744.

The TLC59581/82 device has one error flag: the LED open detection (LOD), which can be read through a serial interface port. To resolve this caterpillar issue caused by an open LED, the TLC59581/82 device has an enhanced circuit for caterpillar canceling, thermal shut down (TSD) and IREF resistor short protection (ISP), which ensures a higher system reliability. The TLC59581/82 device also has a power-save mode that sets the total current consumption to 0.8 mA (typical) when all outputs are off. The TLC59581/82 device is a good solution to improve display performance of a multiplexing panel for low-grayscale patterns.

  • 48 Constant-Current Sink Output Channels
  • Sink Current Capability with Max BC/CC data:
    • 25 mA at 5 VCC
    • 20 mA at 3.3 VCC
  • Global Brightness Control (BC): 3-Bit (8-Step)
  • Color Brightness Control (CC) for Each Color
    Group: 9-Bit (512-Step), Three Groups
  • LED Power Supply Voltage Up To 10 V
  • VCC = 3.0 V to 5.5 V
  • Constant Current Accuracy
    • Channel-to-Channel = ±1%(Typ), ±3%(Max)
    • Device-to-Device = ±1%(Typ), ±2%(Max)
  • Data Transfer Rate: 25 MHz
  • Gray Scale Clock: 33 MHz
  • Pre-Charge FET to Avoid Ghosting Phenomenon
  • Enhanced Circuit for Caterpillar Cancelling
  • Low-Grayscale Enhancement
  • LED Open Detection (LOD)
  • Thermal Shut Down (TSD)
  • Operating Temperature: –40°C to 85°C
Features48CH LED Driver, Error Flag, Fault Detection, LED Open Detection, PWM LED Driver, Pre-Charge FET, SRAM, Thermal shutdown
Analog dimming steps512
Data transfer rate (typ) (MHz)25
Ch to ch accuracy (typ) (±%)1
RatingCatalog
Operating temperature range (°C)-40 to 85
VQFN (RTQ)5664 mm² 8 x 8
产品购买
  • 商品型号
  • 封装
  • 工作温度
  • 包装
  • 价格
  • 现货库存
  • 操作
10s
温馨提示:
订单商品问题请移至我的售后服务提交售后申请,其他需投诉问题可移至我的投诉提交,我们将在第一时间给您答复
返回顶部