h1_key

TI(德州仪器) TPS7A84
德州仪器 (TI) 全系列产品在线购买
  • TI(德州仪器) TPS7A84
  • TI(德州仪器) TPS7A84
  • TI(德州仪器) TPS7A84
  • TI(德州仪器) TPS7A84
  • TI(德州仪器) TPS7A84
  • TI(德州仪器) TPS7A84
立即查看
您当前的位置: 首页 > 电源管理 > 线性和低压降 (LDO) 稳压器 > TPS7A84
TPS7A84

TPS7A84

正在供货

具有电源正常指示功能的 3A、低输入电压、低噪声、高精度、超低压降稳压器

产品详情
  • 说明
  • 特性
  • 参数
  • 封装 | 引脚 | 尺寸

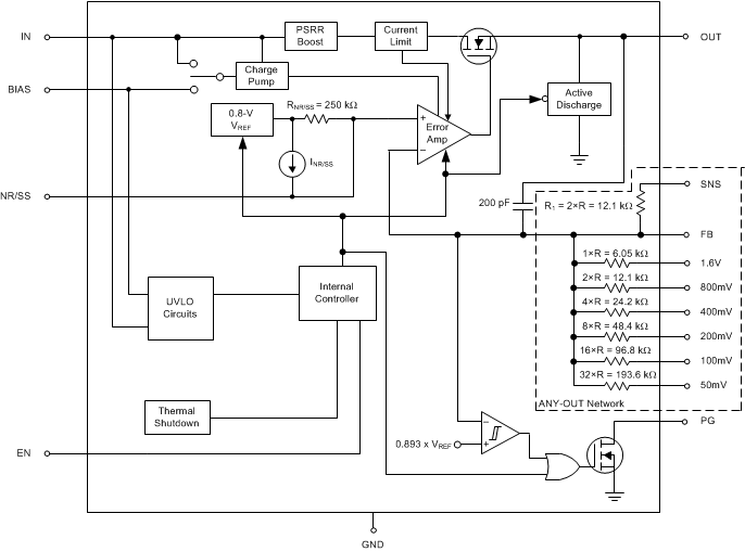
TPS7A84 是一款低噪声 (4.4 µVRMS)、低压降 (LDO) 线性稳压器,可提供 3A 负载电流,其最高压降仅为 180mV。该器件的输出电压可通过引脚在 0.8V 至 3.95V 的范围内进行编程并可通过外部电阻分压器在 0.8V 至 5.0V 范围内进行调节。

TPS7A84 将低噪声 (4.4µVRMS)、高 PSRR 和高输出电流能力融为一体,非常适合为高速通信、视频、医疗或测试和测量应用中的噪声敏感型组件供电。TPS7A84 的高性能可限制电源生成的相位噪声和时钟抖动,非常适合为高性能串行器和解串器 (SerDes)、模数转换器 (ADC)、数模转换器 (DAC) 以及射频 (RF) 组件供电。RF 放大器尤其受益于该器件的高性能和 5.0V 输出性能。

对于需要以低输入电压、低输出 (LILO) 电压运行的数字负载 [如特定用途集成电路 (ASIC)、现场可编程门阵列 (FPGA) 以及数字信号处理器 (DSP)],TPS7A84 优异的精度特性(负载和温度范围内的精度为 0.75%)、远程感测、出色的瞬态性能以及软启动功能可确保最优系统性能。

TPS7A84 器件的多功能性使其适用于许多严苛应用。

  • 低压降:3 A 时为 180 mV(最大值)
  • 整个线路、负载和温度范围内为 1%(最高)精度
  • 输出电压噪声:
    • 输出电压为 0.8V 时,噪声为 4.4µVRMS
    • 输出电压为 5.0V 时,噪声为 7.7µVRMS
  • 输入电压范围:
    • 无偏置:1.4V 至 6.5V
    • 有偏置:1.1V 至 6.5V
  • ANY-OUT™ 工作电压:
    • 输出电压范围:0.8V 至 3.95V
  • 可调节工作电压:
    • 输出电压范围:0.8 V 至 5.0 V
  • 电源纹波抑制:
    • 500kHz 时为 40dB
  • 出色的负载瞬态响应
  • 可调软启动浪涌控制
  • 开漏电源正常 (PG) 输出
  • 使用 47µF 或更大的陶瓷输出电容器实现稳定运行
  • 3.5mm × 3.5mm 20 引脚 VQFN
Output optionsAdjustable Output, Fixed Output
Iout (max) (A)3
Vin (max) (V)6.5
Vin (min) (V)1.1
Vout (max) (V)5
Vout (min) (V)0.8
Noise (µVrms)4.4
Iq (typ) (mA)2.8
Thermal resistance θJA (°C/W)43.4
RatingCatalog
Load capacitance (min) (µF)47
Regulated outputs (#)1
FeaturesEnable, Output discharge, Power good, Soft start
Accuracy (%)1
PSRR at 100 KHz (dB)25
Dropout voltage (Vdo) (typ) (mV)110
Operating temperature range (°C)-40 to 125
VQFN (RGR)2012.25 mm² 3.5 x 3.5
产品购买
  • 商品型号
  • 封装
  • 工作温度
  • 包装
  • 价格
  • 现货库存
  • 操作
10s
温馨提示:
订单商品问题请移至我的售后服务提交售后申请,其他需投诉问题可移至我的投诉提交,我们将在第一时间给您答复
返回顶部