h1_key

TI(德州仪器) TPS549A20
德州仪器 (TI) 全系列产品在线购买
  • TI(德州仪器) TPS549A20
  • TI(德州仪器) TPS549A20
  • TI(德州仪器) TPS549A20
  • TI(德州仪器) TPS549A20
  • TI(德州仪器) TPS549A20
  • TI(德州仪器) TPS549A20
立即查看
您当前的位置: 首页 > 电源管理 > 直流/直流开关稳压器 > 降压稳压器 > TPS549A20
TPS549A20

TPS549A20

正在供货

具有 PMBus 的 1.5V 至 20V、15A 同步 SWIFT™ 降压转换器

产品详情
  • 说明
  • 特性
  • 参数
  • 封装 | 引脚 | 尺寸

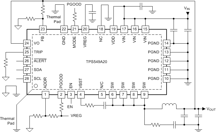
TPS549A20 是一款具有自适应导通时间 D-CAP3 控制模式的小尺寸同步降压转换器。此器件使得空间受限类电源系统易于使用,并且外部组件数量较少。

此器件 特有 高性能集成 MOSFET、精准 0.6V 基准和一个集成的升压开关。具有竞争力的 特性 包括:极低外部组件数量、快速负载瞬态响应、自动跳跃模式操作、内部软启动控制,并且无需补偿。此外,该器件可 通过 PMBus 提供故障报告,从而简化电源设计。

强制持续传导模式有助于满足高性能 DSP 和 FPGA 应用的严格电压调节精度要求。TPS549A20 采用 28 引脚 VQFN-CLIP 封装,并且在 -40°C 至 125°C 的环境温度范围内额定运行。

  • 集成的 SWIFT9.9mΩ 和 4.3mΩ 金属氧化物半导体场效应晶体管 (MOSFET) 支持 15A 持续 IOUT
  • 宽转换输入电压范围:1.5V 至 20V(采用缓冲器)
  • 输出电压范围:0.6V 至 5.5V
  • 支持的 PMBus调节
    • 来调节:电压裕量和调节
    • 软启动时间
    • 加电延迟
    • VDD 欠压闭锁 (UVLO) 电平
    • 故障报告
    • 开关频率
  • 支持所有陶瓷输出电容
  • 基准电压:600mV,±0.5% 容限(在 –40°C 至 85°C 的环境温度范围内)
  • D-CAP3控制模式,此模式具有快速负载阶跃响应
  • HICCUP 过流保护
  • 自动跳跃 Eco-mode,可实现轻负载条件下的高效率
  • 针对严格输出纹波和电压容差要求的强制连续传导模式 (FCCM)
  • 预充电启动功能
  • 8 个可通过 PMBus 接口在
    200kHz 至 1MHz 之间选择的频率设置
  • 4.5mm x 3.5mm 28 引脚超薄四方扁平无引线 (VQFN)-CLIP 封装
  • WEBENCH 设计中心提供支持

应用

  • 服务器、云计算、存储
  • 网络互联和电信、负载点 (POL)
  • IPC、工厂自动化、PLC、测试测量
  • 高性能数字信号处理器 (DSP)、现场可编程门阵列 (FPGA)

All trademarks are the property of their respective owners.

Vin (min) (V)4.5
Vin (max) (V)20
Vout (min) (V)0.6
Vout (max) (V)5.5
Iout (max) (A)15
Iq (typ) (mA)1.35
Switching frequency (min) (kHz)250
Switching frequency (max) (kHz)1000
FeaturesAdaptive/Dynamic Voltage Scaling, Adjustable current limit, Enable, Forced PWM, Light Load Efficiency, Over Current Protection, PMBus, Power good, Pre-Bias Start-Up, Soft Start Adjustable, Synchronous Rectification, UVLO adjustable, Voltage Margining
Operating temperature range (°C)-40 to 125
RatingCatalog
Regulated outputs (#)1
Control modeD-CAP3
Duty cycle (max) (%)50
TypeConverter
VQFN-CLIP (RVE)2815.75 mm² 4.5 x 3.5
产品购买
  • 商品型号
  • 封装
  • 工作温度
  • 包装
  • 价格
  • 现货库存
  • 操作
10s
温馨提示:
订单商品问题请移至我的售后服务提交售后申请,其他需投诉问题可移至我的投诉提交,我们将在第一时间给您答复
返回顶部