h1_key

TI(德州仪器) TPS65086
德州仪器 (TI) 全系列产品在线购买
  • TI(德州仪器) TPS65086
  • TI(德州仪器) TPS65086
  • TI(德州仪器) TPS65086
  • TI(德州仪器) TPS65086
  • TI(德州仪器) TPS65086
  • TI(德州仪器) TPS65086
立即查看
您当前的位置: 首页 > 电源管理 > 多通道 IC (PMIC) > TPS65086
TPS65086

TPS65086

正在供货

适用于 2 节和 3 节锂离子电池供电器件或非电池供电器件的可配置多电轨 PMIC

产品详情
  • 说明
  • 特性
  • 参数
  • 封装 | 引脚 | 尺寸

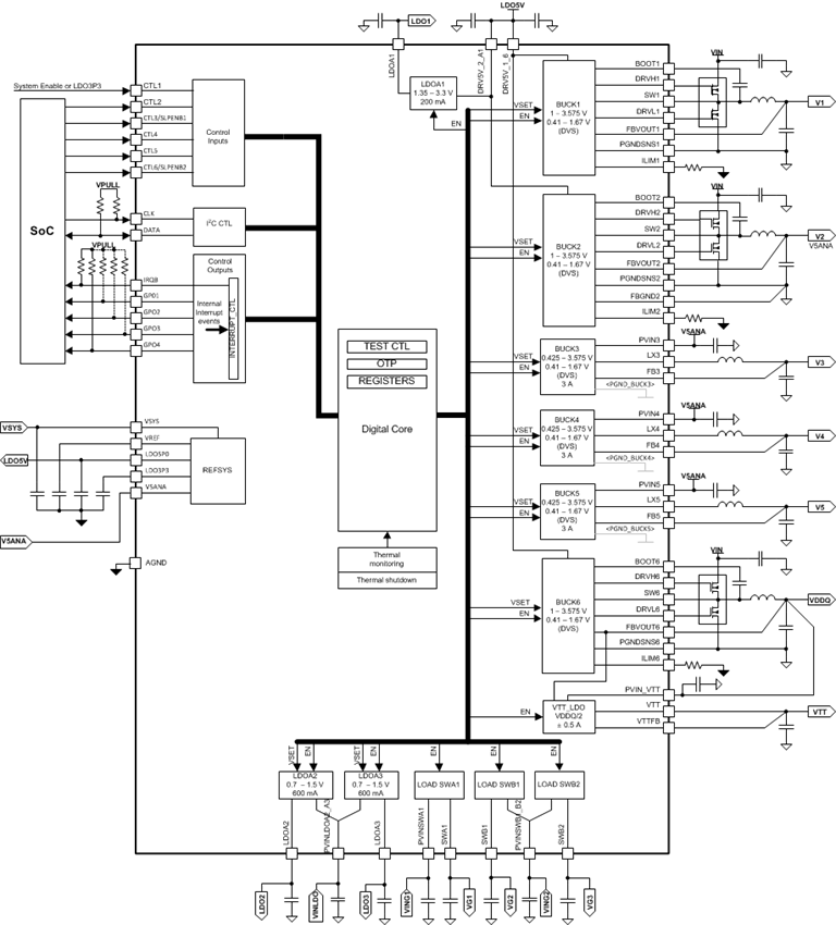
The TPS650860 device is a single-chip power-management IC designed for multicore processors, FPGAs, and other System-on-Chips (SoCs). The TPS650860 offers an input range of 5.6 V to 21 V, enabling a wide range of applications. The device is well suited for NVDC and non-NVDC power architecture using 2S, 3S, or 4S Li-Ion battery packs. See the Application Section for 5-V input supplies. The D-CAP2 and DCS-Control high-frequency voltage regulators use small inductors and capacitors to achieve a small solution size. The D-CAP2 and DCS-Control topologies have excellent transient response performance, which is great for processor core and system memory rails that have fast load switching. An I2C interface allows simple control either by an embedded controller (EC) or by an SoC. The PMIC comes in an 8-mm × 8-mm, single-row VQFN package with thermal pad for good thermal dissipation and ease of board routing.

  • Wide VIN Range From 5.6V to 21 V
  • Three Variable-Output Voltage Synchronous
    Step-Down Controllers With DCAP2™ Topology
    • Scalable Output Current Using External FETs
      With Selectable Current Limit
    • I2C DVS Control From 0.41 V to 1.67 V in
      10-mV Steps or 1 V to 3.575 V in 25-mV Steps
  • Three Variable-Output Voltage Synchronous Step-Down
    Converters With DCS-Control Topology
    • VIN Range From 4.5 V to 5.5 V
    • Up to 3 A of Output Current
    • I2C DVS Control From 0.41 V to 1.67 V
      in 10-mV Steps or 0.425 V to 3.575 V in 25-mV
      Steps
  • Three LDO Regulators With Adjustable Output Voltage
    • LDOA1: I2C-Selectable Output Voltage
      From 1.35 V to 3.3 V for up to 200 mA of Output
      Current
    • LDOA2 and LDOA3: I2C-Selectable Output
      Voltage From 0.7 V to 1.5 V for up to 600 mA of
      Output Current
  • VTT LDO for DDR Memory Termination
  • Three Load Switches With Slew Rate Control
    • Up to 300 mA of Output Current With Voltage
      Drop Less Than 1.5% of Nominal Input Voltage
    • RDSON < 96 mΩ at Input Voltage
      of 1.8 V
  • 5-V Fixed-Output Voltage LDO (LDO5)
    • Power Supply for Gate Drivers of SMPS and
      for LDOA1
    • Automatic Switch to External 5-V Buck for Higher
      Efficiency
  • Built-in Flexibility and Configurability by Factory
    OTP Programming
    • Six GPI Pins Configurable to Enable (CTL1 to CTL6)
      or Sleep Mode Entry (CTL3 and CTL6) of Any Selected
      Rails
    • Four GPO Pins Configurable to Power Good of Any
      Selected Rails
    • Open-Drain Interrupt Output Pin
  • I2C Interface Supports:
    • Standard Mode (100 kHz)
    • Fast Mode (400 kHz)
    • Fast Mode Plus (1 MHz)
Regulated outputs (#)13
ConfigurabilityFactory programmable, Software configurable
Vin (min) (V)5.6
Vin (max) (V)21
Iout (max) (A)21, 25
FeaturesComm control, Dynamic voltage scaling, Enable, Enable pin, I2C control, Overcurrent protection, Power good, Power sequencing, Synchronous rectification, Thermal shutdown, UVLO fixed
Step-up DC/DC converter0
Step-down DC/DC converter3
Step-down DC/DC controller3
Step-up DC/DC controller0
LDO4
Iq (typ) (mA)0.3
RatingCatalog
Switching frequency (max) (kHz)3100
Operating temperature range (°C)-40 to 85
Processor supplierXilinx
Processor nameArtix-7, Zynq Ultrascale+
Shutdown current (ISD) (typ) (µA)65
Switching frequency (typ) (kHz)2500
VQFN (RSK)6464 mm² 8 x 8
产品购买
  • 商品型号
  • 封装
  • 工作温度
  • 包装
  • 价格
  • 现货库存
  • 操作
10s
温馨提示:
订单商品问题请移至我的售后服务提交售后申请,其他需投诉问题可移至我的投诉提交,我们将在第一时间给您答复
返回顶部