h1_key

TI(德州仪器) BQ76200
德州仪器 (TI) 全系列产品在线购买
  • TI(德州仪器) BQ76200
  • TI(德州仪器) BQ76200
  • TI(德州仪器) BQ76200
  • TI(德州仪器) BQ76200
  • TI(德州仪器) BQ76200
  • TI(德州仪器) BQ76200
立即查看
您当前的位置: 首页 > 电源管理 > 电池管理 IC > 电池监测器和平衡器 > BQ76200
BQ76200

BQ76200

正在供货

高侧 N 沟道 FET 驱动器

产品详情
  • 说明
  • 特性
  • 参数
  • 封装 | 引脚 | 尺寸

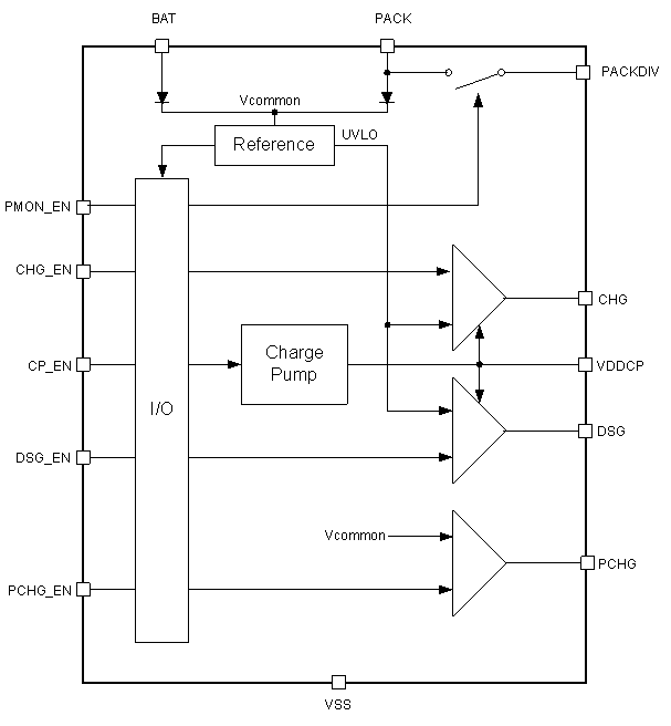
bq76200 器件是一款低功耗、高侧 N 沟道系统。 高侧保护可防止系统的接地引脚断开连接,同时允许电池组与主机系统之间进行持续通信。 该器件的附加 P 沟道 FET 控制功能支持对深度耗尽型电池进行低电流预充电,其 PACK+ 电压监控控制功能支持主机感测 PACK+ 电压。

独立的使能输入允许单独导通和关断 CHG 与 DSG FET,从而提供灵活的电池系统实施方案。

bq76200 器件可与配套的模拟前端器件搭配使用,例如 bq76920/30/40 系列、3 节至 15 节电池模拟前端监控以及主机微控制器或专用的充电状态 (SOC) 跟踪电量监测计器件。

  • CHG 和 DSG 高侧 N 沟道金属氧化物半导体 (NMOS) 场效应晶体管 (FET) 驱动器,可控制电池保护快速 FET 导通和关断次数
  • 预充电 P 沟道场效应晶体管 (PFET) 驱动器(用于为显著耗尽的电池组进行限流预充电)
  • 独立的数字使能充/放电控制
  • 所需外部组件最少
  • 基于可扩展外部电容的电荷泵,适用于不同范围内的并行 FET
  • 耐受高压(绝对最高电压为 100V)
  • 使能电池组电压感测的内部开关
  • 支持通用和独立的充/放电路径配置
  • 设计为直接与 bq76940、bq76930 和 bq76920 电池监控器搭配使用
  • 电流消耗:
    • 正常模式:40μA
    • 关断模式:< 10µA(最大值)

应用

  • 电动自行车 (eBike)、电动踏板车 (eScooter) 和电动摩托车 (eMotorcycles)
  • 储能系统和不间断电源 (UPS)
  • 便携式医疗系统
  • 无线基站电池系统
  • 铅酸 (PbA) 备用电池
  • 12V 至 48V 电池组

Number of series cells (min)3
Vin (max) (V)75
FeaturesHigh-side N-FET driver
Device typeGate driver
Number of series cells (max)16
Operating temperature range (°C)-40 to 85
RatingCatalog
Communication interfaceNo Communication
Operating current (typ) (µA)40
TSSOP (PW)1632 mm² 5 x 6.4
产品购买
  • 商品型号
  • 封装
  • 工作温度
  • 包装
  • 价格
  • 现货库存
  • 操作
10s
温馨提示:
订单商品问题请移至我的售后服务提交售后申请,其他需投诉问题可移至我的投诉提交,我们将在第一时间给您答复
返回顶部