h1_key

TI(德州仪器) TPS57140-EP
德州仪器 (TI) 全系列产品在线购买
  • TI(德州仪器) TPS57140-EP
  • TI(德州仪器) TPS57140-EP
  • TI(德州仪器) TPS57140-EP
  • TI(德州仪器) TPS57140-EP
  • TI(德州仪器) TPS57140-EP
  • TI(德州仪器) TPS57140-EP
立即查看
您当前的位置: 首页 > 电源管理 > 直流/直流开关稳压器 > 降压稳压器 > TPS57140-EP
TPS57140-EP

TPS57140-EP

正在供货

TPS57140-EP 具有 Eco-mode™ 控制方案的 1.5A、42V 直流/直流降压转换器

产品详情
  • 说明
  • 特性
  • 参数
  • 封装 | 引脚 | 尺寸

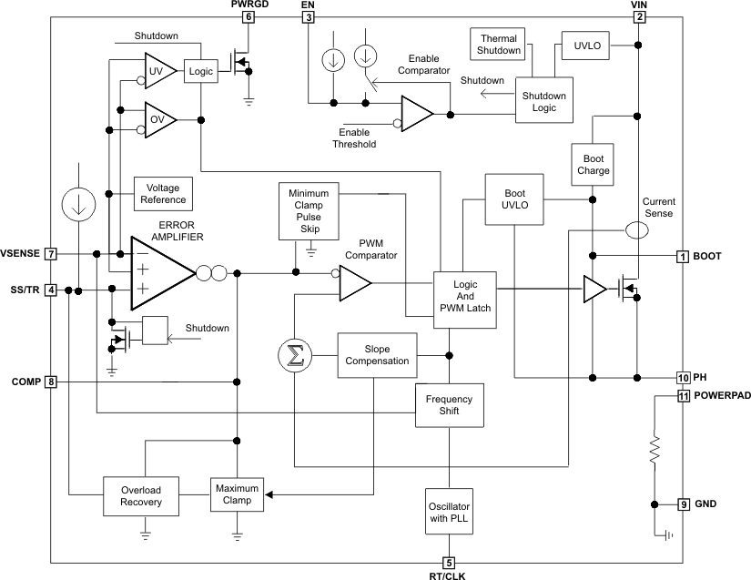
TPS57140-EP 器件是一款带有集成型高侧 MOSFET 的 42V,1.5A 降压稳压器。电流模式控制提供了简单的外部补偿和灵活的组件选择。低纹波脉冲跳跃模式可将无负载的稳压输出电源电流减小至 116µA。通过使能引脚可以将关断电源电流减小至 1.5µA。

UVLO 电压在内部设定为 2.5V,但可用使能引脚将之提高。缓启动引脚控制输出电压启动斜升,该引脚还可配置用于排序或跟踪。开漏电源正常信号表示输出处于其标称电压值的 92% 至 109% 之内。

宽开关频率范围可实现效率和外部组件尺寸的优化。频率折返和热关断功能负责在过载情况下保护器件。

TPS57140-EP 采用 10 引脚超薄型小外形尺寸无引线 (VSON) 封装 (DRC)。

  • 3.5V 至 42V 输入电压范围
  • 200mΩ 高侧金属氧化物半导体场效应晶体(MOSFET)
  • 在具有脉冲跳跃的轻负载下实现高效率 Eco-mode™控制机制
  • 116µA 工作静态电流
  • 1.5µA 关断电流
  • 100kHz 至 2.5MHz 开关频率
  • 同步至外部时钟
  • 可调缓启动和排序
  • 欠压和过压电源正常输出
  • 可调的欠压闭锁 (UVLO) 电压和滞后
  • 0.8V 内部电压基准
  • 支持国防、航天和医疗 应用
    • 受控基线
    • 同一组装和测试场所
    • 同一制造场所
    • 支持军用(-55°C 至 125°C)温度范围
    • 延长的产品生命周期
    • 延长的产品变更通知
    • 产品可追溯性
Vin (min) (V)3.5
Vin (max) (V)42
Vout (min) (V)0.8
Vout (max) (V)39
Iout (max) (A)1.5
Iq (typ) (mA)0.116
Switching frequency (min) (kHz)100
Switching frequency (max) (kHz)2500
FeaturesEnable, Frequency synchronization, Light Load Efficiency, Over Current Protection, Power good, Tracking, UVLO adjustable
Operating temperature range (°C)-55 to 125
RatingHiRel Enhanced Product
Regulated outputs (#)1
Control modecurrent mode
Duty cycle (max) (%)100
TypeConverter
VSON (DRC)109 mm² 3 x 3
产品购买
  • 商品型号
  • 封装
  • 工作温度
  • 包装
  • 价格
  • 现货库存
  • 操作
10s
温馨提示:
订单商品问题请移至我的售后服务提交售后申请,其他需投诉问题可移至我的投诉提交,我们将在第一时间给您答复
返回顶部