h1_key

TI(德州仪器) TLC59291
德州仪器 (TI) 全系列产品在线购买
  • TI(德州仪器) TLC59291
  • TI(德州仪器) TLC59291
  • TI(德州仪器) TLC59291
  • TI(德州仪器) TLC59291
  • TI(德州仪器) TLC59291
  • TI(德州仪器) TLC59291
立即查看
您当前的位置: 首页 > 电源管理 > LED 驱动器 > LED 显示驱动器 > TLC59291
TLC59291

TLC59291

正在供货

具有低静态电流和完全自诊断功能的 8/16 通道恒流 LED 驱动器

产品详情
  • 说明
  • 特性
  • 参数
  • 封装 | 引脚 | 尺寸

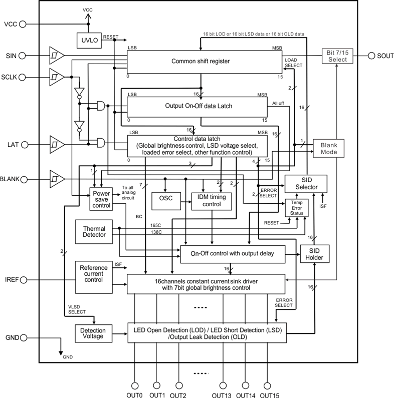
TLC59291 是一款 8/16 通道恒定灌电流 LED 驱动器。每个通道可通过向内部寄存器写入数据进行开关。所有 16 个通道的恒定电流值均由单个外部电阻设置,并且支持 128 色阶全局亮度控制 (BC)。

TLC59291 具有六类错误标志:LED 开路检测 (LOD)、LED 短路检测 (LSD)、输出漏电检测 (OLD)、基准引脚短路检测 (ISF)、预热报警 (PTW) 以及热故障标志 (TEF)。此外,LOD 和 LSD 功能还具有无形检测模式 (IDM),可在输出关闭时检测这些故障。故障检测结果可通过串行接口端口读取。

TLC59291 在正常工作模式下拥有低静态电流,并且还可在所有输出关闭时进入省电模式,从而将总电流消耗设为 10uA(典型值)。

  • 8/16 个支持开关控制的恒定灌电流输出通道
  • 电流能力:
    • 1mA - 40mA (VCC ≤ 3.6V)
    • 1mA - 50mA (VCC > 3.6V)
  • 全局亮度控制:7 位(128 色阶)
  • 电源电压范围:3V 至 5.5V
  • LED 电源电压:高达 10V
  • 恒定电流精度:
    • 通道间 = ±3%(典型值)
    • 器件间 = ±2%(典型值)
  • 低静态电流
  • SOUT 可配置为 8 通道或 16 通道输出
  • 支持无形检测模式的 LED 开路检测 (LOD)/LED 短路检测 (LSD)
  • 输出漏电检测 (OLD) 可检测 3µA 漏电
  • 预热报警 (PTW)
  • 热关断 (TSD)
  • 电流基准引脚短路标志 (ISF)
  • 10µA 流耗的省电模式
  • 欠压锁定可设置默认数据
  • 通道间 2ns 延迟开关可最大限度减少浪涌电流
  • 运行温度:-40°C 至 85°C

应用范围

  • 工业用 LED 指示灯
  • 照明
  • LED 视频显示

FeaturesError Flag, Fault Detection, LED Open Detection, LED Short to Ground Detection, LED Short to VLED Detection, ON/OFF LED Driver, Power good, Thermal shutdown
Analog dimming steps128
Data transfer rate (typ) (MHz)33
Ch to ch accuracy (typ) (±%)1
RatingCatalog
Operating temperature range (°C)-40 to 85
VQFN (RGE)2416 mm² 4 x 4
产品购买
  • 商品型号
  • 封装
  • 工作温度
  • 包装
  • 价格
  • 现货库存
  • 操作
10s
温馨提示:
订单商品问题请移至我的售后服务提交售后申请,其他需投诉问题可移至我的投诉提交,我们将在第一时间给您答复
返回顶部