h1_key

TI(德州仪器) TPS7A4001-EP
德州仪器 (TI) 全系列产品在线购买
  • TI(德州仪器) TPS7A4001-EP
  • TI(德州仪器) TPS7A4001-EP
  • TI(德州仪器) TPS7A4001-EP
  • TI(德州仪器) TPS7A4001-EP
  • TI(德州仪器) TPS7A4001-EP
  • TI(德州仪器) TPS7A4001-EP
立即查看
您当前的位置: 首页 > 电源管理 > 线性和低压降 (LDO) 稳压器 > TPS7A4001-EP
TPS7A4001-EP

TPS7A4001-EP

正在供货

100V 输入电压、50mA 单输出低压降稳压器(增强型产品)

产品详情
  • 说明
  • 特性
  • 参数
  • 封装 | 引脚 | 尺寸

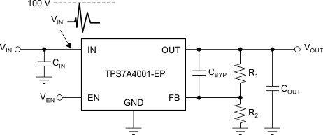
TPS7A4001-EP 器件是一款能够耐受超高电压的线性稳压器,不仅融合了耐热增强型封装 (HVSSOP) 的优势,还能够承受持续直流电压或最高达 100V 的瞬态输入电压。

TPS7A4001-EP 器件与任何高于 4.7µF 的输出电容以及高于 1µF 的输入电容搭配使用时均可保持稳定(过热和浪涌保护)。 鉴于这款器件的封装 (HVSSOP) 小巧且可能使用的输出电容也较小,因此实现起来只需占用非常小的电路板空间。 此外,TPS7A4001-EP 器件还提供了一个与标准 CMOS 逻辑兼容的使能引脚 (EN),用以使能低电流关断模式。

TPS7A4001-EP 器件内部具有热关断和电流限制功能,可在故障情况下保护系统。 TPS7A4001-EP 器件的工作温度范围为 TJ = –55°C 至 125°C。

此外,TPS7A4001-EP 器件非常适合在电信和工业应用中利用中间电压轨生成低压电源;该器件不但能够提供一个经充分稳压的电压轨,而且能够承受超高的快速电压瞬变并在其间保持稳压状态。 这些特性相当于一套更为简单且经济高效的电气浪涌保护电路,因此被包括 PoE、偏置电源和 LED 照明在内的多类应用广泛使用。

  • 超高最大输入电压:100V
  • 宽输入电压范围:7V 至 100V
  • 准确度:
    • 标称:1%
    • 整个线路、负载和温度范围内:2.7%
  • 低静态电流:25µA
  • 关断时的静态电流:4.1µA
  • 最大输出电流:50mA
  • CMOS 逻辑电平兼容的使能引脚
  • 可调节输出电压范围约为 1.175V 至
    90V
  • 与陶瓷电容搭配使用时可保持稳定:
    • 输入电容:≥ 1µF
    • 输出电容:≥ 4.7µF
  • 压降电压:290mV
  • 内置限流和热关断保护
  • 封装:高散热性能 HVSSOP 封装 PowerPAD
  • 支持国防、航天和医疗应用
    • 受控基线
    • 同一组装和测试场所
    • 同一制造场所
    • 支持军用(-55°C 至 125°C)温度范围
    • 延长的产品生命周期
    • 延长的产品变更通知
    • 产品可追溯性

应用

  • 由工业用总线(具有高电压瞬态)供电的微处理器、微控制器
  • 工业自动化
  • 电信基础设施
  • 车用
  • 以太网供电 (PoE)
  • 发光二级管 (LED) 照明
  • 偏置电源

All trademarks are the property of their respective owners.

Output optionsAdjustable Output
Iout (max) (A)0.05
Vin (max) (V)100
Vin (min) (V)7
Vout (max) (V)90
Vout (min) (V)1.2
Fixed output options (V)0
Noise (µVrms)58
Iq (typ) (mA)0.02
Thermal resistance θJA (°C/W)67
RatingHiRel Enhanced Product
Load capacitance (min) (µF)4.7
Regulated outputs (#)1
FeaturesEnable
Accuracy (%)2.5
PSRR at 100 KHz (dB)38
Dropout voltage (Vdo) (typ) (mV)290
Operating temperature range (°C)-55 to 125
HVSSOP (DGN)814.7 mm² 3 x 4.9
产品购买
  • 商品型号
  • 封装
  • 工作温度
  • 包装
  • 价格
  • 现货库存
  • 操作
10s
温馨提示:
订单商品问题请移至我的售后服务提交售后申请,其他需投诉问题可移至我的投诉提交,我们将在第一时间给您答复
返回顶部