h1_key

TI(德州仪器) TPS65094
德州仪器 (TI) 全系列产品在线购买
  • TI(德州仪器) TPS65094
  • TI(德州仪器) TPS65094
  • TI(德州仪器) TPS65094
  • TI(德州仪器) TPS65094
  • TI(德州仪器) TPS65094
  • TI(德州仪器) TPS65094
立即查看
您当前的位置: 首页 > 电源管理 > 多通道 IC (PMIC) > TPS65094
TPS65094

TPS65094

正在供货

适用于 Apollo Lake 处理器的可编程中等输入电压范围电源管理 IC (PMIC)

产品详情
  • 说明
  • 特性
  • 参数
  • 封装 | 引脚 | 尺寸

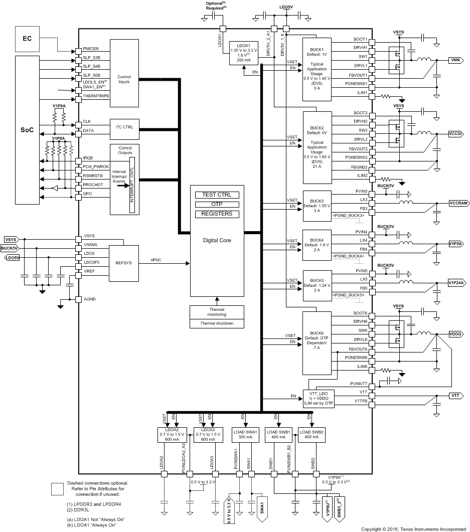
TPS65094 器件是一款单芯片解决方案电源管理集成芯片 (PMIC),专为最新的 Intel™处理器进行设计,这些处理器以通过 2 节、3 节或 4 节锂离子电池组(NVDC 或非 NVDC 电源架构)供电的平板电脑、超极本、笔记本、工业计算机和物联网 (IOT) 应用 以及壁式供电的 应用为目标。

TPS65094 器件用于合并低电压轨的必需系统,以获得最小的尺寸和成本最低的系统电源解决方案。TPS65094 器件可提供基于 Intel 参考设计的完整电源解决方案。由上电序列逻辑控制六个高效降压稳压器 (VR)、一个灌/拉 LDO (VTT)、以及一个负载开关,以提供正确的电源轨、定序和保护 — 包括 DDR3 和 DDR4 存储器电源。两个稳压器(BUCK1 和 BUCK2)支持动态电压调节 (DVS),可最大限度地提高效率(包括支持联网待机功能)。高频 VR 采用小型电感和电容来减小解决方案体积。凭借 I2C 接口,可通过嵌入式控制器 (EC) 或片上系统 (SoC) 轻松实现控制功能。

PMIC 采用带散热焊盘的 8mm × 8mm 单行 VQFN 封装,因此散热性能良好,电路板布线简单。

  • 5.6V 至 21V 的宽输入电压范围
  • 三个可变输出电压同步
    降压控制器 D-CAP2™拓扑
    • 对于 BUCK1 (VNN),电流为 5A;对于 BUCK6 (VDDQ),电流为 7A,对于典型应用中使用外部 FET 的 BUCK2 (VCCGI),电流为 21A
    • 针对 BUCK1 和 BUCK2
    • 对于 BUCK6 (VDDQ),提供 OTP 可编程默认输出电压
  • 三个可变输出电压同步
    降压转换器,采用 DCS-Control 拓扑技术并支持 I2C DVS 功能
    • 输入电压范围为 4.5V 至 5.5V
    • 对于 BUCK3 (VCCRAM),输出电流为 3A
    • 对于典型应用中的 BUCK4 (V1P8A) 和 BUCK5 (V1P24A),输出电流为 2A
  • 三个具有可调输出电压的 LDO 稳压器
    • LDOA1:I2C 可选输出电压为 1.35V 至 3.3V,输出电流高达 200mA
    • LDOA2 和 LDOA3:I2C 可选输出电压为 0.7V 至 1.5V,输出电流高达 600mA
  • 适用于 DDR 存储器终端的 VTT LDO
  • 三个具有压摆率控制功能的负载开关
    • 输出电流高达 400mA,压降小于标称输入电压的 1.5%
    • 输入电压为 1.8V 时,RDSON < 96mΩ
  • I2C 接口(器件地址 0x5E)支持:
    • 标准模式 (100kHz)
    • 快速模式 (400kHz)
    • 快速模式+ (1MHz)
Regulated outputs (#)12
ConfigurabilityFactory programmable, Software configurable
Vin (min) (V)5.6
Vin (max) (V)21
Iout (max) (A)21
FeaturesComm control, Dynamic voltage scaling, Enable, Enable pin, I2C control, Overcurrent protection, Power good, Power sequencing, Synchronous rectification, Thermal shutdown, UVLO fixed
Step-up DC/DC converter0
Step-down DC/DC converter3
Step-down DC/DC controller3
Step-up DC/DC controller0
LDO4
Iq (typ) (mA)0.3
RatingCatalog
Switching frequency (max) (kHz)3100
Operating temperature range (°C)-40 to 85
Processor supplierIntel/Altera
Processor nameApollo Lake
Shutdown current (ISD) (typ) (µA)65
Switching frequency (typ) (kHz)2500
VQFN (RSK)6464 mm² 8 x 8
产品购买
  • 商品型号
  • 封装
  • 工作温度
  • 包装
  • 价格
  • 现货库存
  • 操作
10s
温馨提示:
订单商品问题请移至我的售后服务提交售后申请,其他需投诉问题可移至我的投诉提交,我们将在第一时间给您答复
返回顶部