h1_key

TI(德州仪器) BQ40Z50-R1
德州仪器 (TI) 全系列产品在线购买
  • TI(德州仪器) BQ40Z50-R1
  • TI(德州仪器) BQ40Z50-R1
  • TI(德州仪器) BQ40Z50-R1
  • TI(德州仪器) BQ40Z50-R1
  • TI(德州仪器) BQ40Z50-R1
  • TI(德州仪器) BQ40Z50-R1
立即查看
您当前的位置: 首页 > 电源管理 > 电池管理 IC > 电池电量监测 > BQ40Z50-R1
BQ40Z50-R1

BQ40Z50-R1

正在供货

支持涡轮模式 1.0 的 1 至 4 节串联锂离子电池组管理器

产品详情
  • 说明
  • 特性
  • 参数
  • 封装 | 引脚 | 尺寸

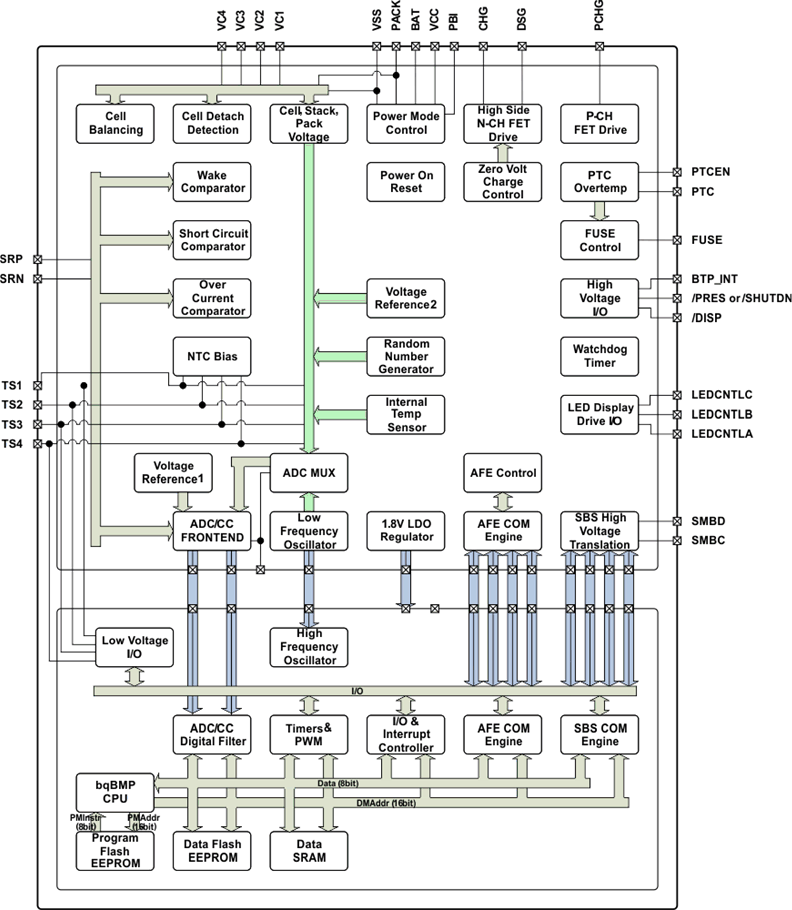
bq40z50-R1 器件采用已获专利的 Impedance Track 技术,是一款基于电池组的单芯片全集成解决方案,针对 1 节、2 节、3 节和 4 节串联锂离子或锂聚合物电池组提供电量监测、保护及认证等一些列丰富的功能。

bq40z50-R1 器件利用其集成的高性能模拟外设,测量锂离子或锂聚合物电池的可用容量、电压、电流、温度和其他关键参数,保留准确的数据记录,并通过 SMBus v1.1 兼容接口将这些信息报告给系统主机控制器。

bq40z50-R1 器件为主机系统提供最大的功率和电流,从而支持 Turbo 升压模式。 该器件还支持电池跳变点,从而在预设的充电阈值状态向主机系统发送 BTP 中断信号。

bq40z50-R1 提供了基于软件的第 1 级和第 2 级安全保护,可防止出现过压、欠压、过流、短路、过载和过热情况以及其他与电池组和电池相关的故障。

具有针对认证码密钥的安全内存的 SHA-1 认证能够识别真正的电池组。

这个紧凑的 32 导线 QFN 封装在尽可能地提供电池电量测量应用的功能性和安全性的同时,最大限度地降低解决方案成本和智能电池的尺寸。

  • 全集成 1 节、2 节、3 节和 4 节串联锂离子或锂聚合物电池组管理器及保护
  • 下一代已获专利的 Impedance Track 技术可准确测量锂离子和锂聚合物电池中的可用电量
  • 高侧 N 通道保护场效应晶体管 (FET) 驱动
  • 充电或者静止状态时集成的电池均衡
  • 可编程保护特性的完全阵列
    • 电压
    • 电流
    • 温度
    • 充电终止时间
    • CHG/DSG FET
    • 模拟前端 (AFE)
  • 精密的充电算法
    • 日本电子与信息技术工业协会 (JEITA)
    • 增强型充电
    • 自适应充电
    • 电池均衡
  • 支持 TURBO 升压模式
  • 支持电池跳变点 (BTP)
  • 诊断寿命数据监视器和黑匣子记录器
  • 发光二极管 (LED) 显示
  • 支持 2 线制系统管理总线 (SMBus) v1.1 接口
  • 安全散列算法 (SHA-1) 认证
  • 紧凑封装:32 导线四方扁平无引线 (QFN) (RSM)

应用

  • 笔记本/上网本
  • 医疗与测试设备
  • 便携式仪表

All trademarks are the property of their respective owners.

Cell chemistryLi-Ion/Li-Polymer, LiFePO4
Number of series cells2-4 Cells, Single Cell
Communication interfaceSMBus
Battery capacity (min) (mAh)100
Battery capacity (max) (mAh)65000
ImplementationPack
External capacity indicationLED
FeaturesCell balancing, Impedance Track™ algorithm, Integrated Protector, SHA-1 Authentication, Turbo Mode
Operating temperature range (°C)-40 to 85
Cell balancingExternal, Internal
RatingCatalog
VQFN (RSM)3216 mm² 4 x 4
产品购买
  • 商品型号
  • 封装
  • 工作温度
  • 包装
  • 价格
  • 现货库存
  • 操作

很抱歉,暂时无法提供与“BQ40Z50-R1”系列相匹配的产品,您可以联系专属客服快速找货或在现货搜索框中重新搜索。

10s
温馨提示:
订单商品问题请移至我的售后服务提交售后申请,其他需投诉问题可移至我的投诉提交,我们将在第一时间给您答复
返回顶部