h1_key

TI(德州仪器) TPS51275B-1
德州仪器 (TI) 全系列产品在线购买
  • TI(德州仪器) TPS51275B-1
  • TI(德州仪器) TPS51275B-1
  • TI(德州仪器) TPS51275B-1
  • TI(德州仪器) TPS51275B-1
  • TI(德州仪器) TPS51275B-1
  • TI(德州仪器) TPS51275B-1
立即查看
您当前的位置: 首页 > 电源管理 > 直流/直流开关稳压器 > 降压稳压器 > TPS51275B-1
TPS51275B-1

TPS51275B-1

正在供货

具有 Out-of-Audio™ 模式和 3.2ms 软启动的 5.5V 至 24V 双路同步降压控制器

产品详情
  • 说明
  • 特性
  • 参数
  • 封装 | 引脚 | 尺寸

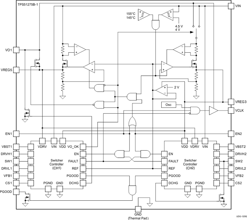
TPS51275B-1 器件是一款面向笔记本系统电源解决方案的经济实用型双路同步降压控制器。 该器件具有 5V 和 3.3V 低压降稳压器,只需要很少的外部元件。 该器件可使用 260kHz VCLK 输出来驱动外部电荷泵,从而为负载开关生成栅极驱动电压,并且不会降低主转换器的效率。 TPS51275B-1 兼具高效率和快速瞬态响应优势,同时可提供组合式电源正常信号。 自适应导通时间 D-CAP 控制方案可确保器件的运行方便而高效。 器件的电源输入电压范围为 5V 至 24V,并且支持 5V 和 3.3V 两种输出电压。TPS51275B-1 器件采用 20 引脚 3mm × 3mm WQFN 封装,额定温度范围为 –40°C 至 85°C。

  • 输入电压范围:5V 至 24V
  • 输出电压:5V 和 3.3V(可调范围 ±10%)
  • 内置 100mA、5V 和 3.3V 低压降稳压器 (LDO)
  • 用于电荷泵的时钟输出
  • ±1% 基准精度
  • 自适应接通时间 D-CAP 模式控制架构,此架构支持 300kHz 和 355kHz 频率设置
  • Out-of-Audio™ (OOA) 轻负载操作
  • 内部 3.2ms 电压伺服器软启动
  • 低侧 RDS(on)电流感测机制
  • 内置输出放电功能
  • 用于开关的独立使能输入
  • 专用 OC 设置引脚
  • 电源正常指示器
  • 过压保护 (OVP)、欠压保护 (UVP) 和过流保护 (OCP)
  • 非锁存欠压闭锁 (UVLO) 和过热 (OTP) 保护
  • 20 引脚 3mm × 3mm 超薄型四方扁平无引线 (WQFN) (RUK) 封装

应用

  • 笔记本电脑
  • 平板电脑
  • 台式机

All trademarks are the property of their respective owners.

Vin (min) (V)5
Vin (max) (V)24
Vout (min) (V)4.85
Vout (max) (V)5.1
Iout (max) (A)20
Iq (typ) (mA)0.8
Switching frequency (min) (kHz)300
Switching frequency (max) (kHz)355
FeaturesEnable, Power good, Synchronous Rectification
Operating temperature range (°C)-40 to 85
Regulated outputs (#)2
Number of phases1
RatingCatalog
Control modeD-CAP
TypeController
WQFN (RUK)209 mm² 3 x 3
产品购买
  • 商品型号
  • 封装
  • 工作温度
  • 包装
  • 价格
  • 现货库存
  • 操作
10s
温馨提示:
订单商品问题请移至我的售后服务提交售后申请,其他需投诉问题可移至我的投诉提交,我们将在第一时间给您答复
返回顶部