h1_key

TI(德州仪器) TPS7B7702-Q1
德州仪器 (TI) 全系列产品在线购买
  • TI(德州仪器) TPS7B7702-Q1
  • TI(德州仪器) TPS7B7702-Q1
  • TI(德州仪器) TPS7B7702-Q1
  • TI(德州仪器) TPS7B7702-Q1
  • TI(德州仪器) TPS7B7702-Q1
  • TI(德州仪器) TPS7B7702-Q1
立即查看
您当前的位置: 首页 > 电源管理 > 线性和低压降 (LDO) 稳压器 > TPS7B7702-Q1
TPS7B7702-Q1

TPS7B7702-Q1

正在供货

汽车类 300mA、电池供电运行 (40V)、双通道可调节天线低压降稳压器

产品详情
  • 说明
  • 特性
  • 参数
  • 封装 | 引脚 | 尺寸

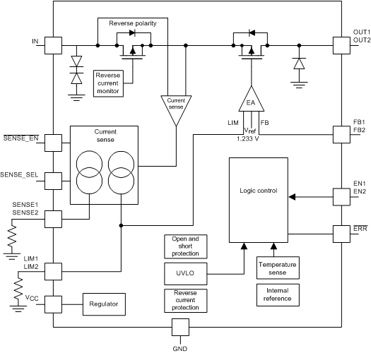
TPS7B770x-Q1 系列器件采用具有电流检测功能的单通道和双通道高电压低压差稳压器 (LDO),适合在 4.5V 至 40V(45V 负载突降保护)的宽输入电压范围内工作。这些器件通过一条每通道电流为 300mA 的同轴电缆为有源天线的低噪声放大器供电。每条通道还可提供 1.5V 至 20V 的可调节输出电压。

这些器件通过电流检测和错误引脚提供诊断。为监视负载电流,高侧电流检测电路提供了与检测的负载电流成比例的模拟输出。电流检测功能非常精确,无需进一步校正即可检测开路、正常和短路条件。可以在通道和器件间对电流检测进行多路复用,以节省模数转换器 (ADC) 资源。每个通道还通过外部电阻实现了可调节限流功能。

集成了反极性二极管,因此无需使用外部二极管。这些器件具有标准热关断功能、输出端电池短路保护功能以及反向电流保护功能。各通道可在电感式开关断开期间为输出端提供内部电感式钳位保护。

这些器件的工作环境温度范围为 -40°C 至 +125°C。

  • 符合汽车类应用的 要求
  • 具有符合 AEC-Q100 标准的下列特性:
    • 器件温度 1 级:–40°C 至 125°C 的环境运行温度范围
    • 器件人体放电模式 (HBM) 静电放电 (ESD) 分类等级 2
    • 器件组件充电模式 (CDM) ESD 分类等级 C4B
  • 具有电流检测和可调节限流功能的单通道和双通道低压降稳压器 (LDO)
  • 4.5V 至 40V 宽输入电压范围,45V 负载突降保护
  • FB 接至 GND 时进入电源开关模式
  • 1.5V 至 20V 可调节输出电压
  • 每通道输出电流高达 300mA
  • 可通过外部电阻实现可调节限流功能
  • 高精度电流检测功能,无需进一步校准即可在低电流下检测天线开路情况
  • 高电源抑制比:100Hz 时的典型值为 73dB
  • 集成反向极性保护,低至 -40V 且无需外部二极管
  • 负载电流为 100mA 时,最大压降电压为 500mV
  • 与 2.2µF 至 100µF(ESR 为 1mΩ 至 5Ω)范围内的输出电容器搭配使用时可保持稳定
  • 集成了保护和诊断功能
    • 热关断
    • 欠压锁定 (UVLO)
    • 短路保护
    • 反向电池极性保护
    • 反向电流保护
    • 输出端电池短路保护
    • 输出端感性负载钳位
    • 多通道/器件间的电流检测功能复用
    • 能够通过电流检测功能区分所有故障
  • 16 引脚 HTSSOP PowerPAD™封装
Output optionsAdjustable Output
Iout (max) (A)0.3
Vin (max) (V)40
Vin (min) (V)4
Vout (max) (V)20
Vout (min) (V)1.5
Iq (typ) (mA)0.6
Thermal resistance θJA (°C/W)38.5
TI functional safety categoryFunctional Safety-Capable
RatingAutomotive
Load capacitance (min) (µF)2.2
Regulated outputs (#)2
FeaturesAdjustable current limit, Current sense, Enable, Reverse Current Protection, Reverse voltage protection, Short-to-battery protection
Accuracy (%)2
PSRR at 100 KHz (dB)60
Dropout voltage (Vdo) (typ) (mV)350
Operating temperature range (°C)-40 to 125
HTSSOP (PWP)1632 mm² 5 x 6.4
产品购买
  • 商品型号
  • 封装
  • 工作温度
  • 包装
  • 价格
  • 现货库存
  • 操作
10s
温馨提示:
订单商品问题请移至我的售后服务提交售后申请,其他需投诉问题可移至我的投诉提交,我们将在第一时间给您答复
返回顶部