h1_key

TI(德州仪器) TPS25944L
德州仪器 (TI) 全系列产品在线购买
  • TI(德州仪器) TPS25944L
  • TI(德州仪器) TPS25944L
  • TI(德州仪器) TPS25944L
  • TI(德州仪器) TPS25944L
  • TI(德州仪器) TPS25944L
  • TI(德州仪器) TPS25944L
立即查看
您当前的位置: 首页 > 电源管理 > 电源开关 > 电子保险丝和热插拔控制器 > TPS25944L
TPS25944L

TPS25944L

正在供货

具有反向电流阻断功能的 2.7V 至 18V、42mΩ、0.6A 至 5.2A 电子保险丝

产品详情
  • 说明
  • 特性
  • 参数
  • 封装 | 引脚 | 尺寸

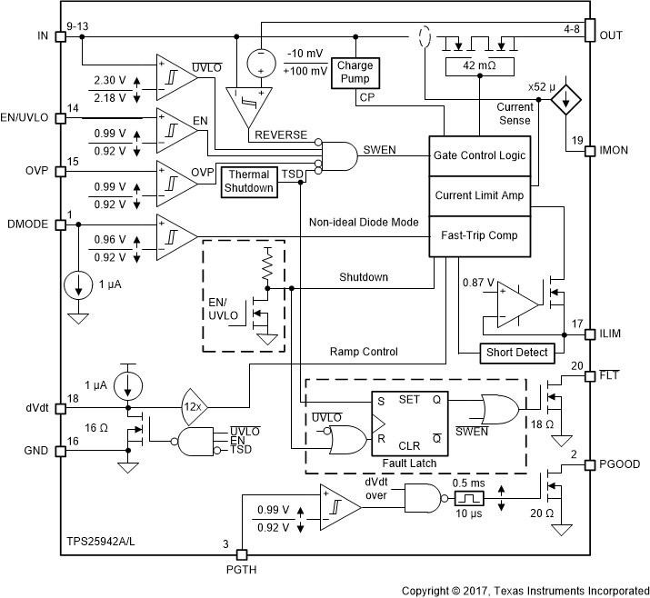
TPS25942,TPS25944 eFuse 电源 MUX 是一款紧凑型且功能丰富的电源管理器件,此器件具有一整套的保护功能。宽工作范围可实现对很多常用直流总线电压的控制。集成背靠背场效应晶体管 (FET) 提供双向电流控制,从而使得此器件非常适合于电源复用和具有多个电源的系统。

该器件还为负载、电源和器件提供了许多可编程保护 特性。为了满足特定的系统要求,可设定针对欠压,过压,过流,dVo/dt 斜率,电源正常和涌入电流保护的阈值。为了实现系统状态监视和下游负载控制,此器件提供 PGOOD,FLT 和精确地电流监视输出。

TPS25942、TPS25944 可监视 V(IN) 和 V(OUT),从而在 V(IN) < (V(OUT) – 10mV) 时提供真正的反向输出阻断。该器件经过配置可使用 FLT 和 DMODE 引脚来分配主/辅助电源优先级。

  • 工作电压范围:2.7V 至 18V,最大值为 20V
  • 42mΩ RON(典型值)
  • 0.6A 至 5.3A 可调电流限值 (±8%)
  • IMON 电流指示器输出 (±8%)
  • 工作时的 IQ 典型值为 200µA
  • 禁用时的 IQ 典型值为 15µA
  • ±2% 过压、欠压阈值
  • 反向电流阻断
  • 1µs 反向电压关断时间
  • 可编程 dVo/dt 控制
  • 电源正常和故障输出
  • 两个过流故障响应选项
    • TPS25942:热关断时的 I(LIMIT)
    • TPS25944:4ms 故障定时器,然后关闭
  • 结温范围为 -40°C 至 +125°C
  • 已通过 UL 2367 认证
    • 文件编号169910
    • RILIM ≥ 20kΩ(最大电流为 4.81A)
  • 单点故障期间,符合 UL60950 安规
    • 开路-短路 ILIM 检测
FETInternal
Ron (typ) (mΩ)42
Vin (min) (V)2.7
Vin (max) (V)18
Vabsmax_cont (V)20
Current limit (min) (A)0.6
Current limit (max) (A)5.2
Overcurrent responseCircuit breaker
Fault responseLatch-off
Soft startAdjustable
Overvoltage responseCut-off
FeaturesCurrent monitoring, Fault output, Power good signal, Reverse current blocking always
UL recognitionUL2367, UL60950
RatingCatalog
Device typeeFuses and hot swap controllers
Operating temperature range (°C)-40 to 85
FunctionAdjustable current limit, Current monitoring, Inrush current control, Overvoltage protection, Power good signal, Reverse current blocking, Short circuit protection, Thermal shutdown
WQFN (RVC)2012 mm² 4 x 3
产品购买
  • 商品型号
  • 封装
  • 工作温度
  • 包装
  • 价格
  • 现货库存
  • 操作
10s
温馨提示:
订单商品问题请移至我的售后服务提交售后申请,其他需投诉问题可移至我的投诉提交,我们将在第一时间给您答复
返回顶部