h1_key

TI(德州仪器) LMR14050
德州仪器 (TI) 全系列产品在线购买
  • TI(德州仪器) LMR14050
  • TI(德州仪器) LMR14050
  • TI(德州仪器) LMR14050
  • TI(德州仪器) LMR14050
  • TI(德州仪器) LMR14050
  • TI(德州仪器) LMR14050
立即查看
您当前的位置: 首页 > 电源管理 > 直流/直流开关稳压器 > 降压稳压器 > LMR14050
LMR14050

LMR14050

正在供货

具有 40μA IQ 的 SIMPLE SWITCHER®、40V、5A 2.2MHz 降压转换器

产品详情
  • 说明
  • 特性
  • 参数
  • 封装 | 引脚 | 尺寸

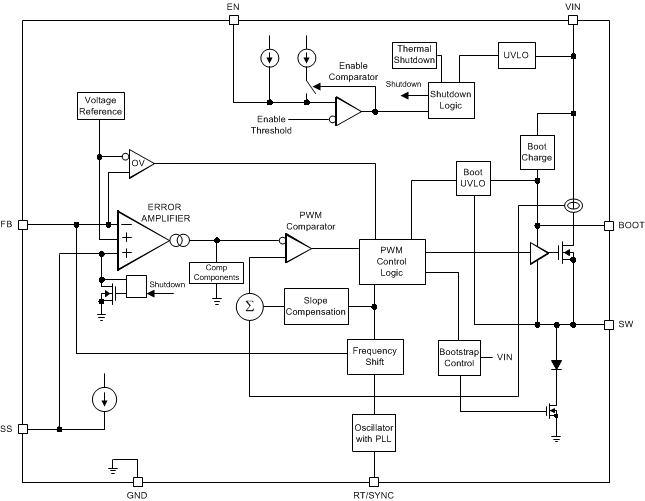
LMR14050 器件是一款具有集成型高侧 MOSFET 的 40V、5A 降压稳压器。 该器件具有 4V 至 40V 的宽输入电压范围,适用于从工业到汽车各类应用中非稳压电源的电源调节。 该稳压器在休眠模式下的静态电流为 40µA,非常适合电池供电类系统。 并且在关断模式下具有 1μA 的超低电流,可进一步延长电池使用寿命。 该稳压器的可调开关频率范围较宽,这使得效率或外部元件尺寸能够得到优化。 内部环路补偿意味着用户不用承担设计环路补偿组件的枯燥工作。 并且还能够以最大限度减少器件的外部元件数。 精密使能输入简化了稳压器控制和系统电源排序。 此外,该器件还内置多种保护特性:逐周期电流限制保护、应对功耗过大的热感测和热关断保护、以及输出过压保护。

  • 输入电压范围:4V 至 40V
  • 5A 持续输出电流
  • 40µA 超低工作静态电流
  • 90mΩ 高侧金属氧化物半导体场效应晶体 (MOSFET)
  • 最短导通时间:75ns
  • 电流模式控制
  • 可调节开关频率范围:200kHz 至 2.5MHz
  • 与外部时钟频率同步
  • 内部补偿方便使用
  • 支持高占空比运行
  • 精密使能引脚
  • 关断电流:1µA
  • 外部软启动
  • 热保护、过压保护和短路保护
  • 8 引脚 HSOIC PowerPAD 封装

应用范围

  • 汽车电池稳压
  • 工业用电源
  • 电信和数据通信系统
  • 电池供电系统

Vin (min) (V)4
Vin (max) (V)40
Vout (min) (V)1
Vout (max) (V)36
Iout (max) (A)5
Iq (typ) (mA)0.04
Switching frequency (min) (kHz)200
Switching frequency (max) (kHz)2500
FeaturesEnable, Frequency synchronization, Light Load Efficiency, Over Current Protection, Power good, Pre-Bias Start-Up, Soft Start Adjustable, Tracking, UVLO adjustable
Operating temperature range (°C)-40 to 125
RatingCatalog
Regulated outputs (#)1
Control modecurrent mode
Duty cycle (max) (%)98
TypeConverter
HSOIC (DDA)829.4 mm² 4.9 x 6
产品购买
  • 商品型号
  • 封装
  • 工作温度
  • 包装
  • 价格
  • 现货库存
  • 操作
10s
温馨提示:
订单商品问题请移至我的售后服务提交售后申请,其他需投诉问题可移至我的投诉提交,我们将在第一时间给您答复
返回顶部